Anmelden
Hochladen
Herunterladen
Inhalt
Inhalt
Zu meinen Handbüchern
Löschen
Teilen
URL dieser Seite:
HTML-Link:
Lesezeichen hinzufügen
Hinzufügen
Handbuch wird automatisch zu "Meine Handbücher" hinzugefügt
Diese Seite drucken
×
Lesezeichen wurde hinzugefügt
×
Zu meinen Handbüchern hinzugefügt
Anleitungen
Marken
Hydro-Pro Anleitungen
Wärmepumpen
INVERBOOST+ Tech
Benutzer- und wartungshandbuch
Verkabelungsdiagramm Der Schwimmbecken-Wärmepumpe - Hydro-Pro Inverboost+ Tech Benutzer- Und Wartungshandbuch
Shwimmbecken-wärmepumpe
Vorschau ausblenden
1
2
3
4
5
6
7
8
9
10
11
12
13
14
15
16
17
18
19
20
21
22
23
24
25
26
27
28
29
30
31
32
33
34
35
36
37
38
39
40
41
42
43
44
45
46
47
48
49
50
51
52
53
54
55
56
57
58
59
60
61
62
63
64
65
66
67
68
69
70
71
72
73
74
75
76
77
78
79
80
81
82
83
84
85
86
87
88
89
90
91
92
93
94
95
96
97
98
99
100
101
102
103
104
105
106
107
108
109
110
111
112
113
114
115
116
117
118
119
120
121
122
123
124
125
126
127
128
129
130
131
132
133
134
135
136
137
138
139
140
141
142
143
144
145
146
147
148
149
150
151
152
153
154
155
156
157
158
159
160
161
162
163
164
165
166
167
168
169
170
171
172
173
174
175
176
177
178
179
180
181
182
183
184
185
186
187
188
189
190
191
192
193
194
195
196
197
198
199
200
201
202
203
204
205
206
207
208
209
210
211
212
213
214
215
216
217
218
219
220
221
222
223
224
225
226
227
228
229
230
Seite
von
230
Vorwärts
/
230
Inhalt
Inhaltsverzeichnis
Lesezeichen
Inhaltsverzeichnis
Verfügbare Sprachen
DE
EN
FR
NL
PL
DK
Mehr
Verfügbare Sprachen
DEUTSCH, seite 119
ENGLISH, page 9
FRANÇAIS, page 45
DUTCH, pagina 82
POLSKI, strona 156
DANSK, side 193
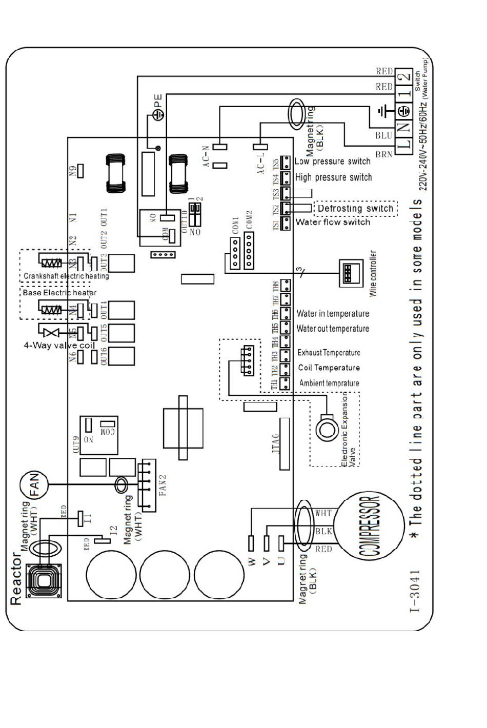
5.1 VERKABELUNGSDIAGRAMM DER SCHWIMMBECKEN-WÄRMEPUMPE
Z7/32, Z11/32, Z14/32, Z16/32, Z19/32
128
Inhalt
sverzeichnis
Vorherige
Seite
Nächste
Seite
1
...
129
130
131
132
Inhaltsverzeichnis
Verwandte Anleitungen für Hydro-Pro INVERBOOST+ Tech
Wärmepumpen Hydro-Pro Inverter 07 Servicehandbuch
(29 Seiten)
Wärmepumpen Hydro-Pro Hydro-Pro+ Premium 22M Installationsanleitung
(145 Seiten)
Wärmepumpen Hydro-Pro HYDRO PRO7 Handbuch
Schwimmbadwärmepumpe (190 Seiten)
Wärmepumpen Hydro-Pro P6/32 Installations- Und Gebrauchsanweisung
(48 Seiten)
Wärmepumpen Hydro-Pro PV 21/32 Installations- Und Bedienungsanleitung
Swimmingpool-wärmepumpeneinheit (32 Seiten)
Wärmepumpen Hydro-Pro 7018522 Benutzer- Und Wartungshandbuch
Shwimmbecken-wärmepumpe (30 Seiten)
Wärmepumpen Hydro-Pro 5 Benutzer- Und Wartungshandbuch
Schwimmbecken-wärmepumpe (29 Seiten)
Verwandte Inhalte für Hydro-Pro INVERBOOST+ Tech
5 Verkabelungsdiagramm Der Schwimmbecken-Wärmepumpe
Hydro-Pro 5
HYDRO PRO7 Verkabelungsdiagramm Der Schwimmbecken-Wärmepumpe
Hydro-Pro HYDRO PRO7
P6/32 Leistungsdaten Der Schwimmbecken-Wärmepumpe-Einheit
Hydro-Pro P6/32
Hydro-Pro+ Premium 22M Wärmepumpe Für Swimmingpool
Hydro-Pro Hydro-Pro+ Premium 22M
PV 21/32 Leistungsdaten Der Swimmingpool-Wärmepumpeneinheit
Hydro-Pro PV 21/32
7018522 Positionierung Der Wärmepumpe
Hydro-Pro 7018522
Inverter 07 Positionierung Der Wärmepumpe
Hydro-Pro Inverter 07
Diese Anleitung auch für:
7024515
7024516
7024517
7024518
7024519
7024520
...
Alle anzeigen
7024521
7024522
7024523
Inhaltsverzeichnis
Drucken
Lesezeichen umbenennen
Lesezeichen löschen?
Möchten Sie es aus Ihren Handbüchern löschen?
Anmelden
Anmelden
ODER
Mit Facebook anmelden
Mit Google anmelden
Anleitung hochladen
Von PC hochladen
Von URL hochladen