Herunterladen Diese Seite drucken

RIB R50 Kurze Gebrauchsanweisung Seite 5

Vorschau ausblenden Andere Handbücher für R50:
Verfügbare Sprachen
  • DE

Verfügbare Sprachen

  • DEUTSCH, seite 12
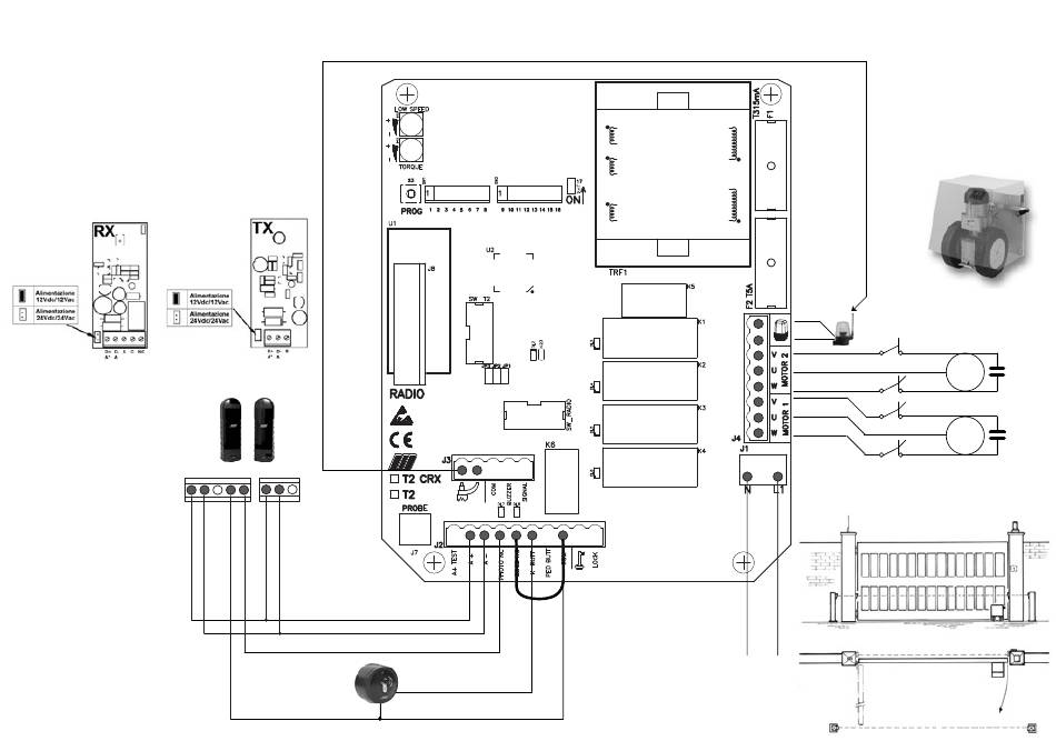
SIMPLIFIED INSTRUCTIONS FOR R50 WITH T2-CRX
A* A Observe the polarity
of the photocells' electrical supply
AERIAL
A* A
S
C
NC
A* A
S
24Vdc
for the
ELECTRICAL SUPPLY
OF ACCESSORIES
ANTENNA – Use an RG58 co-axial cable
COM-EDGE
PHOTOCELLS
K BUTTON
COM
JUMPER
ELECTRICAL SUPPLY
230V 50-60Hz
MOTOR 2
MOTOR THAT CLOSES FIRST
CONNECT CAPACITOR BETWEEN V2 and W2
LSO2
MOTOR 2
M2
LSC2
LSO1
MOTOR 1
M1
LSC1
MOTOR 1 
MOTOR THAT OPENS FIRST
CONNECT CAPACITOR BETWEEN V1 and W1
loading

Diese Anleitung auch für:

King fast