Herunterladen Inhalt Inhalt Diese Seite drucken

Afstelling Electroden; Pompdruk - Riello Rg2 Montage- Und Bedienungsanleitung

Inhaltsverzeichnis
Verfügbare Sprachen
  • DE

Verfügbare Sprachen

B
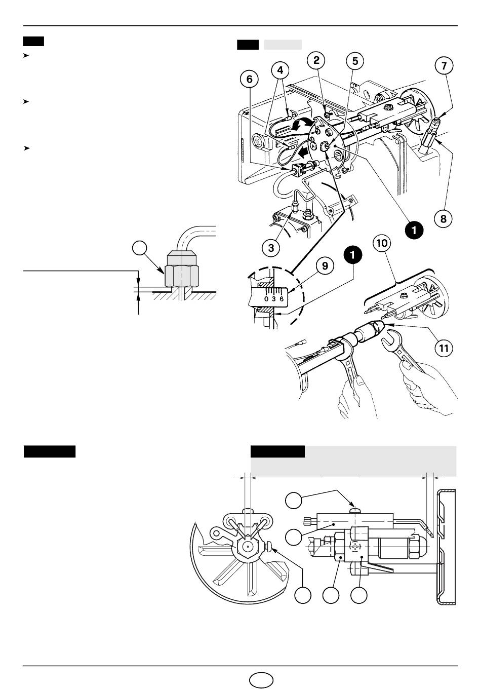
Fig. 11
Verwijder de verstuiverlijn (1) nadat u de
schroeven (2) en de moer (3) losdraaide, de ka-
bels van de controledoos (4) en de fotocel (6)
ontkoppelde.
Maak de kabels van de electrodes (4) los, ver-
wijder de houder van de vlamhaker (10) van de
verstuiverlijn (1) nadat u de schroef (3, fig. 12)
losdraaide.
De verstuiver (11) correct vastdraaien, zo-
als aangeduid op de tekening.
OPGELET
Bij hermontage van de verstuiverlijn, de moer (3)
vastschroeven zoals op de tekening hieronder.
VASTSCHROEVEN MAAR
NIET HELEMAAL TOT AAN
DE AANSLAG

4.4 AFSTELLING ELECTRODEN, (

OPGELET
Druk de vlamhakerhouder (1) tegen
de verstuiverhouder (2) en zet deze
vast met een schroef (3).
Voor eventuele aanpassingen,
draai de schroef (4) los en ver-
plaats de electrodengroep (5).
Om de electroden te kunnen regelen,
voer de handeling uit zoals beschre-
ven onder "4.2 AANGEWEZEN VER-
STUIVERS", (blz. 6).

4.5 POMPDRUK

De pomp verlaat de fabriek afgesteld op 12 bar.
Deze regeling kan worden aangepast met de schroef (4, fig. 5, blz. 4).
3133
D5684
3
zie fig. 12)
Fig. 12
B
Fig. 11
OPGELET
DE AFSTANDEN MOETEN
WORDEN GERESPECTEERD
0
4,5
– 0,5 mm
4
5
3
7
NL
S7640
4 ÷ 5
mm
2
1
D5537
Inhaltsverzeichnis
loading

Diese Anleitung auch für:

377t13737705

Inhaltsverzeichnis