Herunterladen Inhalt Inhalt Diese Seite drucken

Hitachi RC-AGS1EA0E Bedienungsanleitung Seite 314

Vorschau ausblenden Andere Handbücher für RC-AGS1EA0E:
Inhaltsverzeichnis
Verfügbare Sprachen
  • DE

Verfügbare Sprachen

  • DEUTSCH, seite 27
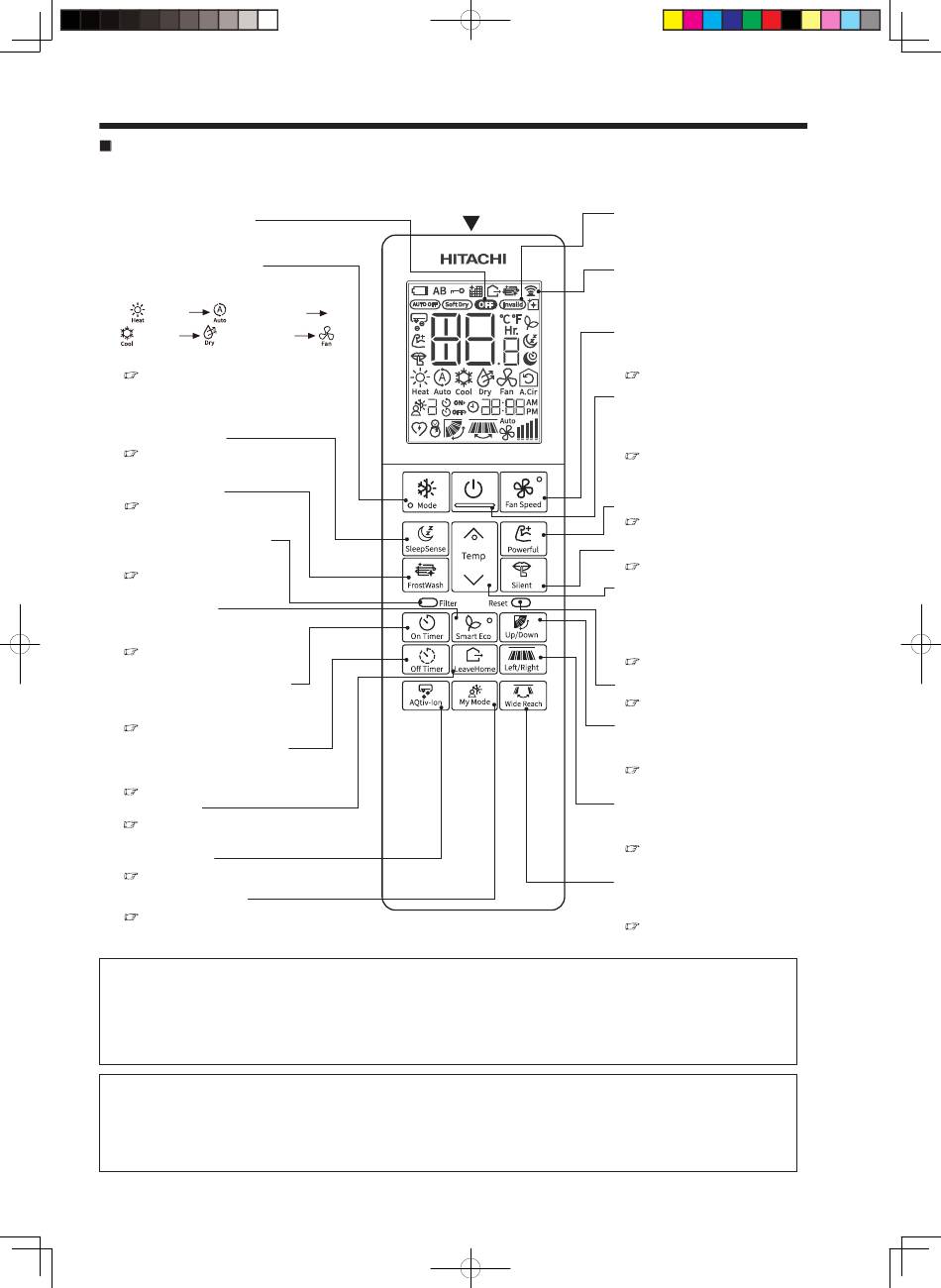
A távirányító részeinek elnevezése és funkciója
A távirányító a szobai légkondicionáló üzemmódjának és időzítésének beállítására szolgál.
A vezérlés hatótávolsága körülbelül 7 méter. Ha a beltéri világítást elektronikusan szabályozzák,
a vezérlési hatótávolság kisebb lehet.
Kikapcsolt mód jelzése
Üzemmódválasztó gomb
Ez a gomb az üzemmód kiválasztására
szolgál. Megnyomásával ciklikusan válthat
(Fűtés)
(Automatikus)
a
(Hűtés)
(Párátlanítás)
(Ventilátor) üzemmódok között.
316. oldal)
(
SleepSense gomb
327. oldal)
(
FrostWash gomb
321. oldal)
(
Szűrőjelzés visszaállítása
gomb
338. oldal)
(
Smart Eco gomb
A Takarékos üzemmód
bekapcsolására szolgál.
324. oldal)
(
Időzített bekapcsolás gombja
A bekapcsolás időpontjának
a kiválasztására szolgál.
332. oldal)
(
Időzített kikapcsolás gombja
A kikapcsolás időpontjának
a kiválasztására szolgál.
332. oldal)
(
Távollét gomb
320. oldal)
(
AQtiv-ion gomb
328. oldal)
(
Saját üzemmód gomb
334. oldal)
(
Háttérvilágítás funkció
• A háttérvilágítás segítségével sötétben is leolvashatja az LCD-kijelző tartalmát.
• Amikor megnyomja bármelyik gombot, az LCD-panel körülbelül 10 másodpercig világít. Körülbelül
10 másodperc elteltével a világítás automatikusan kikapcsol.
• Ez a funkció a légkondicionáló berendezés összes többi funkciójától függetlenül működik.
• A háttérvilágítás színe fehér.
A használattal kapcsolatos óvintézkedések
• Ne tegye ki a távirányítót közvetlen napsugárzásnak és magas hőmérsékletnek!
• Ne ejtse le a padlóra, és óvja a víztől!
H a a berendezés működése közben megnyomja bármelyik funkciógombot, akkor a légkondicionáló
a biztonság érdekében mintegy 3 percre leállhat, és csak ezt követően lehet újra elindítani.
Jeltovábbítás
- 314 -
Érvénytelen művelet jelzése
Akkor jelenik meg, ha érvénytelen
beállítást választ vagy műveletet
végez
Jelkibocsátás jelzése
A jelkibocsátás kijelzője villog, ha
a távirányító jelet küldött.
Ventilátor-fordulatszám gomb
A ventilátor fordulatszámának
a kiválasztására szolgál.
316. oldal)
(
Főkapcsoló
Az egység használatának az
elindítására szolgál.
A leállításhoz nyomja meg ismét.
316. oldal)
(
Nagy teljesítmény gomb
320. oldal)
(
Csendes mód gombja
329. oldal)
(
Hőmérséklet gomb
A szoba hőmérsékletének
a beállítására szolgál. Ha nyomva
tartja, gyorsabban változnak az
értékek.
316. oldal)
(
Alaphelyzet gomb
338. oldal)
(
Fel/le gomb
A vízszintes légterelő szögének
a szabályozására szolgál.
330. oldal)
(
Balra/jobbra gomb
A függőleges légterelő szögének
a szabályozására szolgál.
331. oldal)
(
Fúvásszélesség gomb
A függőleges légterelő szögének
a szabályozására szolgál.
331. oldal)
(
Inhaltsverzeichnis
loading

Inhaltsverzeichnis