Herunterladen Inhalt Inhalt Diese Seite drucken

Installation Hydraulique; Amorçage De La Pompe - Riello Gulliver Rg2D Montage- Und Bedienungsanleitung

Zweistufiger betrieb
Vorschau ausblenden Andere Handbücher für Gulliver RG2D:
Inhaltsverzeichnis
Verfügbare Sprachen

Verfügbare Sprachen

3.4

INSTALLATION HYDRAULIQUE

ATTENTION
Avant de mettre en fonction le brûleur il faut s'assurer que le tube de
retour du combustible ne soit pas obstrué. Une contre-pression
excessive provoquerait la rupture de l'organe d'étanchéité de la
pompe.
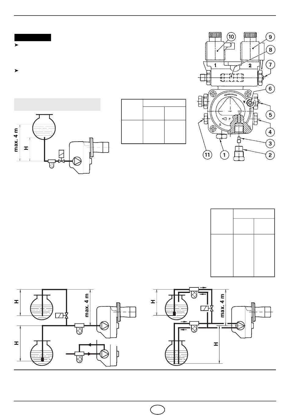
La pompe est prévue pour un fonctionnement en bitube. Pour le fon-
ctionnement en mono-tube, il faut dévisser le bouchon de retour (2),
enlever la vis de by-pass (3) et ensuite revisser le bouchon (2), (voir
fig. 7).
INSTALLATION NON AUTORISEE
EN ALLEMAGNE
*
D5338
AMORÇAGE DE LA POMPE
Dans l'installation en fig. 8 il faut
desserrer le raccord du vacuomètre
(6, fig. 7) jusqu'à la sortie du combustible.
Dans les installations en fig. 9 et 10 mettre en marche le brûleur et
attendre l'amorçage.
Si la mise en sécurité se produit avant l'arrivée du combustible, attendre au
moins 20 secondes, puis recommencer cette opération.
Il ne faut pas dépasser la dépression max. de 0,4 bar (30 cm Hg).
Au-dessus de cette valeur, il y a dégazage du combustible. Les tuyauteries doi-
vent être parfaitement étanches.
Dans les installations (fig. 10) par dépression la tuyauterie de retour doit arriver
à la même hauteur que celle d'aspiration. Dans ce cas il n'y a pas besoin de cla-
pet de pied. Dans le cas contraire, le clapet de pied est indispensable.
Cette deuxième solution est moins sûre que la précédente en raison du manque
d'étanchéité éventuel de ce clapet.
*
Il est nécessaire d'installer un filtre sur la ligne d'alimentation du combustible.
*
SEULEMENT POUR L'ITALIE: Dispositif automatique d'arrêt selon circulaire du Ministère de l'intérieur n° 73 du 29/7/71.
H = différence de niveau;
3363
H
mètres
Fig. 8
0,5
1
1,5
2
1 - Aspiration
2 - Retour
3 - Vis de by-pass
4 - Raccord manomètre
5 - Régulateur de pression
2 ème allure
Fig. 9
L = longueur maximum du tube d'aspiration;
Fig. 7
L mètres
ø i
ø i
8 mm
10 mm
10
20
20
40
40
80
60
100
6 - Raccord vacuomètre
7 - Régulateur de pression 1 ère allur
8 - Piston variateur de pression
9 - Vanne 2 ème allure
10 - Vanne 1 ère allure
11 - Prise de pression auxiliaire
*
5
F
S7067
L mètres
H
ø i
mètres
8 mm
0
35
0,5
30
1
25
1,5
20
2
15
3
8
3,5
6
Fig. 10
ø i = diamètre interne du tube.
ø i
10 mm
100
100
100
90
70
30
20
D5337

Quicklinks ausblenden:

Inhaltsverzeichnis
loading

Inhaltsverzeichnis