Herunterladen Inhalt Inhalt Diese Seite drucken

Elektrisches Verdrahtungsschema; Zeichenerklärung - Riello Gulliver Rg2D Montage- Und Bedienungsanleitung

Zweistufiger betrieb
Vorschau ausblenden Andere Handbücher für Gulliver RG2D:
Inhaltsverzeichnis
Verfügbare Sprachen

Verfügbare Sprachen

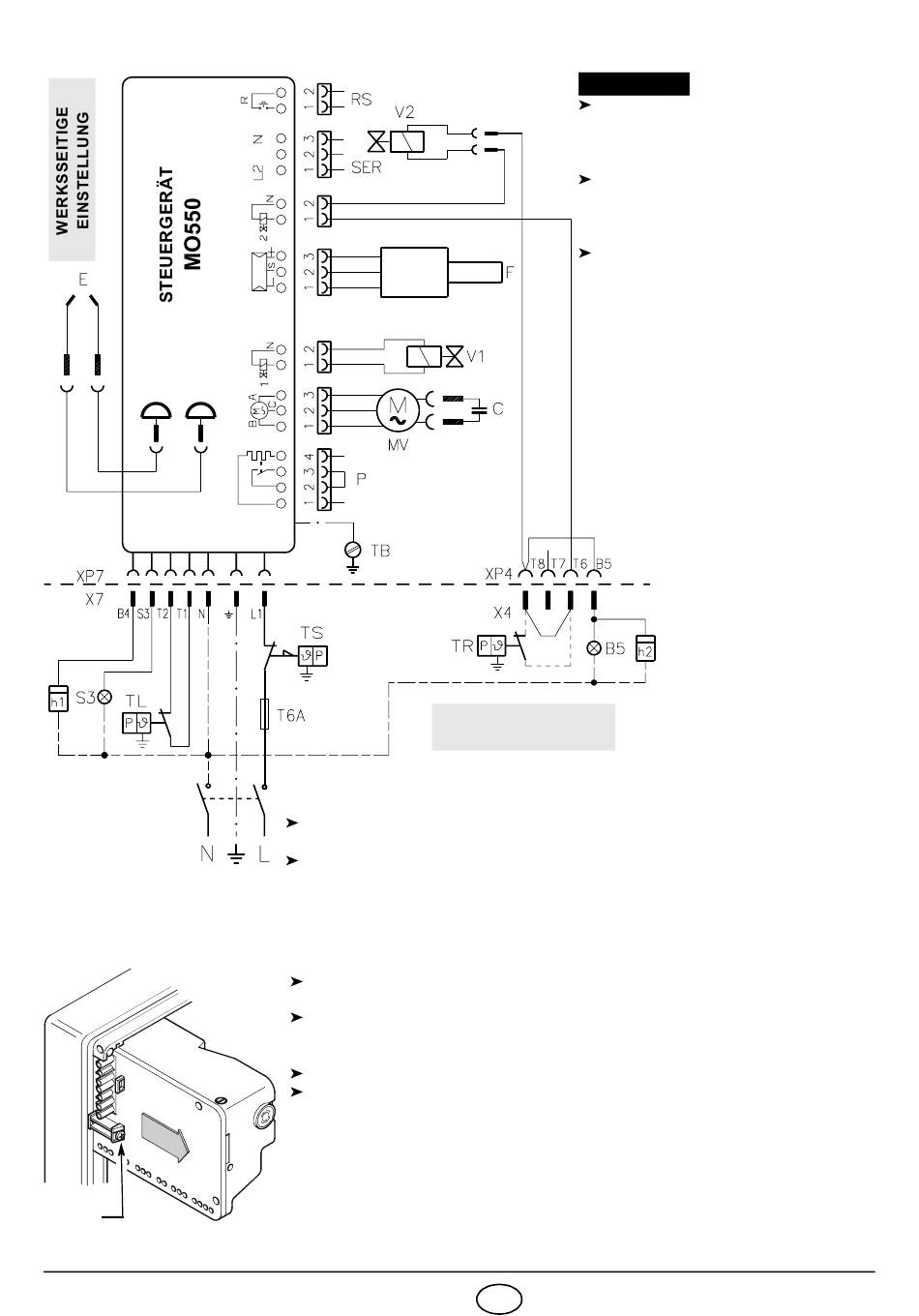
3.5 ELEKTRISCHES VERDRAHTUNGSSCHEMA

D4685
Hauptschalter
230V ~ 50Hz
Abb. 11
A
3363
PRÜFUNG
Das Anhalten des Brenners überprüfen, in-
dem die Thermostate geöffnet werden.
Die Störabschaltung des in Betrieb stehenden
Brenners überprüfen, indem der Flammende-
tektor verdunkelt wird.
STEUERGERÄT, (siehe Abb. 11)
Um das Steuergerät aus dem Brenner zu nehmen, ist folgendes notwendig:
Alle an ihm angeschlossenen Verbinder, den 7-poligen Stecker, die Hochs-
pannungskabel und den Erdleiter (TB) abnehmen;
Die Schraube (A) losschrauben und das Steuergerät in Pfeilrichtung zie-
hen.
Für die Installation des Steuergeräts ist folgendes notwendig:
Die Schraube (A) mit einem Anzugsmoment von 1 ÷ 1,2 Nm anschrauben;
Alle vorher abgetrennten Verbinder wieder anschließen.
ANMERKUNGEN: Das bedeutet, dass sie mindestens 1 Mal alle 24 Stun-
den anhalten müssen, damit das elektrische Steuergerät eine Kontrolle sei-
ner Effizienz beim Anfahren ausführen kann. Gewöhnlich wird das Anhalten
des Brenners durch den Grenzthermostaten (TL) des Heizkessels gewähr-
leistet. Sollte dies nicht der Fall sein, muss ein Zeitschalter mit (TL) serien-
geschaltet werden, der für das Anhalten des Brenners mindestens einmal
E9275
alle 24 Stunden sorgt.
ACHTUNG
Nullleiter nicht mit Phase aus-
tauschen; sich genau an das an-
gegebene Schema halten und
eine gute Erdung ausführen.
Der Leiterquerschnitt muss mind-
estens 1 mm2 sein. (Außer im Falle
anderslautender
Normen und örtliche Gesetze).
Die vom Installateur ausgeführten
elektrischen Verbindungen müssen
den lokalen Bestimmungen entspre-
chen.
*
(Siehe "Ölversorgungsanlage"
auf Seite 5) Sollte sich in einigen
Ölversorgungsanlagen die automati-
sche Absperrvorrichtung (230V -
0,5A max.) befinden, muss diese an
den Klemmen N - T2 des 7-poligen
Steckanschlusses
werden.
VOM INSTALLATEUR
AUSZUFÜHREN
6
D
Angaben
durch
angeschlossen
ZEICHENERKLÄRUNG:
B5 – 2. Stufe Betrieb-Fern-
meldung
(230V
~
- 0,1A max.)
C
– Kondensator
E
– Zündelektrode
F
– Flammendetektor
h.. – Stundenzähler
(230V
~
- 0,1A max.)
MV – Motor
P
– Brückenstecker
RS – Fernentstörung
SER– Schutzblock
S3 – Störabschaltung-Fern
meldung
(230V
~
- 0,5A max.)
T6A – Sicherung
TB – Brenner-Erdung
TL – Grenzthermostat
TR – 2. Stufe Thermostat
TS – Sicherheitsthermosta
V1 – Ölventil 1. Stufe
V2 – Ölventil 2. Stufe
X.. – Stecker
XP.. – Steckdose

Quicklinks ausblenden:

Inhaltsverzeichnis
loading

Inhaltsverzeichnis