Herunterladen Inhalt Inhalt Diese Seite drucken

Evolution NE-F30SPR3 Gebrauchsanweisung Seite 12

Inhaltsverzeichnis
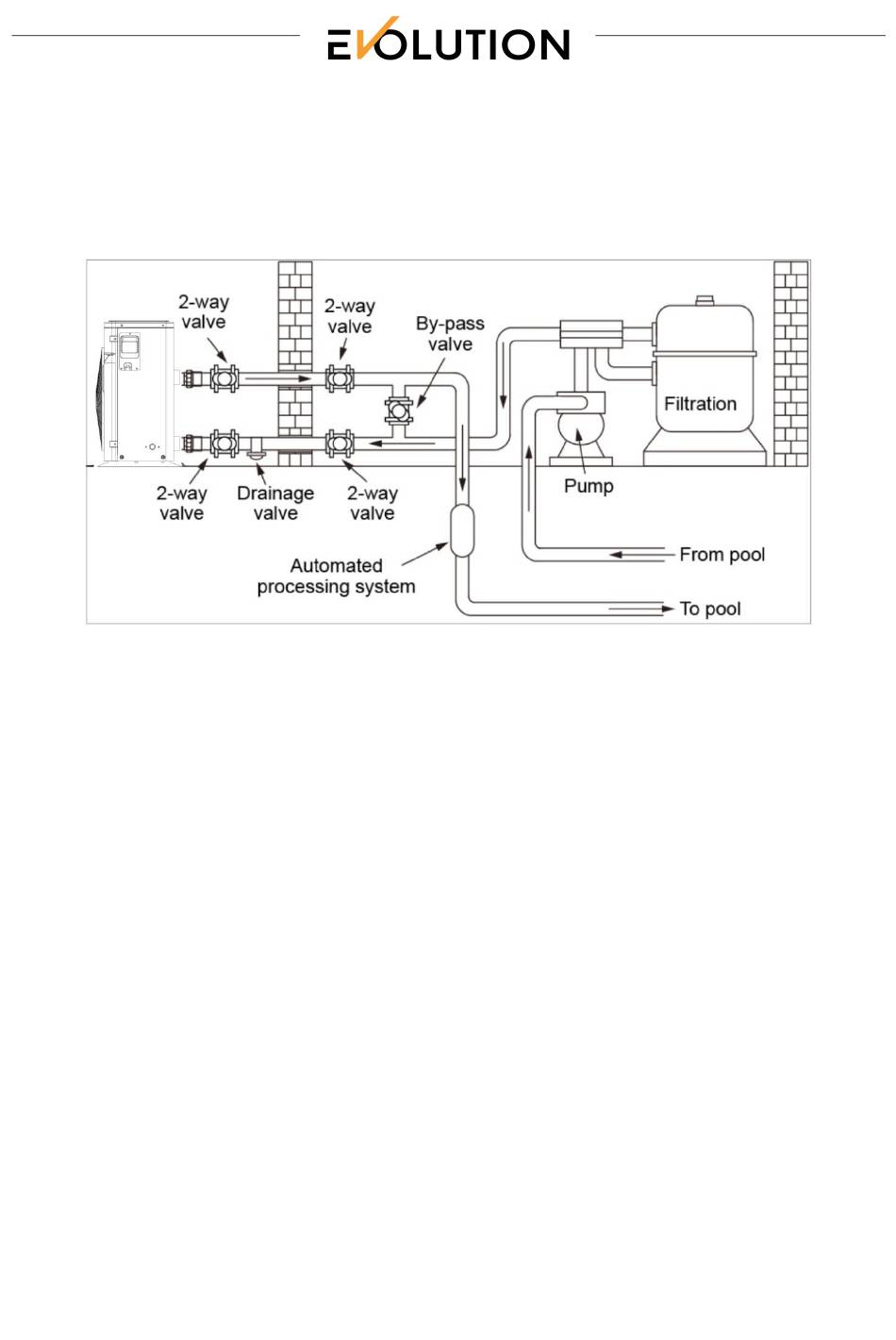
Die Wärmepumpe sollte mit einem Bypassventil an einen Filterkreis angeschlossen werden. Das
Bypass-Ventil sollte halb geöffnet (gedrosselt) sein, während alle anderen Ventile vollständig
geöffnet sein sollten. Wir empfehlen, das Bypass-Ventil zur Hälfte zu öffnen, um einen übermäßigen
Druck auf die Wärmepumpe zu vermeiden.
Der Bypass muss unbedingt nach der Filteranlage platziert werden. Der Bypass-Pfad besteht
normalerweise aus 3 Ventilen. Dies ermöglicht die Einstellung des Wasserflusses, der durch die
Wärmepumpe fließt und die Wärmepumpe vollständig von Wartungsarbeiten trennt, ohne den Fluss
des Filtrationszyklusses zu beeinträchtigen.
Der Filter muss regelmäßig gereinigt werden, um sicherzustellen, dass das Wasser im System
sauber ist und ein Blockieren des Filters vermieden wird. Das Ablassventil muss an der unteren
Wasserleitung befestigt sein. Wenn das Gerät in den Wintermonaten nicht läuft, trennen Sie bitte
die Stromversorgung und lassen Sie das Wasser durch das Ablassventil aus dem Gerät ab. Wenn
die Umgebungstemperatur der Wärmepumpe unter 0 ° C liegt, lassen Sie die Wasserpumpe laufen,
und verhindern Sie damit, das das Wasser einfriert.
12
Inhaltsverzeichnis
loading

Diese Anleitung auch für:

Ne-f60spr3Ne-f90spr3Ne-f120spr3Ne-f160spr3

Inhaltsverzeichnis