Anmelden
Hochladen
Herunterladen
Inhalt
Inhalt
Zu meinen Handbüchern
Löschen
Teilen
URL dieser Seite:
HTML-Link:
Lesezeichen hinzufügen
Hinzufügen
Handbuch wird automatisch zu "Meine Handbücher" hinzugefügt
Diese Seite drucken
×
Lesezeichen wurde hinzugefügt
×
Zu meinen Handbüchern hinzugefügt
Anleitungen
Marken
RAVAGLIOLI Anleitungen
Prüfgeräte
R203
Übersetzung der originalanleitung
RAVAGLIOLI R203 Übersetzung Der Originalanleitung Seite 46
Gelenkspieltester
Vorschau ausblenden
1
2
3
Inhalt
4
5
6
7
8
9
10
11
12
13
14
15
16
17
18
19
20
21
22
23
24
25
26
27
28
29
30
31
32
33
34
35
36
37
38
39
40
41
42
43
44
45
46
47
48
49
50
51
52
53
54
55
56
Seite
von
56
Vorwärts
/
56
Inhalt
Inhaltsverzeichnis
Fehlerbehebung
Lesezeichen
Inhaltsverzeichnis
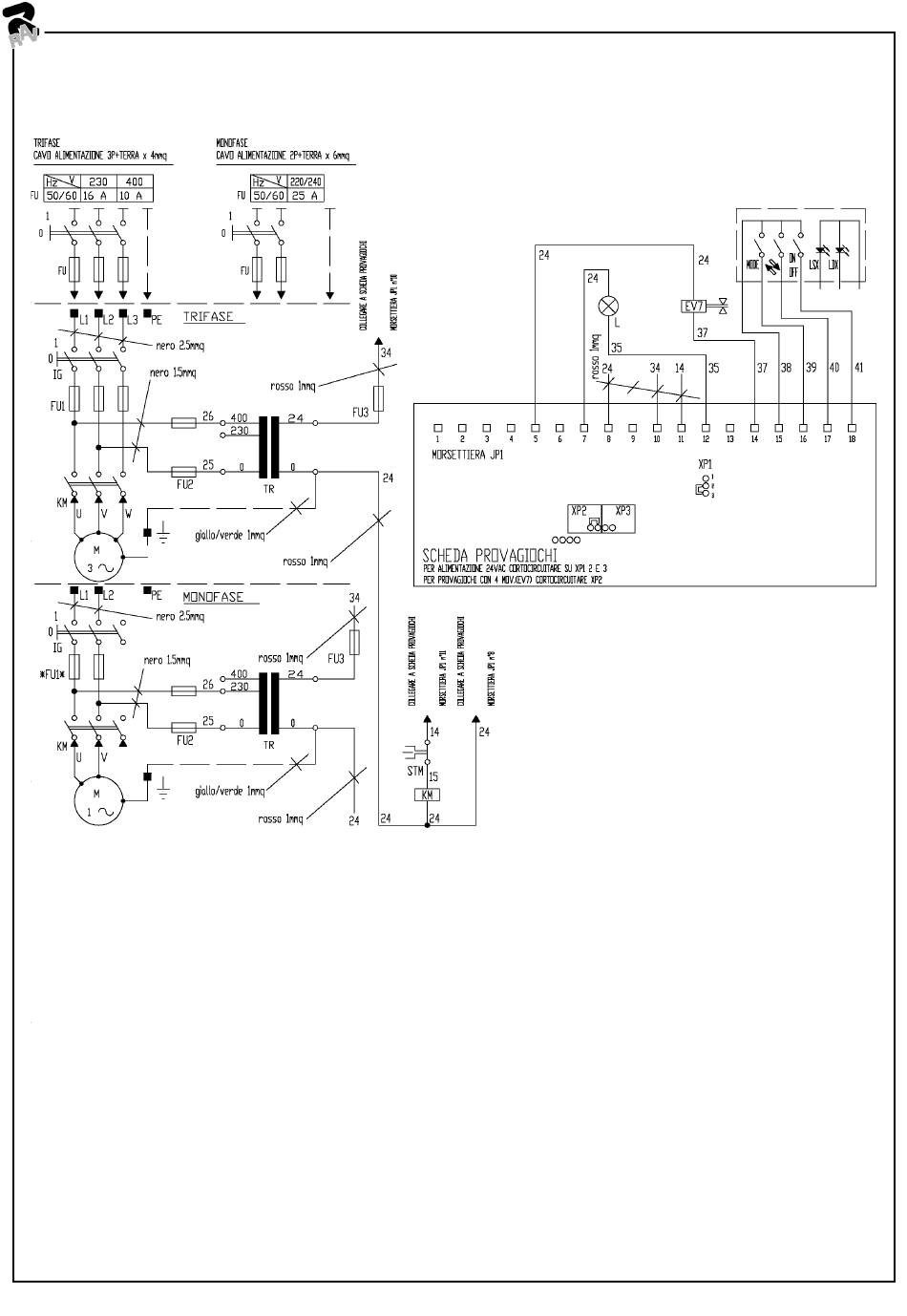
SCHEMA ELETTRICO
WIRING DIAGRAM
46
1506-M010-3
Inhalt
sverzeichnis
Vorherige
Seite
Nächste
Seite
1
...
43
44
45
46
47
48
49
50
Inhaltsverzeichnis
Fehlerbehebung
TROUBLESHOOTING TABLE
41
BETRIEBSSTÖRUNGEN
42
Verwandte Anleitungen für RAVAGLIOLI R203
Prüfgeräte RAVAGLIOLI R200 Handbuch
Gelenkspieltester (46 Seiten)
Verwandte Produkte für RAVAGLIOLI R203
RAVAGLIOLI R200I
Ravaglioli R200
Ravaglioli R200 I
Ravaglioli R200/8
Ravaglioli R200M
Ravaglioli R200MI
Ravaglioli R200/8 I
RAVAGLIOLI RAV4502 L
Ravaglioli RAV 650.6.55 SI
Ravaglioli RAV 660.5.55 ISI
Ravaglioli RAV307H.6WS
Ravaglioli RAV307H.8WS
Ravaglioli RAV272
Ravaglioli RAV275
Ravaglioli RAV261 L
RAVAGLIOLI RAV640.2 SWA DC
Diese Anleitung auch für:
R203i
R203s
Inhaltsverzeichnis
Drucken
Lesezeichen umbenennen
Lesezeichen löschen?
Möchten Sie es aus Ihren Handbüchern löschen?
Anmelden
Anmelden
ODER
Mit Facebook anmelden
Mit Google anmelden
Anleitung hochladen
Von PC hochladen
Von URL hochladen