Anmelden
Hochladen
Herunterladen
Inhalt
Inhalt
Zu meinen Handbüchern
Löschen
Teilen
URL dieser Seite:
HTML-Link:
Lesezeichen hinzufügen
Hinzufügen
Handbuch wird automatisch zu "Meine Handbücher" hinzugefügt
Diese Seite drucken
×
Lesezeichen wurde hinzugefügt
×
Zu meinen Handbüchern hinzugefügt
Anleitungen
Marken
RAVAGLIOLI Anleitungen
Hebebühnen
RAV4406MB
Übersetzung der original-anleitung
RAVAGLIOLI RAV4406MB Übersetzung Der Original-Anleitung Seite 72
Elektro-hydraulische 4-säulen hebebühnen
Vorschau ausblenden
1
2
3
4
5
6
7
8
9
10
11
12
13
14
15
16
17
18
19
20
21
22
23
24
25
26
27
28
29
30
31
32
33
34
35
36
37
38
39
40
41
42
43
44
45
46
47
48
49
50
51
52
53
54
55
56
57
58
59
60
61
62
63
64
65
66
67
68
69
70
71
72
73
74
75
76
77
78
79
80
81
82
83
84
85
86
87
88
89
90
Inhalt
91
Seite
von
91
Vorwärts
/
91
Inhalt
Inhaltsverzeichnis
Lesezeichen
Inhaltsverzeichnis
11
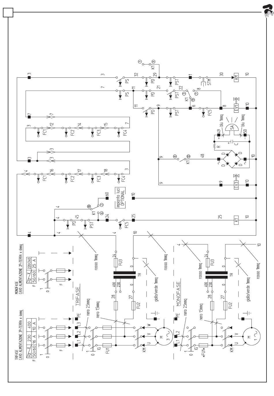
SCHEMA IMPIANTO ELETTRICO - WIRING DIAGRAM
(MONOFASE + TRIFASE / 1 PHASE + 3 PHASE)
RAV4406MB - RAV4652MB
72
0717-M030-0
Inhalt
sverzeichnis
Vorherige
Seite
Nächste
Seite
1
...
69
70
71
72
73
74
75
76
Inhaltsverzeichnis
Verwandte Anleitungen für RAVAGLIOLI RAV4406MB
Hebebühnen RAVAGLIOLI TECG440 Übersetzung Der Original-Anleitung
(168 Seiten)
Hebebühnen RAVAGLIOLI RAV4300 Originalanleitung
(168 Seiten)
Hebebühnen RAVAGLIOLI RAV4300 Bedienungsanleitung
Elektro-hydraulische 4-säulen hebebühnen (112 Seiten)
Hebebühnen RAVAGLIOLI RAV4401 T Originalbetriebsanleitung
(128 Seiten)
Hebebühnen RAVAGLIOLI ECG440W Übersetzung Der Original-Anleitung
Elektro-hydraulische 4-säulen hebebühnen (160 Seiten)
Hebebühnen RAVAGLIOLI RAV4352 Bedienungsanleitung
Elektro-hydraulische 4-saulen hebebühnen (104 Seiten)
Hebebühnen RAVAGLIOLI RAV4352 Bedienungsanleitung
Elektro-hydraulische 4-säulen hebebühnen (181 Seiten)
Hebebühnen Ravaglioli RAV4351 SI Anleitung
(176 Seiten)
Hebebühnen RAVAGLIOLI RAV4405MB Übersetzung Der Original-Anleitung
Elektro-hydraulische 4-säulen hebebühnen (93 Seiten)
Hebebühnen Ravaglioli RAV4351.1 TIMOT4 Übersetzung Der Originalanleitung
Elektro-hydraulische 4-säulen-hebebühnen (190 Seiten)
Hebebühnen RAVAGLIOLI RAV4300 A3 Bedienungsanleitung
(28 Seiten)
Hebebühnen RAVAGLIOLI RAV4351IPD MOT4 Bedienungsanleitung
Elektro-hydraulische 4-säulen-hebebühnen (80 Seiten)
Hebebühnen RAVAGLIOLI RAV4412BMW Originalanleitung
Elektro-hydraulische 4-säulen hebebühnen (4 Seiten)
Hebebühnen RAVAGLIOLI RAV4412BMW Übersetzung Der Originalanleitung
(112 Seiten)
Hebebühnen Ravaglioli RAV516NL Handbuch
Elektrohydraulische hebebühne (96 Seiten)
Hebebühnen RAVAGLIOLI RAV242 244 VS 1239 Übersetzung Der Originalanleitung
Hebebühne mit unabhangigen saule (92 Seiten)
Verwandte Produkte für RAVAGLIOLI RAV4406MB
RAVAGLIOLI RAV4406 E
RAVAGLIOLI RAV4406 L
Ravaglioli RAV4406 ESI
Ravaglioli RAV 4406 LSI
Ravaglioli RAV4406.3 IMOT4
RAVAGLIOLI RAV4406E
RAVAGLIOLI RAV.4406L.194992
RAVAGLIOLI RAV4402 SI
RAVAGLIOLI RAV4405MB
RAVAGLIOLI RAV4400
RAVAGLIOLI RAV4401 DC
RAVAGLIOLI RAV4405 L
Ravaglioli RAV4405 ESI
Ravaglioli RAV 4405 LSI
Ravaglioli RAV4400.1 IMOT4
RAVAGLIOLI RAV4400I MOT7
Diese Anleitung auch für:
Rav4652mb
Inhaltsverzeichnis
Drucken
Lesezeichen umbenennen
Lesezeichen löschen?
Möchten Sie es aus Ihren Handbüchern löschen?
Anmelden
Anmelden
ODER
Mit Facebook anmelden
Mit Google anmelden
Anleitung hochladen
Von PC hochladen
Von URL hochladen