Anmelden
Hochladen
Herunterladen
Inhalt
Inhalt
Zu meinen Handbüchern
Löschen
Teilen
URL dieser Seite:
HTML-Link:
Lesezeichen hinzufügen
Hinzufügen
Handbuch wird automatisch zu "Meine Handbücher" hinzugefügt
Diese Seite drucken
×
Lesezeichen wurde hinzugefügt
×
Zu meinen Handbüchern hinzugefügt
Anleitungen
Marken
Dimplex Anleitungen
Wärmepumpen
SI 5MSR
Gebrauchsanweisung
Hydraulisches Prinzipschema - Dimplex Si 5Msr Gebrauchsanweisung
Sole-wasser-wärmepumpe
Vorschau ausblenden
Andere Handbücher für SI 5MSR
:
Gebrauchsanweisung
(48 Seiten)
1
2
3
4
5
6
7
8
9
10
11
12
13
14
15
16
17
18
19
20
21
22
23
24
25
26
27
28
29
30
31
32
Seite
von
32
Vorwärts
/
32
Inhalt
Inhaltsverzeichnis
Fehlerbehebung
Lesezeichen
Inhaltsverzeichnis
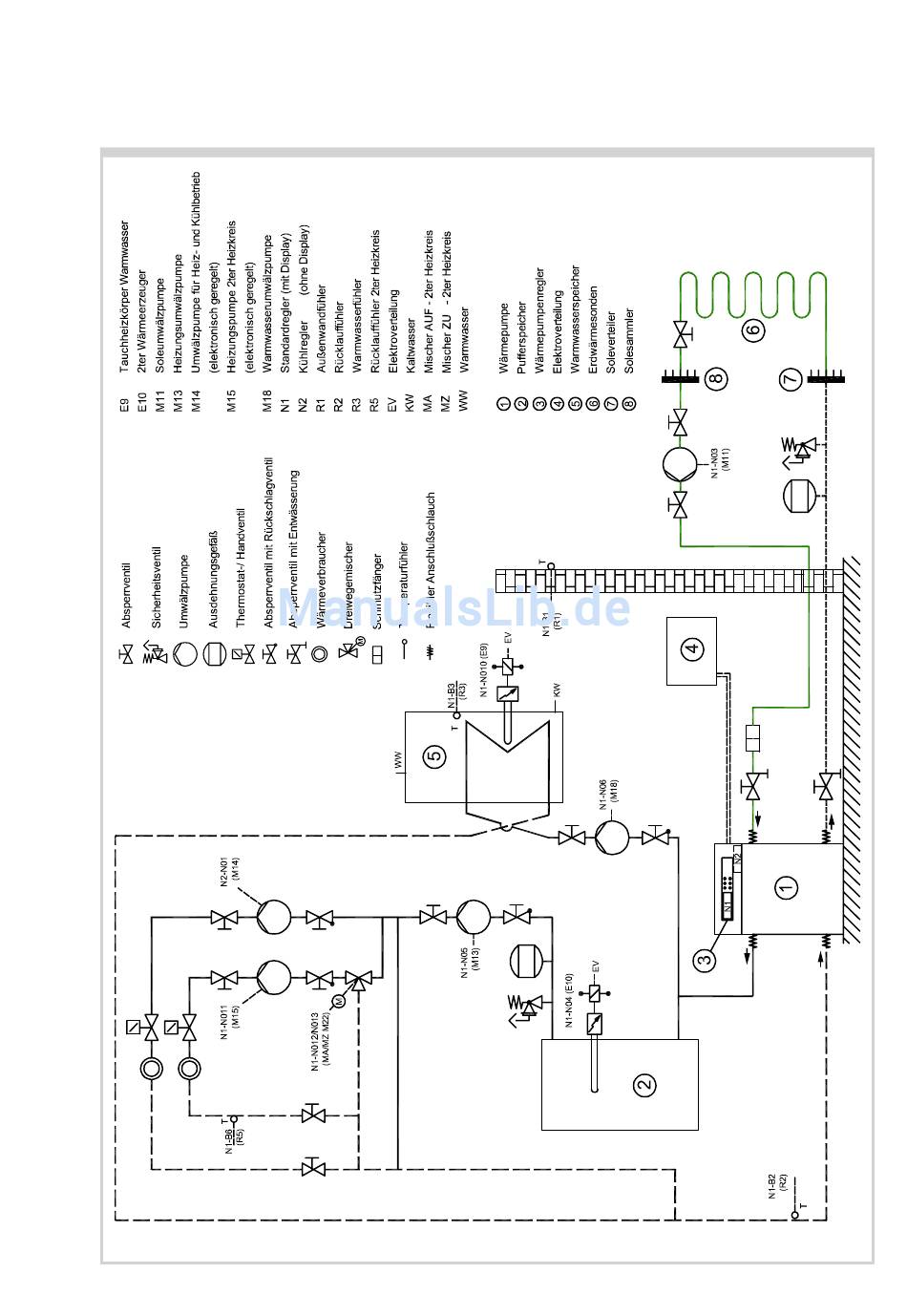
ANHANG: 12.5 HYDRAULISCHES PRINZIPSCHEMA
Hydraulisches Prinzipschema
27
Inhalt
sverzeichnis
Vorherige
Seite
Nächste
Seite
1
...
24
25
26
27
28
29
30
31
Kapitel
Inhaltsverzeichnis
2
Anhang
10
Inhaltsverzeichnis
Verwandte Anleitungen für Dimplex SI 5MSR
Wärmepumpen Dimplex SI 5MSR Gebrauchsanweisung
Sole/wasserwärmepumpe für innenaufstellung (48 Seiten)
Wärmepumpen Dimplex SI 7CS Montage- Und Gebrauchsanweisungen
Sole/wasser-wärmepumpe fuer innenaufstellung (48 Seiten)
Wärmepumpen Dimplex SI 50TU Montage- Und Gebrauchsanweisungen
Sole/wasser wärmepumpe für innenaufstellung (96 Seiten)
Wärmepumpen Dimplex SI 50TE Montageanweisung Und Gebrauchsanweisung
Sole/wasserwärmepumpe für innenaufstellung (52 Seiten)
Wärmepumpen Dimplex SI 50TE Montage- Und Gebrauchsanweisung
Sole/wasser- wärmepumpe für innenaufstellung (30 Seiten)
Wärmepumpen Dimplex 452234.66.02 Montage- Und Gebrauchsanweisungen
Sole/wasserwärmepumpe für innenaufstellung (72 Seiten)
Wärmepumpen Dimplex SI 75TE Montage- Und Gebrauchsanweisungen
Sole/wasser wärmepumpe für innenaufstellung (68 Seiten)
Wärmepumpen Dimplex SI 5MER Montage- Und Gebrauchsanweisung
Sole/wasserwärmepumpe für innenaufstellung (30 Seiten)
Wärmepumpen Dimplex SI 5MER Montage- Und Gebrauchsanweisung
Sole/wasserwärmepumpe für innenaufstellung (64 Seiten)
Wärmepumpen Dimplex SI 5TE Montage- Und Gebrauchsanweisung
Sole/wasserwärmepumpe für innenaufstellung (33 Seiten)
Wärmepumpen Dimplex SI 7TE Montage- Und Gebrauchsanweisungen
(64 Seiten)
Wärmepumpen Dimplex SI 5US Gebrauchsanweisung
(44 Seiten)
Wärmepumpen Dimplex SI 50TUR Montage- Und Gebrauchsanweisung
Reversible sole-wsser-waermepumpe fuer innenaufstellung (68 Seiten)
Wärmepumpen Dimplex SI 7BS Montage- Und Gebrauchsanweisungen
Sole/wasser-wärmepumpe fuer innenaufstellung (40 Seiten)
Wärmepumpen Dimplex SI 5BS Montage- Und Gebrauchsanweisungen
(28 Seiten)
Wärmepumpen Dimplex SI 11MS Montage- Und Gebrauchsanweisungen
Sole/wasser-wärmepumpe fuer innenaufstellung (40 Seiten)
Verwandte Inhalte für Dimplex SI 5MSR
LI 8MS Hydraulisches Prinzipschema / Hydraulic Block Diagrams / Schéma Hydraulique
Dimplex LI 8MS
LI 11MSR Hydraulisches Prinzipschema / Hydraulic Block Diagram / Schéma Hydraulique
Dimplex LI 11MSR
LI 11ASR Hydraulisches Prinzipschema / Hydraulic Plumbing Diagram / Schéma Hydraulique
Dimplex LI 11ASR
SI 7BS Hydraulisches Prinzipschema / Hydraulic Plumbing Diagram / Schéma Hydraulique
Dimplex SI 7BS
SI 11MS Hydraulisches Prinzipschema / Hydraulic Block Diagrams / Schéma Hydraulique
Dimplex SI 11MS
SI 75TE Hydraulisches Prinzipschema / Hydraulic Block Diagrams / Schéma Hydraulique
Dimplex SI 75TE
SI 7CS Hydraulisches Prinzipschema / Hydraulic Plumbing Diagram / Schéma Hydraulique
Dimplex SI 7CS
SI 7 KS Hydraulisches Prinzipschema / Hydraulic Plumbing Diagram / Schéma Hydraulique
Dimplex SI 7 KS
WPL 80IRR Hydraulisches Prinzipschema / Hydraulic Plumbing Diagram / Schéma Hydraulique
Dimplex WPL 80IRR
SIH 40TE Hydraulisches Prinzipschema / Hydraulic Block Diagrams / Schéma Hydraulique
Dimplex SIH 40TE
SI 7TE Hydraulisches Prinzipschema / Hydraulic Plumbing Diagram / Schéma Hydraulique
Dimplex SI 7TE
SI 5BS Anhang: 12.5 Hydraulisches Prinzipschema
Dimplex SI 5BS
SI 5MER Hydraulisches Prinzipschema / Hydraulic Plumbing Diagram / Schéma Hydraulique
Dimplex SI 5MER
SIK 7 TE-2 Hydraulisches Prinzipschema / Hydraulic Plumbing Diagram / Schéma Hydraulique
Dimplex SIK 7 TE-2
WI 40CS Anhang: 12.5 Hydraulisches Prinzipschema
Dimplex WI 40CS
SI 5ME Hydraulisches Prinzipschema / Hydraulic Plumbing Diagram / Schéma Hydraulique
Dimplex SI 5ME
Diese Anleitung auch für:
Si 9msr
Si 7msr
Si 11msr
Inhaltsverzeichnis
Drucken
Lesezeichen umbenennen
Lesezeichen löschen?
Möchten Sie es aus Ihren Handbüchern löschen?
Anmelden
Anmelden
ODER
Mit Facebook anmelden
Mit Google anmelden
Anleitung hochladen
Von PC hochladen
Von URL hochladen