Herunterladen Inhalt Inhalt Diese Seite drucken
Inhaltsverzeichnis
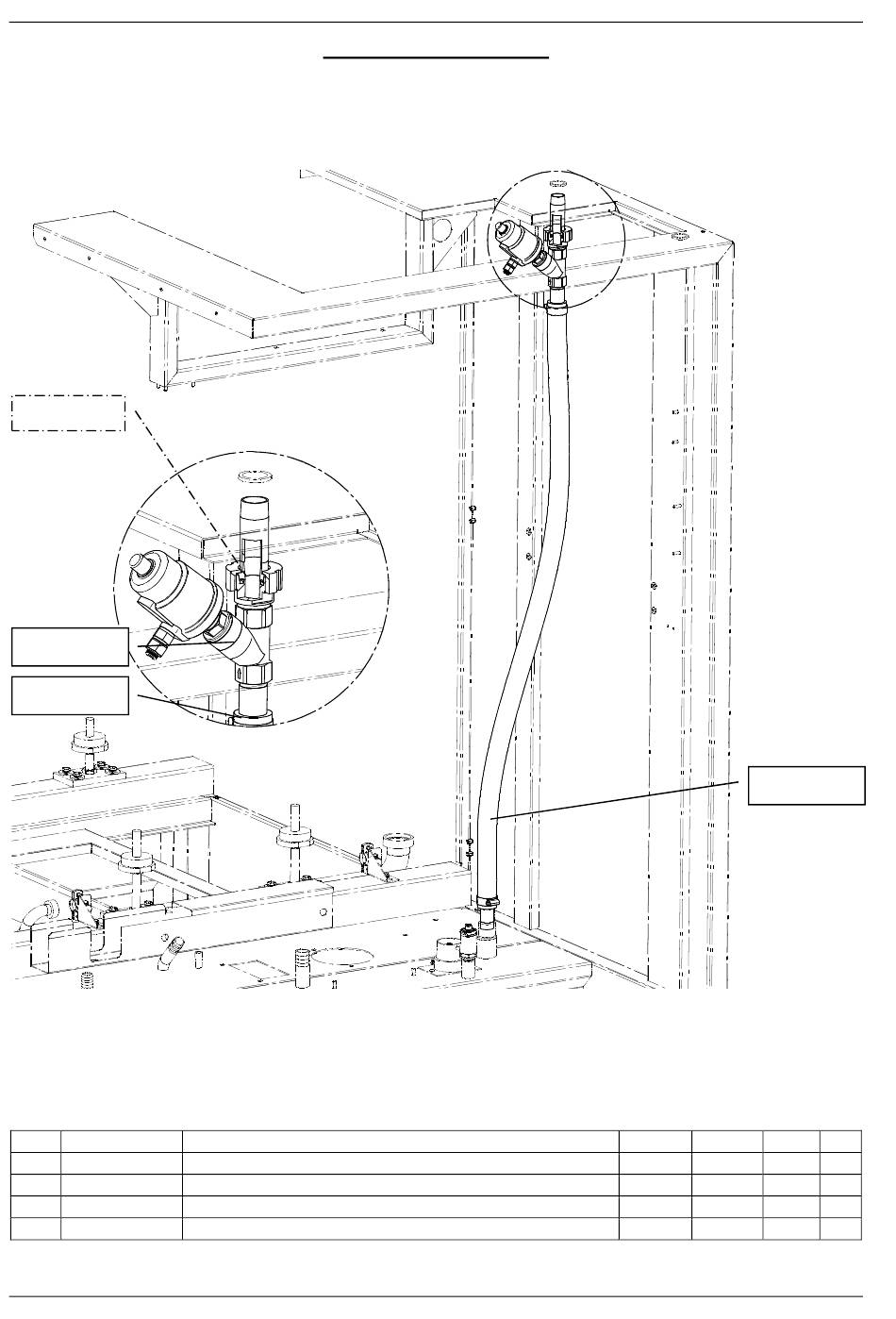
Ersatz- und Verschleißteile
2
4
3
Pos.: MAFAC-Nr.:
1
20000684
2
30027620
3
30000121
4
50007796
17.115.944

Frischwasser-Versorgung

Benennung
Schlauch
Dichtring
Schlauchschelle
Schrägsitzventil
106
Menge
Einheit
E/V
1300
mm
E
1
Stück
V
2
Stück
E
1
Stück
E
0816©MAFAC
1
WR
Inhaltsverzeichnis
loading

Inhaltsverzeichnis