Anmelden
Hochladen
Herunterladen
Zu meinen Handbüchern
Löschen
Teilen
URL dieser Seite:
HTML-Link:
Lesezeichen hinzufügen
Hinzufügen
Handbuch wird automatisch zu "Meine Handbücher" hinzugefügt
Diese Seite drucken
×
Lesezeichen wurde hinzugefügt
×
Zu meinen Handbüchern hinzugefügt
Anleitungen
Marken
Dimplex Anleitungen
Wärmepumpen
SI 26TU
Montage- und gebrauchsanweisungen
Dimplex SI 26TU Montage- Und Gebrauchsanweisungen Seite 54
Sole-wasser-wärmepumpe fur innenaufstellung
Vorschau ausblenden
Andere Handbücher für SI 26TU
:
Montage- und gebrauchsanweisungen
(68 Seiten)
1
2
3
4
5
6
7
8
9
10
11
12
13
14
15
16
17
18
19
20
21
22
23
24
25
26
27
28
29
30
31
32
33
34
35
36
37
38
39
40
41
42
43
44
45
46
47
48
49
50
51
52
53
54
55
56
57
58
59
60
61
62
63
64
65
66
67
68
Seite
von
68
Vorwärts
/
68
Inhalt
Inhaltsverzeichnis
Fehlerbehebung
Lesezeichen
Verfügbare Sprachen
DE
EN
FR
Verfügbare Sprachen
DEUTSCH, seite 1
ENGLISH, page 17
FRANÇAIS, page 31
Anhang · Appendix · Annexes
SI 26TU - SI 35TU
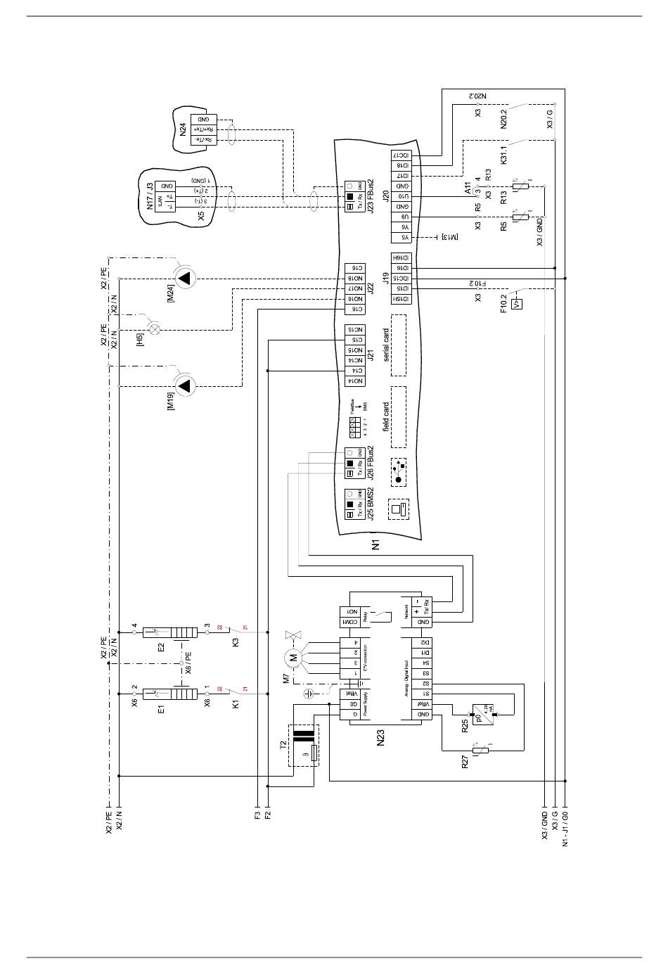
3.5 Anschlussplan / Connection Plan / Schéma de connexion SI 26TU
A-X
452237.66.48a · FD 0108
www.glendimplex.de
Inhalt
sverzeichnis
Vorherige
Seite
Nächste
Seite
1
...
51
52
53
54
55
56
57
58
Kapitel
Deutsch
3
English
17
Français
31
Fehlerbehebung
Pflege / Reinigung
11
Cleaning / maintenance
25
Verwandte Anleitungen für Dimplex SI 26TU
Wärmepumpen Dimplex SI 35TU Montage- Und Gebrauchsanweisungen
Sole/wasserwärmepumpe für innenaufstellung (68 Seiten)
Wärmepumpen Dimplex LA 6MR Installationsanleitung
Wärmepumpen mit veraeinfachter regelung (58 Seiten)
Wärmepumpen Dimplex SI 8 MR Montage- Und Gebrauchsanweisung
Sole/wasser wärmepumpe für innenaufstellung (56 Seiten)
Wärmepumpen Dimplex SI 5CS Montageanweisung Und Gebrauchsanweisung
Sole-wasser-wärmepumpe für innenaufstellung (40 Seiten)
Wärmepumpen Dimplex SI 7CS Montage- Und Gebrauchsanweisungen
Sole/wasser-wärmepumpe fuer innenaufstellung (48 Seiten)
Wärmepumpen Dimplex SI 37TE Montage- Und Gebrauchsanweisungen
(56 Seiten)
Wärmepumpen Dimplex SI 24TE Montage- Und Gebrauchsanweisung
Sole/wasserwärmepumpe für innenaufstellung (52 Seiten)
Wärmepumpen Dimplex SI 24TE Gebrauchsanweisung
Sole/wasser-wärmepumpe für innenaufstellung (22 Seiten)
Wärmepumpen Dimplex SI 24TE Gebrauchsanweisung
(24 Seiten)
Wärmepumpen Dimplex SI 22TU Montage- Und Gebrauchsanweisung
Sole/wasserwärmepumpe für innenaufstellung (56 Seiten)
Wärmepumpen Dimplex SI 22TU Montage- Und Gebrauchsanweisung
Sole/wasserwärmepumpe für innenaufstellung (44 Seiten)
Wärmepumpen Dimplex SI 22TU Montage- & Bedienungsanleitung/Gebrauchsanweisung
(60 Seiten)
Wärmepumpen Dimplex SI 5TE Montage- Und Gebrauchsanweisung
Sole/wasserwärmepumpe für innenaufstellung (33 Seiten)
Wärmepumpen Dimplex SI 7TE Montage- Und Gebrauchsanweisungen
(64 Seiten)
Wärmepumpen Dimplex SIH 20TE Montage- Und Gebrauchsanweisung
(52 Seiten)
Wärmepumpen Dimplex SI 7 KS Montage- Und Gebrauchsanleitug
Sole/wasser-wärmepumpe fuer innenaufstellung (44 Seiten)
Verwandte Produkte für Dimplex SI 26TU
Dimplex SI 20 TR
Dimplex SI 21CS
Dimplex SI 24TE
Dimplex SI 22TU
Dimplex SI 21TE
Dimplex SI 7CS
Dimplex SI 17CS
Dimplex SI 9CS
Dimplex SIK 7 TE
Dimplex SI 5MSR
Dimplex SIH 11TE
Dimplex SI 75TER+
Dimplex SI 7USR
Dimplex SI 11USR
Dimplex SI 75TE
Dimplex SI 100TE
Diese Anleitung auch für:
Si 35tu
Drucken
Lesezeichen umbenennen
Lesezeichen löschen?
Möchten Sie es aus Ihren Handbüchern löschen?
Anmelden
Anmelden
ODER
Mit Facebook anmelden
Mit Google anmelden
Anleitung hochladen
Von PC hochladen
Von URL hochladen