Herunterladen Inhalt Inhalt Diese Seite drucken

Hach 9525sc DCCP System Bedienungsanleitung Seite 71

Vorschau ausblenden Andere Handbücher für 9525sc DCCP System:
Inhaltsverzeichnis
Verfügbare Sprachen
  • DE

Verfügbare Sprachen

  • DEUTSCH, seite 30
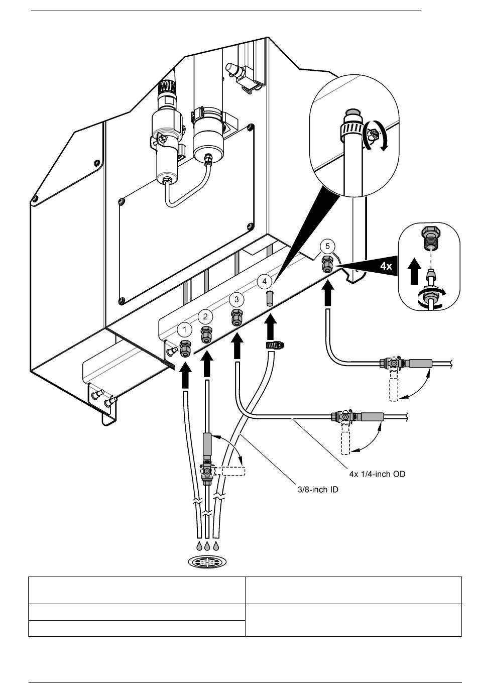
Figura 7 Collegamento dell'acqua di campionamento e dell'acqua di raffreddamento
1 Uscita campione
2 Uscita dell'acqua di raffreddamento
3 Ingresso dell'acqua di raffreddamento
4 Scarico della condensa (diametro esterno
di pollici, in acciaio inossidabile)
4
5 Ingresso dell'acqua di campionamento
4
3
/
8
Italiano 71
Inhaltsverzeichnis
loading

Inhaltsverzeichnis