Herunterladen Inhalt Inhalt Diese Seite drucken

Bosch MS 200 Handbuch Seite 85

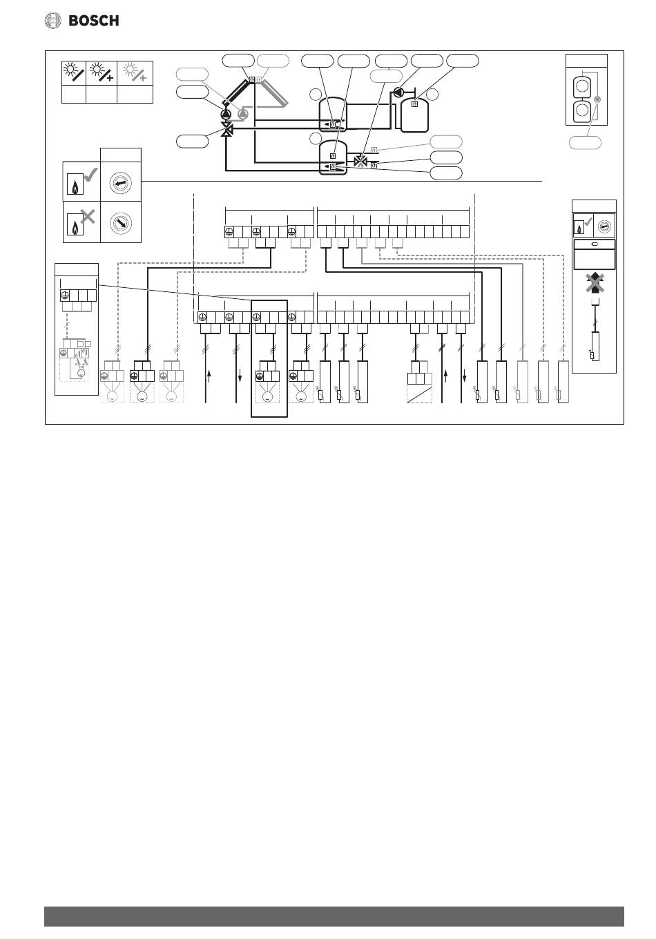
Solarmodul
Inhaltsverzeichnis
Verfügbare Sprachen

Verfügbare Sprachen

1 B D I
G H K
MS 200
4 5 6
4 5 6
3
3
7
7
2
2
8
8
1
1
9
9
10
10
0
0
4 5 6
3
7
2
8
1
9
10
10
0
H
VS1/PS2/PS3
VS1/PS2/PS3
VS1/PS2/PS3
N 74 75
N 74 75
N 74 75
4
74 75
N
N
M
M
N L
N L
VS3
M
M
PS6
VS2
PS4
28
1BDI (GHK)
MS 200 – 6720879918 (2017/11)
TS1
TS7
PS4
PS1
G
VS2
120/230 V AC
PS5
VS2
N
63
N 43
44
120/230 V AC
VS1/PS2/PS3
120/230VAC 120/230VAC
N L
N
L
N 74
75
N L
N L
M
M
230 V AC
230 V AC
VS1
TS2
TS3
VS1
PS6
VS3
1
2
H
24 V
PS4
TS4 TS5
TS6
TS7
TS8
N 63
1 2 1 2
1 2
1 2
1 2
1 2 3 4 1
24 V
PS1
TS1 TS2
TS3
IS1
OS1
N 63
1 2 1 2
1 2
1 2 3 4 1
2 3
N L
1 2
PWM
M
0-10V
PS1
TS1
TS2 TS3
PS1
TS9
3
TS8
TS4
TS5
IS2
OS2
2 3
BUS
BUS
1 2
1 2
3
BUS BUS
TS4
TS5
TS9
TS7 TS8
K
3
1
PS6
I
4 5 6
3
7
2
8
1
9
10
0
MS 200
TS9
0 010 013 400-002
85
Inhaltsverzeichnis
loading

Inhaltsverzeichnis