Anmelden
Hochladen
Herunterladen
Inhalt
Inhalt
Zu meinen Handbüchern
Löschen
Teilen
URL dieser Seite:
HTML-Link:
Lesezeichen hinzufügen
Hinzufügen
Handbuch wird automatisch zu "Meine Handbücher" hinzugefügt
Diese Seite drucken
×
Lesezeichen wurde hinzugefügt
×
Zu meinen Handbüchern hinzugefügt
Anleitungen
Marken
alpha innotec Anleitungen
Wärmepumpen
SWC
Betriebsanleitung
alpha innotec SWC Betriebsanleitung Seite 39
V-serie
Vorschau ausblenden
1
Inhalt
2
3
4
5
6
7
8
9
10
11
12
13
14
15
16
17
18
19
20
21
22
23
24
25
26
27
28
29
30
31
32
33
34
35
36
37
38
39
40
41
42
43
44
45
46
47
48
Seite
von
48
Vorwärts
/
48
Inhalt
Inhaltsverzeichnis
Fehlerbehebung
Lesezeichen
Inhaltsverzeichnis
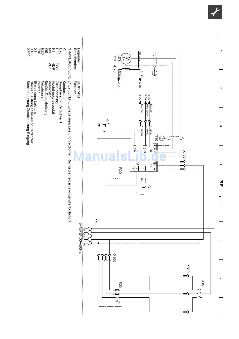
Stromlaufplan 1/3
Technische Änderungen vorbehalten | 83057000cDE – Originalbetriebsanleitung | ait-deutschland GmbH
C
S
R
PE
braun
blau
PE
braun
braun
SWCV 62(H)(K)3
1
2
4
1
2
1
4
3
3
6
5
5
39
Inhalt
sverzeichnis
Vorherige
Seite
Nächste
Seite
1
...
36
37
38
39
40
41
42
43
Quicklinks anzeigen
Quicklinks:
Technische Daten/Lieferumfang
Quicklinks ausblenden:
Permanent
Temporär
Abbrechen
Inhaltsverzeichnis
Verwandte Anleitungen für alpha innotec SWC
Wärmepumpen alpha innotec SWC-Serie Betriebsanleitung
Sole/wasser-wärmepumpen (60 Seiten)
Wärmepumpen Alpha innotec SWC V-Serie Betriebsanleitung
(52 Seiten)
Wärmepumpen alpha innotec SWCV Series Betriebsanleitung
(52 Seiten)
Wärmepumpen alpha innotec SWCV H1 Serie Betriebsanleitung
Sole/wasser-wärmepumpen (48 Seiten)
Wärmepumpen ALPHA INNOTEC SW 302H3 Betriebsanleitung
Sole/wasser-wärmepumpen (40 Seiten)
Wärmepumpen alpha innotec SW 302H3 Betriebsanleitung
Sole/wasser-wärmepumpen (20 Seiten)
Wärmepumpen alpha innotec SW 232H3 Betriebsanleitung
(40 Seiten)
Wärmepumpen alpha innotec SWP Betriebsanleitung
Sole/wasser-wärmepumpen (60 Seiten)
Wärmepumpen Alpha-InnoTec SWP 430 EKZ Betriebsanleitung
(80 Seiten)
Wärmepumpen alpha innotec SW 42K3 Betriebsanleitung
Sole/wasser-wärmepumpen (60 Seiten)
Wärmepumpen alpha innotec SW-Serie Betriebsanleitung
Sole/wasser-wärmepumpen (20 Seiten)
Wärmepumpen alpha innotec SWP-series Betriebsanleitung
(60 Seiten)
Wärmepumpen alpha innotec SWP Serie Betriebsanleitung
(60 Seiten)
Wärmepumpen alpha innotec SW H1 Serie Betriebsanleitung
(20 Seiten)
Wärmepumpen alpha innotec SW H1 Serie Betriebsanleitung
(40 Seiten)
Wärmepumpen alpha innotec SW 302H3 DS01 Betriebsanleitung
Sole/wasser-wärmepumpen (36 Seiten)
Verwandte Produkte für alpha innotec SWC
Alpha Innotec SWC Serie
Alpha innotec SWC V-Serie
alpha innotec SWCV Series
alpha innotec SWC 42H3
alpha innotec SWC 142H3
alpha innotec SWC 172H3
alpha innotec SWC 82H3
alpha innotec SWC 192H3
alpha innotec SWC 102H3
alpha innotec SWC 42K3
alpha innotec SWC 142K3
alpha innotec SWC 122K3
alpha innotec SWC 82K3
alpha innotec SWC 102K3
alpha innotec SWC 42H1
alpha innotec SWC 172K3
Inhaltsverzeichnis
Drucken
Lesezeichen umbenennen
Lesezeichen löschen?
Möchten Sie es aus Ihren Handbüchern löschen?
Anmelden
Anmelden
ODER
Mit Facebook anmelden
Mit Google anmelden
Anleitung hochladen
Von PC hochladen
Von URL hochladen