Herunterladen Inhalt Inhalt Diese Seite drucken

Schaltplan Für Stern-Dreieck-Anlauf 230 V ∆ / 400 V Y - Gea Hgx5 R1343A Montageanleitung

Inhaltsverzeichnis
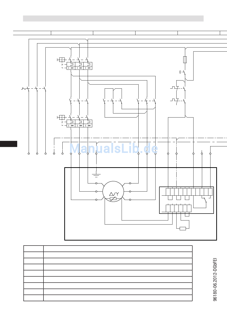
5.5 Schaltplan für Stern-Dreick-Anlauf 230 V ∆ / 400 V Y
0
Q1
D
GB
XSS
L1
L2
F
E
Abb. 15
R1
Kaltleiter (PTC-Fühler) Motorwicklung
R2
Wärmeschutzthermostat (PTC-Fühler)
F1.1 / 1.2 2 Motorschutzschalter
F2
Sicherung Steuerstromkreis
F3
Hochdrucksicherheitswächter
F4
Sicherheitskette (Hoch-/Niederdrucküberwachung)
F5
Öldifferenzdruckwächter
B1
Freigabeschalter (Thermostat)
Q1
Hauptschalter
18
Žnderung
Datum
1
F1.1
1
3
5
K1
2
4
6
F1.2
L3
N
PE
1
2
3
AnschluastenVerdichter
Datum
20.Feb.2009
Bearb.
Kelich
Gepr.
09.M„r.2010
Name
Norm
2
1
3
5
K3
K2
2
4
6
Y
D
PE
4
M1
U1
W2
M
V1
~
U2
3
W1
V2
R1
Urspr.
3
F2
4A
S1
F1.1
1
3
5
F1.2
2
4
6
5
6
7
8
X1 L1 L1 N
N 43 43 11
X2 1
2
3
4
R2
Ers..
4
9
10
11
L
S
M
12
14
5 6
MP10
Ers.d.
Inhaltsverzeichnis
loading

Diese Anleitung auch für:

Hgx5 r134aHg4

Inhaltsverzeichnis