Herunterladen Inhalt Inhalt Diese Seite drucken

FriFri Basic+ Installations- Und Benutzerhandbuch Seite 43

Inhaltsverzeichnis
Verfügbare Sprachen

Verfügbare Sprachen

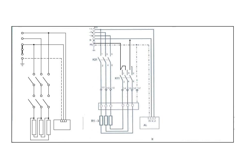
9. Elektro Schema
X11
L3
L2
L1
N=L3
PE
K21
K11
AL
R1 - 3
3~400 V / 3L + PE / 50 - 60 HZ
3~230 V / 3L + PE / 50 - 60 HZ
Schéma électrique
L
PE L1 L3
für 15 kW friteusen
230 V / L + N + PE / 50 - 60Hz
pour friteuse 15 kW
for 15 kW fryers
per friggitrici 15 kW
Wiring
diagram
Schema
elettrico
Inhaltsverzeichnis
loading

Diese Anleitung auch für:

Basic built-in

Inhaltsverzeichnis