Herunterladen Inhalt Inhalt Diese Seite drucken

5.4.3.2. Schaltplan - Metasys Excom Hybrid 1S Gebrauchsanweisung

Vorschau ausblenden Andere Handbücher für EXCOM hybrid 1s:
Inhaltsverzeichnis
EXCOM hybrid 5 - 400 V
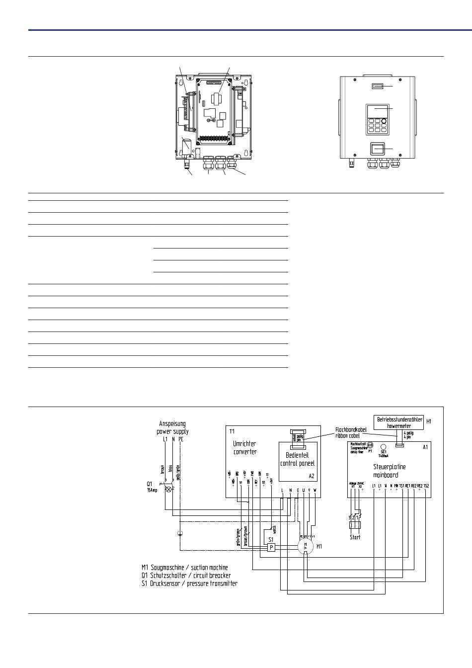
A1
Steuerplatine EXCOM
A2
Bedienpaneel
H1
Betriebsstundenzähler
Q1
Geräteschutzschalter
S1
Drucksensor
T1
Frequenzumrichter
W1
Steuerkabel Saugmaschine
W2
Netzanschluss
W3
Steuerkabel Ablagekontakt
W4
Anschluss Unterdruck
T1
Frequenzumrichter

5.4.3.2. Schaltplan

EXCOM hybrid 5 - 230 V
A1
T1
S1
W4
W1
W2
W3
230 V
400 V
In = 15 A
In = 8 A
Un = 240 V
Un = 415 V
Icu = 2 KA
Icu = 2 KA
Vorbereitung für den Gebrauch
|
H1
A2
Q1
DE
35

Quicklinks ausblenden:

Inhaltsverzeichnis
loading

Diese Anleitung auch für:

Excom hybrid 1Excom hybrid 2Excom hybrid 5

Inhaltsverzeichnis