Herunterladen Inhalt Inhalt Diese Seite drucken

bosal 028481 Montageanleitung Seite 2

Vorschau ausblenden Andere Handbücher für 028481:
Inhaltsverzeichnis
De tussenruimte conform supplement VII, afbeelding 30 van de richtlijn 94/20/EG moet in acht worden genomen.
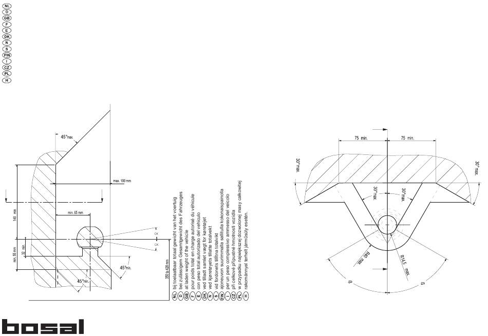
Der Freiraum nach Anhang VII, Abbildung 30 der Richtlinie 94/20/EG ist zu gewährleisten.
The clearance specified in appendix VII, diagram 30 of guideline 94/20/EC must be guaranteed.
La zone de dégagement doit être garantie conformément à l'annexe VII, illustration 30 de la directive 94/20/CE.
Debe garantizarse el espacio libre, conforme al anexo VII, figura 30 de la directiva comunitaria CE/94/20.
Frirummet skal overholdes iht. bilag VII, fig. 30 i direktiv 94/20/EU.
Frirommet etter tillegg VII, figur 30 i direktiv 94/20/EEC skal overholdes.
Spelrummet enligt bilaga VII, figur 30 i riktlinje 94/20/EG skall garanteras.
Vapaa tila on taattava direktiivin 94/20/EY liitteen VII, kuvan 30 mukaisesti.
Deve essere garantito lo spazio libero secondo l'allegato VII, figura 30 della direttiva 94/20/CE.
Volný prostor ve smyslu Přílohy VII, obr. 30 Směrnice č. 94/20/ES musí být zaručen.
Należy zagwarantować wolną wysokość określoną na rysunku nr 30 dyrektywy 94/20/WE zawartej w załączniku nr VII.
A 94/20/EK irányelv VII. mellékletében, a 30. ábrán a vonógömb elhelyezése számára előírt szabad tér-adatokat biztosítani kell.
2/14
Inhaltsverzeichnis
loading

Inhaltsverzeichnis