Anmelden
Hochladen
Herunterladen
Inhalt
Inhalt
Zu meinen Handbüchern
Löschen
Teilen
URL dieser Seite:
HTML-Link:
Lesezeichen hinzufügen
Hinzufügen
Handbuch wird automatisch zu "Meine Handbücher" hinzugefügt
Diese Seite drucken
×
Lesezeichen wurde hinzugefügt
×
Zu meinen Handbüchern hinzugefügt
Anleitungen
Marken
RAVAGLIOLI Anleitungen
Hebebühnen
RAV4412BMW
Übersetzung der originalanleitung
RAVAGLIOLI RAV4412BMW Übersetzung Der Originalanleitung Seite 88
Vorschau ausblenden
Andere Handbücher für RAV4412BMW
:
Originalanleitung
(4 Seiten)
1
2
3
4
5
6
7
8
9
10
11
12
13
14
15
16
17
18
19
20
21
22
23
24
25
26
27
28
29
30
31
32
33
34
35
36
37
38
39
40
41
42
43
44
45
46
47
48
49
50
51
52
53
54
55
56
57
58
59
60
61
62
63
64
65
66
67
68
69
70
71
72
73
74
75
76
77
78
79
80
81
82
83
84
85
86
87
88
89
90
91
92
93
94
95
96
97
98
99
100
101
102
103
104
105
106
107
108
109
110
111
112
Seite
von
112
Vorwärts
/
112
Inhalt
Inhaltsverzeichnis
Lesezeichen
Inhaltsverzeichnis
11
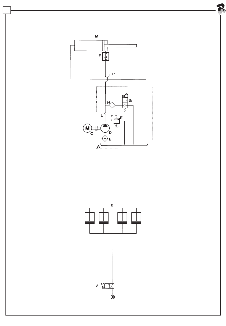
SCHEMA OLEODINAMICO - HYDRAULIC DIAGRAM
SCHEMA PNEUMATICO - PNEUMATIC DIAGRAM
88
0722-M002-0
Inhalt
sverzeichnis
Vorherige
Seite
Nächste
Seite
1
...
85
86
87
88
89
90
91
92
Inhaltsverzeichnis
Verwandte Anleitungen für RAVAGLIOLI RAV4412BMW
Hebebühnen RAVAGLIOLI RAV4412BMW Originalanleitung
Elektro-hydraulische 4-säulen hebebühnen (4 Seiten)
Hebebühnen RAVAGLIOLI RAV4300 Bedienungsanleitung
Elektro-hydraulische 4-säulen hebebühnen (112 Seiten)
Hebebühnen RAVAGLIOLI RAV4401 T Originalbetriebsanleitung
(128 Seiten)
Hebebühnen RAVAGLIOLI ECG440W Übersetzung Der Original-Anleitung
Elektro-hydraulische 4-säulen hebebühnen (160 Seiten)
Hebebühnen RAVAGLIOLI TECG440 Übersetzung Der Original-Anleitung
(168 Seiten)
Hebebühnen RAVAGLIOLI RAV4300 Originalanleitung
(168 Seiten)
Hebebühnen RAVAGLIOLI RAV4352 Bedienungsanleitung
Elektro-hydraulische 4-saulen hebebühnen (104 Seiten)
Hebebühnen RAVAGLIOLI RAV4352 Bedienungsanleitung
Elektro-hydraulische 4-säulen hebebühnen (181 Seiten)
Hebebühnen Ravaglioli RAV4351 SI Anleitung
(176 Seiten)
Hebebühnen RAVAGLIOLI RAV4406MB Übersetzung Der Original-Anleitung
Elektro-hydraulische 4-säulen hebebühnen (91 Seiten)
Hebebühnen RAVAGLIOLI RAV4405MB Übersetzung Der Original-Anleitung
Elektro-hydraulische 4-säulen hebebühnen (93 Seiten)
Hebebühnen Ravaglioli RAV4351.1 TIMOT4 Übersetzung Der Originalanleitung
Elektro-hydraulische 4-säulen-hebebühnen (190 Seiten)
Hebebühnen RAVAGLIOLI RAV4300 A3 Bedienungsanleitung
(28 Seiten)
Hebebühnen RAVAGLIOLI RAV4351IPD MOT4 Bedienungsanleitung
Elektro-hydraulische 4-säulen-hebebühnen (80 Seiten)
Hebebühnen Ravaglioli RAV242VS1094 Übersetzung Der Originalanleitung
(82 Seiten)
Hebebühnen RAVAGLIOLI RAV241 VS 1036 Übersetzung Der Originalanleitung
(82 Seiten)
Verwandte Produkte für RAVAGLIOLI RAV4412BMW
RAVAGLIOLI RAV4401 T
RAVAGLIOLI RAV4406MB
RAVAGLIOLI RAV4405 E
Ravaglioli RAV4401 SI
Ravaglioli RAV4401T
Ravaglioli RAV4400.3 IMOT4
Ravaglioli RAV4401.3 IMOT4
Ravaglioli RAV4406.3 IMOT4
Ravaglioli RAV4401.1 IMOT4
RAVAGLIOLI RAV4401DC
RAVAGLIOLI RAV.4406L.194992
RAVAGLIOLI RAV4406E
RAVAGLIOLI RAV.4402X.194350
RAVAGLIOLI RAV4400PD
RAVAGLIOLI RAV4400IPD MOT7
RAVAGLIOLI RAV4400I MOT7
Inhaltsverzeichnis
Drucken
Lesezeichen umbenennen
Lesezeichen löschen?
Möchten Sie es aus Ihren Handbüchern löschen?
Anmelden
Anmelden
ODER
Mit Facebook anmelden
Mit Google anmelden
Anleitung hochladen
Von PC hochladen
Von URL hochladen