Anmelden
Hochladen
Herunterladen
Inhalt
Inhalt
Zu meinen Handbüchern
Löschen
Teilen
URL dieser Seite:
HTML-Link:
Lesezeichen hinzufügen
Hinzufügen
Handbuch wird automatisch zu "Meine Handbücher" hinzugefügt
Diese Seite drucken
×
Lesezeichen wurde hinzugefügt
×
Zu meinen Handbüchern hinzugefügt
Anleitungen
Marken
Astralpool Anleitungen
Wärmepumpen
APH3 INVERBOOST
Benutzer- und wartungshandbuch
Astralpool APH3 INVERBOOST Benutzer- Und Wartungshandbuch Seite 17
Schwimmbad-wärmepumpe
Vorschau ausblenden
Andere Handbücher für APH3 INVERBOOST
:
Benutzer- und wartungshandbuch
(314 Seiten)
,
Benutzer- und wartungshandbuch
(316 Seiten)
1
2
3
Inhalt
4
5
6
7
8
9
10
11
12
13
14
15
16
17
18
19
20
21
22
23
24
25
26
27
28
29
30
31
32
33
34
35
36
37
38
39
40
41
42
43
44
45
46
47
48
49
50
Seite
von
50
Vorwärts
/
50
Inhalt
Inhaltsverzeichnis
Lesezeichen
Inhaltsverzeichnis
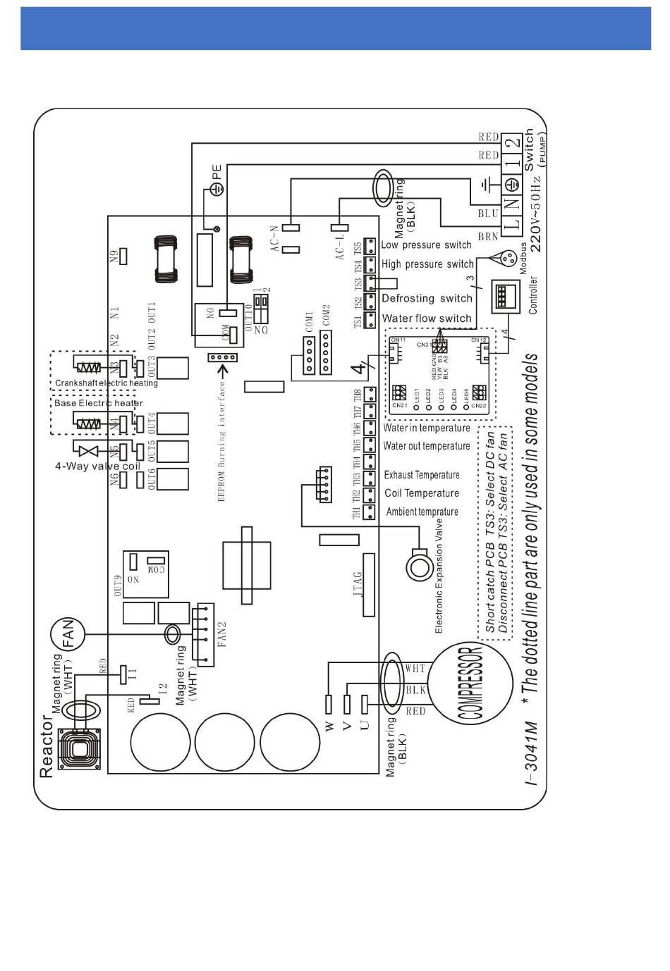
6.2 Inverter-Schwimmbad-Wärmepumpe-Schaltplan
Ref.68837/68838/68839
Elektrische Verdrahtung mit MODBUS-Modul
6.Elektronische
6.Elektronische
6.Elektronische
- 187 -
Anschlü
Anschl
Anschl
ü
ü
sse
sse
sse
Inhalt
sverzeichnis
Vorherige
Seite
Nächste
Seite
1
...
14
15
16
17
18
19
20
21
Quicklinks anzeigen
Quicklinks:
Spezifikationen
Inbetriebnahme der Wärmepumpe
Fehlercode Anzeige auf dem Led-Display
Quicklinks ausblenden:
Permanent
Temporär
Abbrechen
Inhaltsverzeichnis
Verwandte Anleitungen für Astralpool APH3 INVERBOOST
Wärmepumpen Astralpool APH3 INVERBOOST Benutzer- Und Wartungshandbuch
Schwimmbad-wärmepe (316 Seiten)
Wärmepumpen Astralpool APH3 INVERBOOST Benutzer- Und Wartungshandbuch
Schwimmbad-wärmepumpe (314 Seiten)
Wärmepumpen Astralpool AC6 Bedienungsanleitung
Kompaktwärmepumpen mit horizontalem luftaustritt (31 Seiten)
Wärmepumpen Astralpool ASTRALPOOLHEAT serie Technisches Handbuch, Inbetriebnahme Und Betriebsweise
(40 Seiten)
Wärmepumpen Astralpool PRO ELYO INVERBOOST NN Benutzer- Und Wartungshandbuch
(281 Seiten)
Wärmepumpen Astralpool PRO ELYO INVERBOOST NN Benutzer- Und Wartungshandbuch
(418 Seiten)
Wärmepumpen Astralpool PRO-ELYO INVERBOOST Benutzer- Und Wartungshandbuch
Schwimmbad-wärmepumpe (174 Seiten)
Wärmepumpen Astralpool PRO-ELYO INVERBOOST Benutzer- Und Wartungshandbuch
Schwimmbad-wärmepumpe (304 Seiten)
Wärmepumpen Astralpool TOP5 Betriebsanleitung
(15 Seiten)
Wärmepumpen Astralpool ELYO SMART NN series Benutzer- Und Wartungshandbuch
Schwimmbad-wärmepumpe (293 Seiten)
Wärmepumpen Astralpool EVOLine Serie Bedienungsanleitung
(128 Seiten)
Wärmepumpen Astralpool 66069-R32 Bedienungsanleitung
(165 Seiten)
Wärmepumpen Astralpool Eco Elyo-05 Bedienungsanleitung
(30 Seiten)
Wärmepumpen Astralpool Eco Elyo Kurz- Oder Schnellstartanleitung
(113 Seiten)
Wärmepumpen Astralpool EVOLine serie Bedienungsanleitung
(86 Seiten)
Wärmepumpen Astralpool 76662 Kurz- Oder Schnellstartanleitung
(137 Seiten)
Verwandte Produkte für Astralpool APH3 INVERBOOST
Astralpool AC6
Astralpool AC10
Astralpool AC8
Astralpool AC17
Astralpool AC13
Astralpool AC15
Astralpool ASTRALPOOLHEAT serie
Astralpool AP SD-PH
Astralpool AP SD-ORP
Astralpool AP SD-PPM
Astralpool AP PR-204
Astralpool AP PR-206
Astralpool AP PR-207
Astralpool APR-3 Serie
Astralpool ASTRAL Sel Clear E4
Astralpool NanoFiber Auto 67357
Diese Anleitung auch für:
68837
68838
68839
68840
Inhaltsverzeichnis
Drucken
Lesezeichen umbenennen
Lesezeichen löschen?
Möchten Sie es aus Ihren Handbüchern löschen?
Anmelden
Anmelden
ODER
Mit Facebook anmelden
Mit Google anmelden
Anleitung hochladen
Von PC hochladen
Von URL hochladen