Herunterladen Inhalt Inhalt Diese Seite drucken

Hydrauliksystem - Handicare Handilift Einbauanleitungen

Vorschau ausblenden Andere Handbücher für handilift:
Inhaltsverzeichnis
13 - Anhänge
13.3

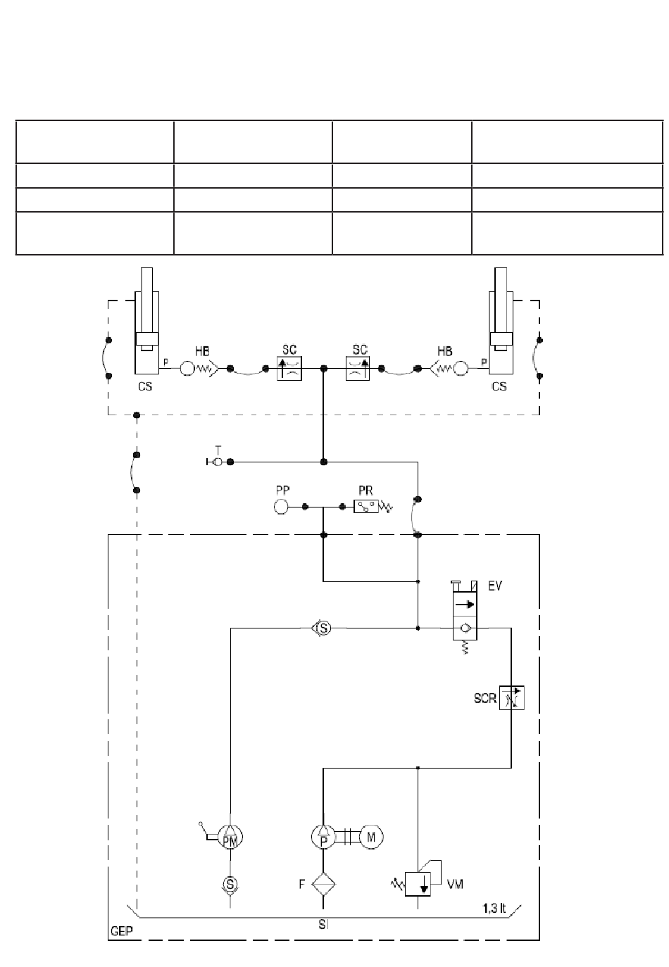
Hydrauliksystem

CS: Hydraulikzylinder
EV: Elektroventil
F: Saugfilter
VM: Druckbegren-
zungsventil
52
HB: Rohrbruchventil
M: Elektromotor
P: Hydraulikpumpe
PM: manuelle Pumpe
handilift
ROLLSTUHLLIFT
PP: Druckanschluss
PR: Druckschalter
S: Rückschlagventil
SC: Drosselklappe
SCR: verstellbare Drosselk-
lappe
SI: Tank
T: Kappe
GEP: Elektropumpe

Quicklinks ausblenden:

Inhaltsverzeichnis
loading

Inhaltsverzeichnis