Anmelden
Hochladen
Herunterladen
Zu meinen Handbüchern
Löschen
Teilen
URL dieser Seite:
HTML-Link:
Lesezeichen hinzufügen
Hinzufügen
Handbuch wird automatisch zu "Meine Handbücher" hinzugefügt
Diese Seite drucken
×
Lesezeichen wurde hinzugefügt
×
Zu meinen Handbüchern hinzugefügt
Anleitungen
Marken
Dimplex Anleitungen
Wärmepumpen
SIKH9ME
Gebrauchsanweisung
Anschlussplan / Circuit Diagram / Schéma Électrique - Dimplex Sikh9Me Gebrauchsanweisung
Vorschau ausblenden
Andere Handbücher für SIKH9ME
:
Gebrauchsanweisung
(52 Seiten)
1
2
3
4
5
6
7
8
9
10
11
12
13
14
15
16
17
18
19
20
21
22
23
24
25
26
27
28
29
30
31
32
33
34
35
36
37
38
39
40
Seite
von
40
Vorwärts
/
40
Inhalt
Inhaltsverzeichnis
Fehlerbehebung
Lesezeichen
Verfügbare Sprachen
DE
EN
FR
Verfügbare Sprachen
DEUTSCH, seite 1
ENGLISH, page 13
FRANÇAIS, page 21
3.3
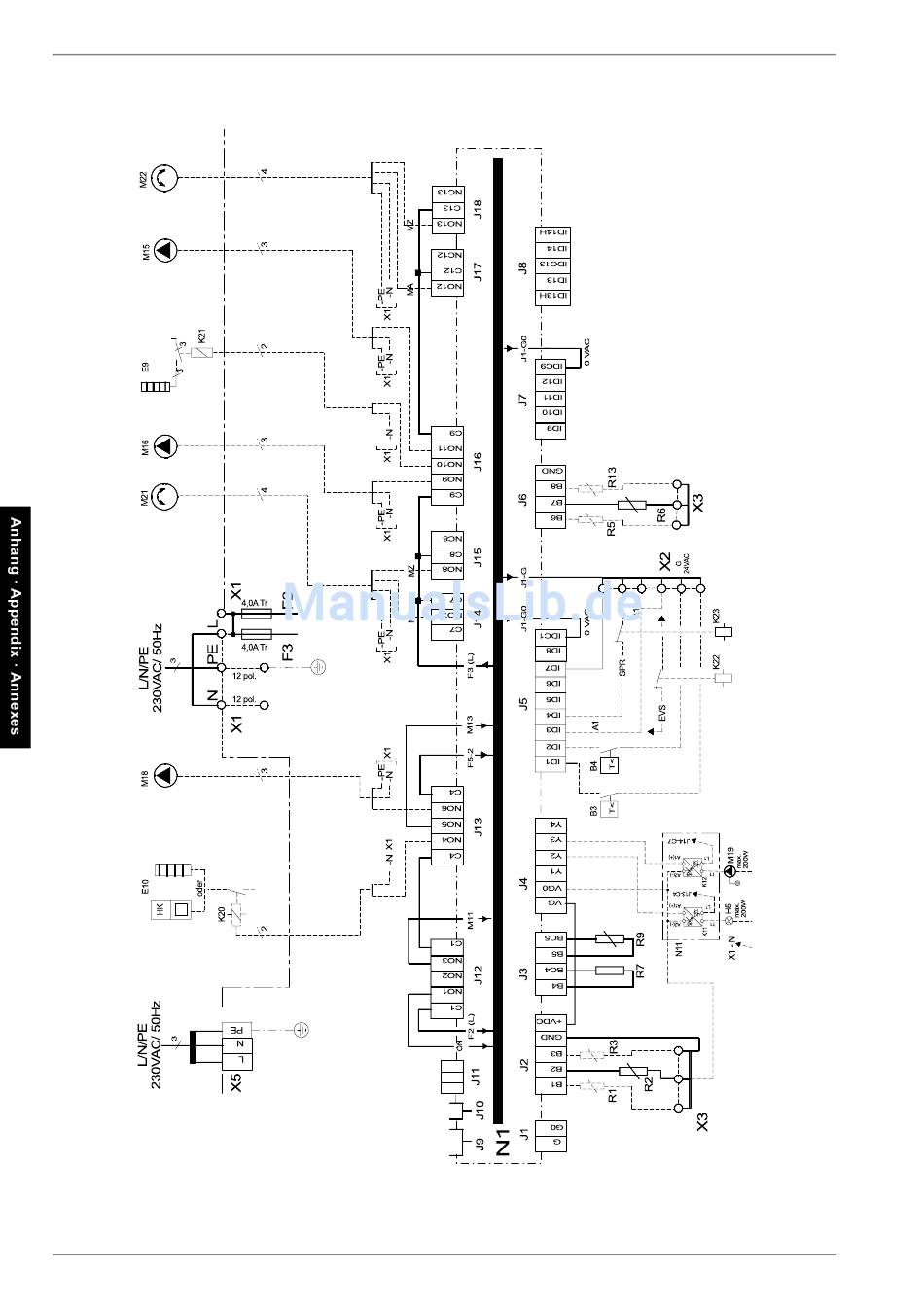
3.3 Anschlussplan / Circuit Diagram / Schéma électrique
A-VI
Inhalt
sverzeichnis
Vorherige
Seite
Nächste
Seite
1
...
31
32
33
34
35
36
37
38
Kapitel
Deutsch
3
English
13
Français
21
Verwandte Anleitungen für Dimplex SIKH9ME
Wärmepumpen Dimplex SIKH9ME Gebrauchsanweisung
(52 Seiten)
Wärmepumpen Dimplex SIK 7 TE Montage- Und Gebrauchsanweisung
Sole/wasserwärmepumpe für innenaufstellung (44 Seiten)
Wärmepumpen Dimplex SIK 7 TE Montage- Und Gebrauchsanweisung
Sole/wasserwärmepumpe für innenaufstellung (56 Seiten)
Wärmepumpen Dimplex SIKH 6 TE Gebrauchsanweisung
Sole/wasser-wärmepumpe für innenaufstellung (40 Seiten)
Wärmepumpen Dimplex SIK 6 TES Montage- Und Gebrauchsanweisung
Sole/wasserwärmepumpe für innenaufstellung (56 Seiten)
Wärmepumpen Dimplex SIK 6TES Montage- & Bedienungsanleitung/Gebrauchsanweisung
(72 Seiten)
Wärmepumpen Dimplex SIK 11 ME Montage- Und Gebrauchsanweisung
Für innenaufstellung (52 Seiten)
Wärmepumpen Dimplex LA 6MR Installationsanleitung
Wärmepumpen mit veraeinfachter regelung (58 Seiten)
Wärmepumpen Dimplex SIH 20TE Gebrauchsanweisung
(52 Seiten)
Wärmepumpen Dimplex SI 5MER Montage- Und Gebrauchsanweisung
Sole/wasserwärmepumpe für innenaufstellung (30 Seiten)
Wärmepumpen Dimplex SI 70TUR Montage- Und Gebrauchsanleitung
Reversible sole/wasserwärmepumpe für innenaufstellung (64 Seiten)
Wärmepumpen Dimplex SIJ 75TER+ Montageanweisung
Reversible sole/wasserwärmepumpe für innenaufstellung (68 Seiten)
Wärmepumpen Dimplex SIH 6ME Gebrauchsanweisung
(48 Seiten)
Wärmepumpen Dimplex SIH 90TU Montage- Und Gebrauchsanweisungen
(92 Seiten)
Wärmepumpen Dimplex SI 130TU Montage- Und Gebrauchsanweisungen
(72 Seiten)
Wärmepumpen Dimplex SI 11MS Montage- Und Gebrauchsanweisungen
Sole/wasser-wärmepumpe fuer innenaufstellung (40 Seiten)
Verwandte Inhalte für Dimplex SIKH9ME
LI 22HS Anschlussplan / Circuit Diagram / Schéma Électrique
Dimplex LI 22HS
LI 9TEL Anschlussplan / Circuit Diagram / Schéma Électrique
Dimplex LI 9TEL
WI 10TU Anschlussplan / Circuit Diagram / Schéma Électrique
Dimplex WI 10TU
LI 11ASR Anschlussplan / Circuit Diagram / Schéma Électrique
Dimplex LI 11ASR
SI 7BS Anschlussplan / Circuit Diagram / Schéma Électrique
Dimplex SI 7BS
LI 20TEL Anschlussplan / Circuit Diagram / Schéma Électrique
Dimplex LI 20TEL
SI 7 KS Anschlussplan / Circuit Diagram / Schéma Électrique
Dimplex SI 7 KS
WPL 80IRR Anschlussplan / Circuit Diagram / Schéma Électrique
Dimplex WPL 80IRR
LA 11PS Anschlussplan / Circuit Diagram / Schéma Électrique
Dimplex LA 11PS
LI 9TU Anschlussplan / Circuit Diagram / Schéma Électrique
Dimplex LI 9TU
LIK 12TU Anschlussplan / Circuit Diagram / Schéma Électrique
Dimplex LIK 12TU
LIH 22TE Anschlussplan / Circuit Diagram / Schéma Électrique
Dimplex LIH 22TE
LA 24AS Anschlussplan / Circuit Diagram / Schéma Électrique La 20As
Dimplex LA 24AS
452160.66.75 Anschlussplan / Circuit Diagram / Schéma Électrique
Dimplex 452160.66.75
LI 24TE Anschlussplan / Circuit Diagram / Schéma Électrique
Dimplex LI 24TE
LIKI 14TE Anschlussplan / Circuit Diagram / Schéma Électrique
Dimplex LIKI 14TE
Drucken
Lesezeichen umbenennen
Lesezeichen löschen?
Möchten Sie es aus Ihren Handbüchern löschen?
Anmelden
Anmelden
ODER
Mit Facebook anmelden
Mit Google anmelden
Anleitung hochladen
Von PC hochladen
Von URL hochladen