Anmelden
Hochladen
Herunterladen
Zu meinen Handbüchern
Löschen
Teilen
URL dieser Seite:
HTML-Link:
Lesezeichen hinzufügen
Hinzufügen
Handbuch wird automatisch zu "Meine Handbücher" hinzugefügt
Diese Seite drucken
×
Lesezeichen wurde hinzugefügt
×
Zu meinen Handbüchern hinzugefügt
Anleitungen
Marken
Dimplex Anleitungen
Wärmepumpen
LA 11MS
Montage- und gebrauchsanweisung
Stromlaufpläne / Circuit Diagrams / Schémas Électriques; Steuerung / Control / Commande La 11Ms - Dimplex La 11Ms Montage- Und Gebrauchsanweisung
Luft/wasserwärmepumpe für außenaufstellung
Vorschau ausblenden
Andere Handbücher für LA 11MS
:
Montage- und gebrauchsanweisung
(48 Seiten)
1
2
3
4
5
6
7
8
9
10
11
12
13
14
15
16
17
18
19
20
21
22
23
24
25
26
27
28
29
30
31
32
33
34
35
36
37
38
39
40
41
42
43
44
45
46
47
48
Seite
von
48
Vorwärts
/
48
Inhalt
Inhaltsverzeichnis
Fehlerbehebung
Lesezeichen
Verfügbare Sprachen
DE
EN
FR
Verfügbare Sprachen
DEUTSCH, seite 1
ENGLISH, page 13
FRANÇAIS, page 21
3
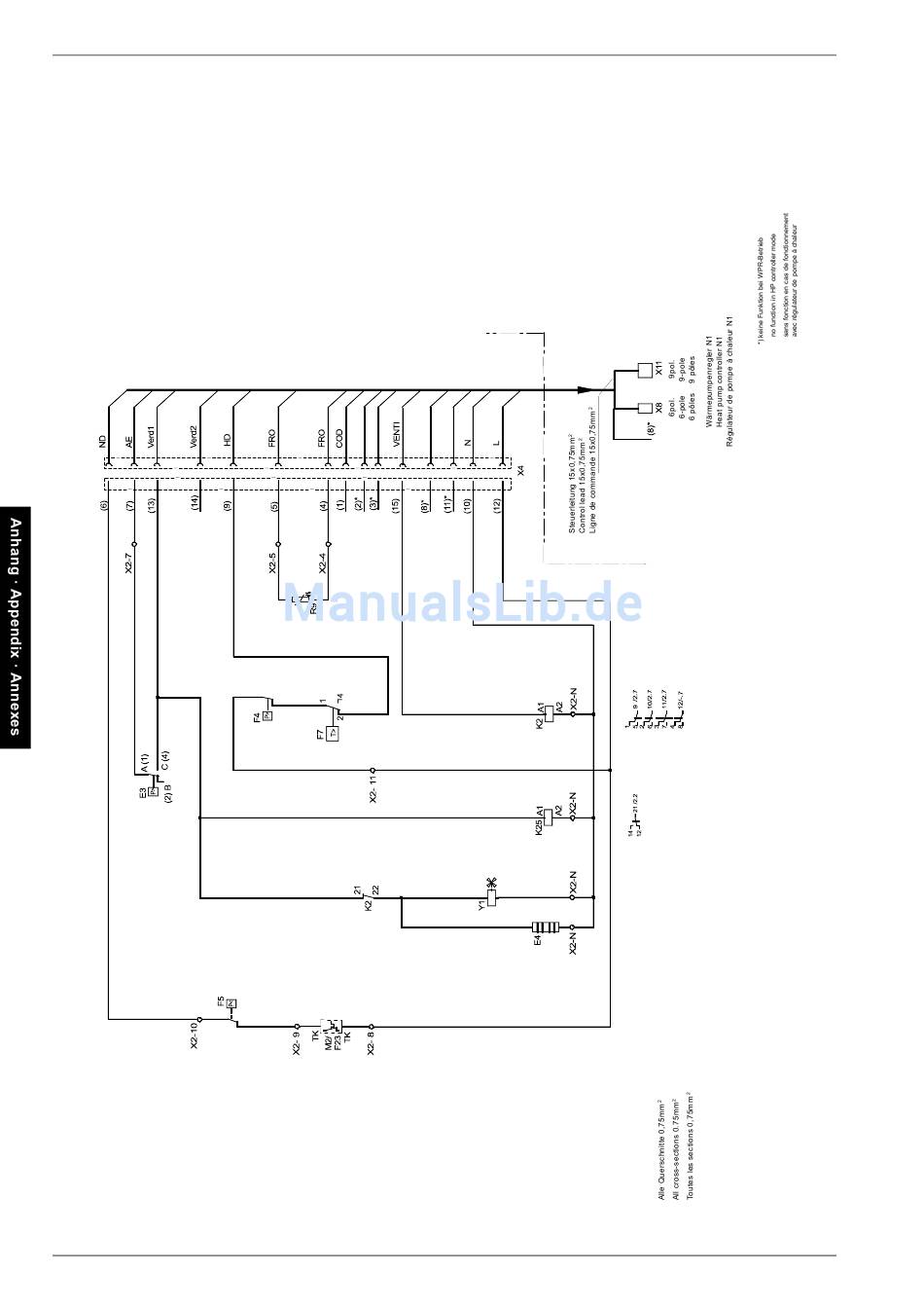
3 Stromlaufpläne / Circuit diagrams / Schémas
électriques
3.1 Steuerung / Control / Commande LA 11MS
A-VI
Inhalt
sverzeichnis
Vorherige
Seite
Nächste
Seite
1
...
31
32
33
34
35
36
37
38
Kapitel
Deutsch
3
English
13
Français
21
Fehlerbehebung
Reinigung / Pflege
9
Cleaning / Care
19
Verwandte Anleitungen für Dimplex LA 11MS
Wärmepumpen Dimplex LA 11MS Montage- Und Gebrauchsanweisung
Luft/wasserwärmepumpe für außenaufstellung (48 Seiten)
Wärmepumpen Dimplex LA 8AS Bedienungsanleitung
(242 Seiten)
Wärmepumpen Dimplex LA 16AS Montage- Und Gebrauchsanweisungen
(28 Seiten)
Wärmepumpen Dimplex LA 11A Montage- Und Gebrauchsanweisung
Luft - wasser - wärmepumpe für aussenaufstellung (34 Seiten)
Wärmepumpen Dimplex LA 11MSR Gebrauchsanweisung
Reversible luft/wasserwärmepumpe für außenaufstellung (48 Seiten)
Wärmepumpen Dimplex LI 11TER+ Projektierungshandbuch Und Installationshandbuch
Luft/wasser-wärmepumpen (98 Seiten)
Wärmepumpen Dimplex LA 11ASR Montageanweisung
Reversible luft/wasserwärmepumpe für außenaufstellung (48 Seiten)
Wärmepumpen Dimplex LA 11ASR Gebrauchsanleitung
Reversible luft-wasser-wärmepumpe für außenaufstellung (24 Seiten)
Wärmepumpen Dimplex LA 11TAS Montage- Und Gebrauchsanweisung
Luft/wasserwärmepumpe für außenaufstellung (44 Seiten)
Wärmepumpen Dimplex LA 11TAS Montage- Und Gebrauchsanweisung
Luft/wasserwärmepumpe für außenaufstellung (44 Seiten)
Wärmepumpen Dimplex LA 9K Montageanweisung
Luft/wasserwärmepumpe für außenaufstellung (48 Seiten)
Wärmepumpen Dimplex LA 1118C Montage- Und Gebrauchsanweisungen
Luft-wasser-wärmepumpe für außenaufstellung (76 Seiten)
Wärmepumpen Dimplex System E LA 1118CP Montage- Und Betriebsanleitung
Luft/wasser-wärmepumpe für außenaufstellung (260 Seiten)
Wärmepumpen Dimplex LA 1118BWCP Montage- Und Gebrauchsanweisungen
Luft/wasser-warmepumpe fur auflenaufstellung (48 Seiten)
Wärmepumpen Dimplex LA 1118CP Montage- Und Gebrauchsanweisungen
(224 Seiten)
Wärmepumpen Dimplex LA 11PS Montage- Und Gebrauchsanweisungen
Luft/wasser wärmepumpe für außenaufstellung (44 Seiten)
Diese Anleitung auch für:
La 16ms
Drucken
Lesezeichen umbenennen
Lesezeichen löschen?
Möchten Sie es aus Ihren Handbüchern löschen?
Anmelden
Anmelden
ODER
Mit Facebook anmelden
Mit Google anmelden
Anleitung hochladen
Von PC hochladen
Von URL hochladen