Anmelden
Hochladen
Herunterladen
Inhalt
Inhalt
Zu meinen Handbüchern
Löschen
Teilen
URL dieser Seite:
HTML-Link:
Lesezeichen hinzufügen
Hinzufügen
Handbuch wird automatisch zu "Meine Handbücher" hinzugefügt
Diese Seite drucken
×
Lesezeichen wurde hinzugefügt
×
Zu meinen Handbüchern hinzugefügt
Anleitungen
Marken
Comprag Anleitungen
Kompressoren
RECOM RCW Serie
Bedienungsanleitung
Electrical Diagram And Main Components; Functional Description - Comprag Recom Rcw Serie Bedienungsanleitung
Kolbenkompressoren
Vorschau ausblenden
1
2
3
4
5
6
7
8
9
10
11
12
13
14
15
16
17
18
19
20
21
22
23
24
25
26
27
28
29
30
31
32
33
34
35
36
37
38
39
40
41
42
43
44
45
46
47
48
49
50
51
52
53
54
55
56
57
58
59
60
61
62
63
64
65
66
67
68
69
70
71
72
73
74
75
76
77
78
79
80
81
82
83
84
85
86
87
88
89
90
91
92
93
94
Seite
von
94
Vorwärts
/
94
Inhalt
Inhaltsverzeichnis
Lesezeichen
Inhaltsverzeichnis
Verfügbare Sprachen
DE
EN
RU
Verfügbare Sprachen
DEUTSCH, seite 22
ENGLISH, page 2
РУССКИЙ, страница 44
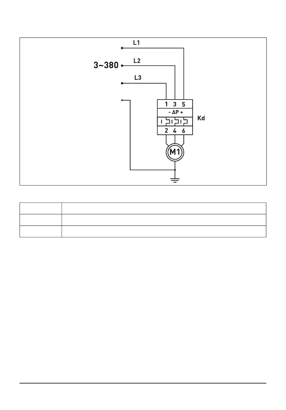
2.6 Electrical diagram and main components
Fig. 3 electrical diagram rCW
L1, L2, L3
Power lines
Kd
Pressure switch
M1
Electric motor
12
All manuals and user guides at all-guides.com
Version 2.3
Inhalt
sverzeichnis
Vorherige
Seite
Nächste
Seite
1
...
9
10
11
12
13
14
15
16
Kapitel
English
3
Deutsch
23
Русский
44
Inhaltsverzeichnis
Verwandte Anleitungen für Comprag RECOM RCW Serie
Luftkompressoren Comprag RECOM RCW-Serie Bedienungsanleitung
(94 Seiten)
Kompressoren Comprag RCI-4 Bedienungsanleitung
(88 Seiten)
Kompressoren Comprag AV Serie Bedienungsanleitung
Schraubenkompressoren (96 Seiten)
Kompressoren Comprag A-Serie Bedienungsanleitung
Schraubenkompressoren (88 Seiten)
Kompressoren Comprag DV Serie Bedienungsanleitung
Schraubenkompressoren (96 Seiten)
Kompressoren Comprag FV4508 Bedienungsanleitung
(96 Seiten)
Kompressoren Comprag DV Serie Bedienungsanleitung
Schraubenkompressoren (92 Seiten)
Kompressoren Comprag ADX200 Bedienungsanleitung
(56 Seiten)
Kompressoren Comprag D-Serie Bedienungsanleitung
Schraubenkompressoren (92 Seiten)
Kompressoren Comprag ADX250 Bedienungsanleitung
(56 Seiten)
Kompressoren Comprag DV9010 Bedienungsanleitung
(96 Seiten)
Kompressoren Comprag AV30 Bedienungsanleitung
Schraubenkompressoren (96 Seiten)
Diese Anleitung auch für:
Recom rcw-3
Recom rcw-11
Recom rcw-3-100
Recom rcw-3-270
Recom rcw-4-100
Recom rcw-4-270
...
Alle anzeigen
Recom rcw-5,5-100
Recom rcw-5,5-270
Recom rcw-5,5-500
Recom rcw-7,5-270
Recom rcw-7,5-500
Recom rcw-11-270
Recom rcw-11-500
11200301
11200302
11200401
11200402
11200501
11200502
11200503
11200702
11200703
11201102
11201103
Inhaltsverzeichnis
Drucken
Lesezeichen umbenennen
Lesezeichen löschen?
Möchten Sie es aus Ihren Handbüchern löschen?
Anmelden
Anmelden
ODER
Mit Facebook anmelden
Mit Google anmelden
Anleitung hochladen
Von PC hochladen
Von URL hochladen