Herunterladen Inhalt Inhalt Diese Seite drucken

EOS Future Montage- Und Gebrauchsanweisungen Seite 31

Inhaltsverzeichnis
Elektrische Installation
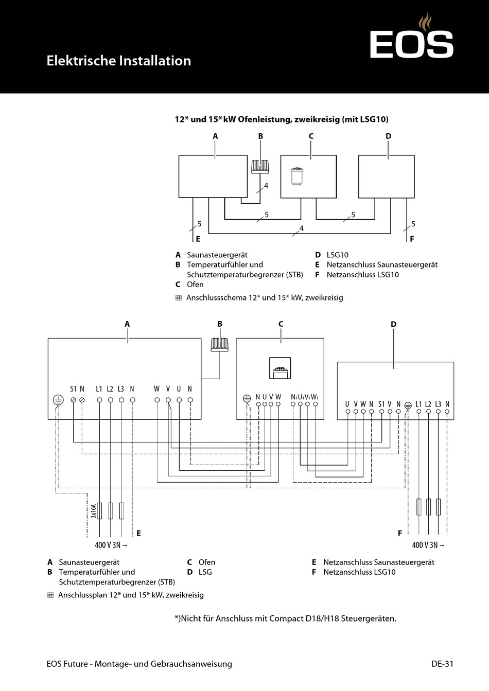
A
S1 N
L1 L2 L3 N
E
400 V 3N ~
A Saunasteuergerät
B Temperaturfühler und
Schutztemperaturbegrenzer (STB)
 Anschlussplan 12* und 15* kW, zweikreisig
EOS Future - Montage- und Gebrauchsanweisung
12* und 15* kW Ofenleistung, zweikreisig (mit LSG10)
A
E
A Saunasteuergerät
B Temperaturfühler und
Schutztemperaturbegrenzer (STB)
C Ofen
 Anschlussschema 12* und 15* kW, zweikreisig
B
W V U N
C Ofen
D LSG
*)Nicht für Anschluss mit Compact D18/H18 Steuergeräten.
B
C
D LSG10
E Netzanschluss Saunasteuergerät
F Netzanschluss LSG10
C
N U V W
N U V W
1 1 1
1
U
E Netzanschluss Saunasteuergerät
F Netzanschluss LSG10
D
F
D
V
W
N
S1
V
N
L1 L2 L3
N
F
400 V 3N ~
DE-31
Inhaltsverzeichnis
loading

Inhaltsverzeichnis