Herunterladen Inhalt Inhalt Diese Seite drucken

Schéma De Raccordement Pour 400 V 3N - Harvia Sentiotec Concept R Mini Combi Montage- Und Gebrauchsanweisungen

Inhaltsverzeichnis
Verfügbare Sprachen
  • DE

Verfügbare Sprachen

Instructions de montage uniquement pour le personnel spécialisé
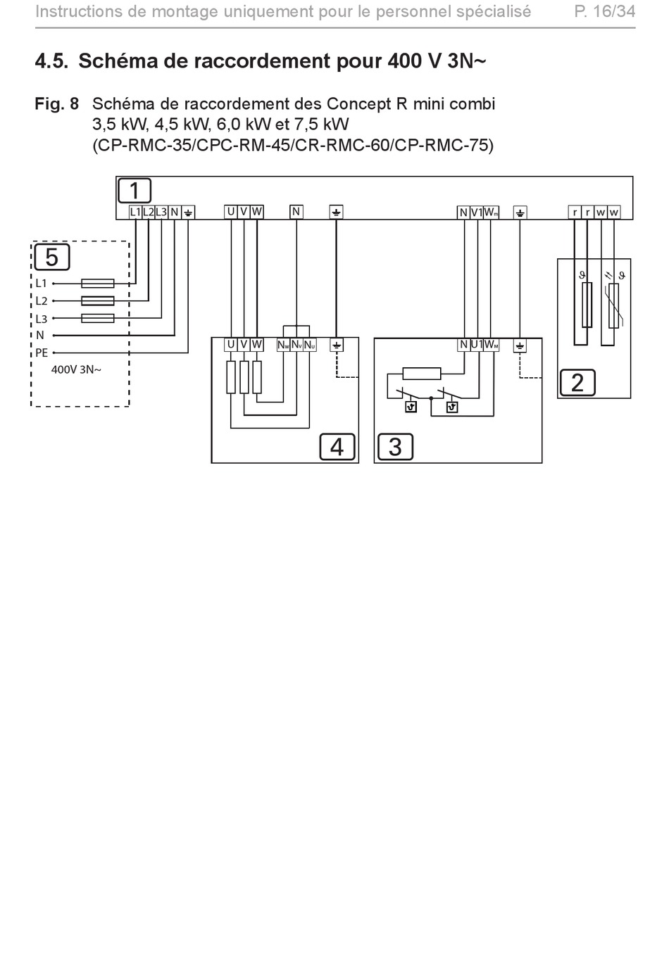
4.5. Schéma de raccordement pour 400 V 3N~
Fig. 8
Schéma de raccordement des Concept R mini combi
3,5 kW, 4,5 kW, 6,0 kW et 7,5 kW
(CP-RMC-35/CPC-RM-45/CR-RMC-60/CP-RMC-75)
1
L1 L2
L3
5
L1
L2
L3
N
PE
400V 3N~
N
U V
W
N
N
U V
W
N
W
N
V
U
4
3
P. 16/34
r r
N V1W
m
ϑ
N U1W
M
2
w
w
ϑ

Quicklinks ausblenden:

Inhaltsverzeichnis
loading

Inhaltsverzeichnis