Herunterladen Inhalt Inhalt Diese Seite drucken

Fancom MRK.2 Anleitung Seite 32

Inhaltsverzeichnis
Verfügbare Sprachen
  • DE

Verfügbare Sprachen

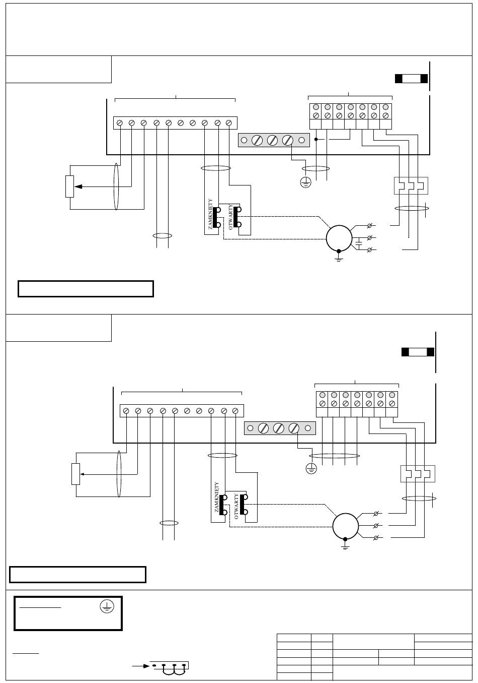
PODˆÅCZANIE MRK.2 Z REGULACJÅ 10-0Vdc / 0-10Vdc
230Vac silnik
ZAMKNI‰TE (-)
4k7
SYGNALIZACJA
ZWROTNA
POˆO®ENIA
OTWARTE (+)
KLAPY
3x0,8mm
SEAL ALL CABLE ENTRIES
ZABEZPIECZ WLOTY KABLOWE
400Vac silnik
ZAMKNI‰TE (-)
4k7
SYGNALIZACJA
ZWROTNA
POˆO®ENIA
OTWARTE (+)
KLAPY
ZABEZPIECZ WLOTY KABLOWE
WA®NE!!!
Urzådzenie musi byç
prawid¬owo uziemione
Urzådzenia Fancomu powinny byç pod¬åczane zgodnie z
obowiåzujåcymi normami Przedsi™biorstwa Energetycznego.
UWAGA:
JE®ELI WYˆÅCZNIKI KRA˜COWE SÅ WˆÅCZONE
DO OBWODU REGULACJI SILNIKA, ˆÅCZNIKI
WYˆÅCZNIKØW KRA˜COWYCH
NA MRK-2 MUSZÅ BYÇ ZE SOBÅ POˆÅCZONE
MAˆEJ MOCY
GND
cl op
-
L
+
+
2x0,8mm
+
-
Regulacja
0-10Vdc lub 10-0Vdc
MAˆEJ MOCY
GND
cl op
-
L
+
+
3x0,8mm
2x0,8mm
+
-
Regulacja
0-10Vdc lub 10-0Vdc
cl COM op
3x0,8mm
Wy¬åczniki kraµcowe
cl COM op
3x0,8mm
Wy¬åczniki kraµcowe
Update
1.
29-3-00 / VJa
2.
3.
4.
5.
DU®EJ MOCY
N
R
S
T
U
V
W
3x2,5mm 2
N
L
Zasilanie
220-240Vac
4x2,5mm 2
50-60Hz
N /L2
M
ZAMKNI‰TE
OTWARTE
SILNIK EL.
220-240Vac
max 4A
DU®EJ MOCY
N
R
S
T
U
V
5x2,5mm 2
N
L1
L2 L3
Zasilanie
220 / 400Vac
50-60Hz
4x2,5mm 2
U
M
V
W
SILNIK EL.
380-400Vac
max. 4A
d.d.
By / Ref.
Subject:
Schemay podŒczania MRK.2
JRe/VJa
z regulacjå 0-10V lub 10-0V
Doc..no: 03.08.522.06 d.d: 31-05-95
Scale: nvt
By: VJ / Ref: WH
Fancom bv.
agro computers
F1A/250 V
F1
WyŒcznik
Zabezp.
Silnik el.
F1A/250 V
F1
W
WyŒcznik
Zabezp.
Silnik el.
Zastrze†one prawo do zmian
Version:
Sheet 2 of 2
File:Aansl. MRK.2/PL
Program: CANVAS 3.5
P.O. box 7131
5980 AC Panningen
The Netherlands

Quicklinks ausblenden:

Inhaltsverzeichnis
loading

Inhaltsverzeichnis