Herunterladen Inhalt Inhalt Diese Seite drucken

Fancom MRK.2 Anleitung Seite 22

Inhaltsverzeichnis
Verfügbare Sprachen
  • DE

Verfügbare Sprachen

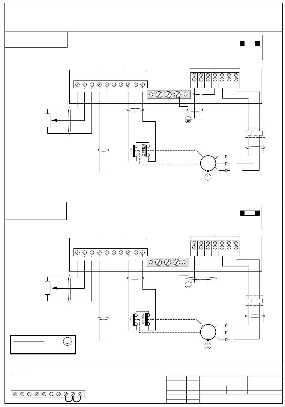
Anschlussschaltbild MRK.2 (10-0V / 0-10V Steuerung)
230Vac Motor
Zu (-)
4K7
Klappenposition
Offen (+)
3x0,8mm
400Vac Motor
Zu (-)
4K7
Klappenposition
Offen (+)
3x0,8mm
WICHTIG!!!
Die Apparatur muss
richtig geerdet sein!
Jedes Fancom Gerät gemäß den Vorschriften
des örtlichen Energieversorgungsbetriebes anschließen.
HINWEIS::
Falls Sie die Endschalter im Motorkreis aufnehmen, müssen Sie
die Endschalteranschlüsse auf MRK.2 Platine mit einander verbinden.
cl
op
-
L
+
+
GND
SCHWACHSTROM
1
2
3
4
5
6
-
+
cl
L
+
GND
2x0,8mm
+
-
Steuerung
10-0V/0-10V
SCHWACHSTROM
cl
-
L
+
+
GND
2x0,8mm
+
-
Steuerung
10-0V/0-10V
cl COM op
7
8
9
10
op
cl COM op
3x0,8mm
Endschalter
op
cl
COM op
3x0,8mm
Endschalter
Update / by
29-3-00 / VJa
STARKSTROM
1
2
3
4
5
6
7
N
L1 L2 L3 U
V W
3x2,5mm 2
N
L
220-240 Vac
Motor-
50-60 Hz
schutz-
schalter
4x2,5mm 2
NULL
M
ZU
OFFEN
MOTOR
230Vac
max 4A
STARKSTROM
1
2
3
4
5
6
7
N
L1 L2 L3 U
V W
5x2,5mm 2
N
L1 L2 L3
230/400 Vac
50-60 Hz
Motor-
schutz-
schalter
4x2,5mm 2
U
M
V
W
MOTOR
400Vac
max 4A
Technische Änderungen vorbehalten
Subject:
Anschlussbild MRK.2
check / by
10-0V Steuerung
JRe/VJa
Doc.no: 03.08.548.11
Datum: 27-11-95
scale: nvt
By:RvW / Ref:VJ
Fancom bv.
agro computers
F1A/250 V
F1
F1A/250 V
F1
Version:
Sheet ... of ...
File:Aansl. MRK.2/DE
P.O. box 7131
5980 AC Panningen
The Netherlands

Quicklinks ausblenden:

Inhaltsverzeichnis
loading

Inhaltsverzeichnis