Herunterladen Diese Seite drucken

Stromlaufpläne / Circuit Diagrams / Schémas Électriques; Wärmepumpenmanager Heizen / Heat Pump Manager Heating / Gestionnaire De Pompe À Chaleur Chauffage - Dimplex Wpr 2006 Montage- Und Inbetriebnahmeanweisung

Wärmepumpen-regler
Vorschau ausblenden Andere Handbücher für WPR 2006:
3
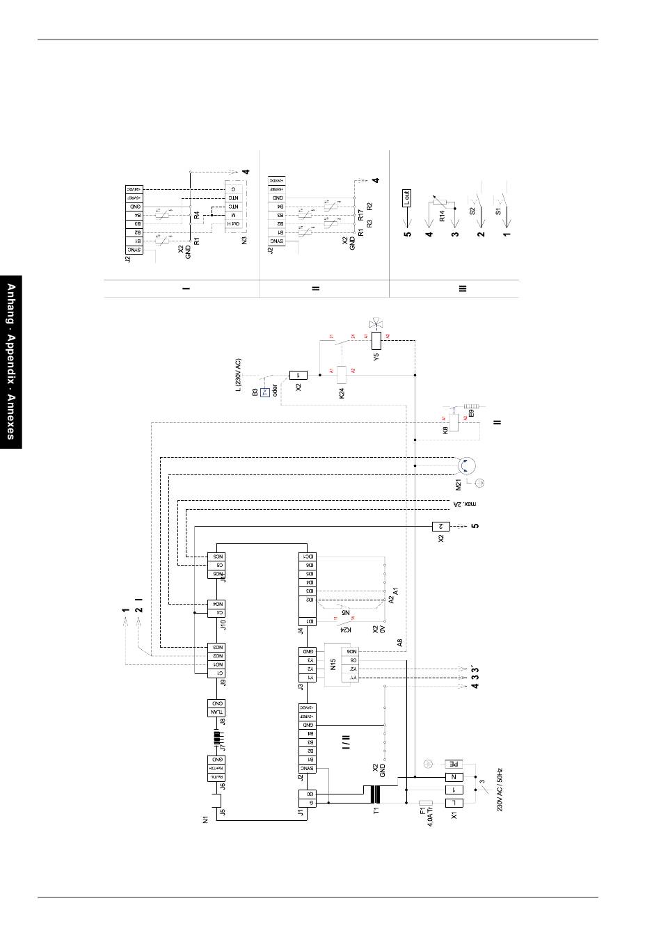
3 Stromlaufpläne / Circuit Diagrams / Schémas électriques
3.1 Wärmepumpenmanager Heizen / Heat Pump Manager Heating /
Gestionnaire de pompe à chaleur chauffage
Abb. / Fig. / Fig. 3.1:
Anschlussplan des wandmontierten Wärmepumpenmanagers WPM 2004 plus /
Circuit diagram for the WPM 2004 plus wall-mounted heat pump manager /
Schéma électrique du gestionnaire de pompe à chaleur mural WPM 2004 plus
A-VI
loading