Herunterladen Inhalt Inhalt Diese Seite drucken

ABB RD3 Handbuch Seite 53

Inhaltsverzeichnis
Situación de avería
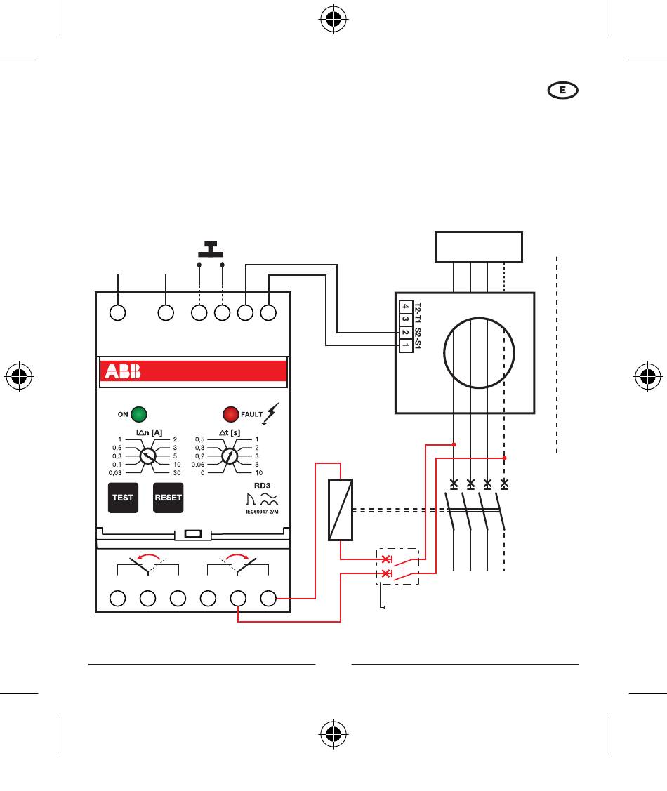
Cuando el valor de la corriente diferencial detectada por el trasformador toroidal
es superior al umbral I∆n, el relé RD3 provoca la apertura del interruptor
automático al que está conectado a través de emissión de corriente.
Conexión con bobina de emisión de corriente:
POWER SUPPLY
RD3: 230-400 VAC
RD3-48: 12-48 VAC/DC
1
7
BB_76x88mm_Rd3_rev4.indd 53
Remote Reset
2
3
4
5
6
8
9
10
11
12
TR...
Bobina de disparo
230V
La protección differencial
está disactivada quando
este interuptor está abierto
53
L O A D
PE
Interruptor
magnetotérmico
tetrapolar
L1
L2
L3
N
19/09/11 11:00
Inhaltsverzeichnis
loading

Diese Anleitung auch für:

Rd3-48

Inhaltsverzeichnis