Anmelden
Hochladen
Herunterladen
Inhalt
Inhalt
Zu meinen Handbüchern
Löschen
Teilen
URL dieser Seite:
HTML-Link:
Lesezeichen hinzufügen
Hinzufügen
Handbuch wird automatisch zu "Meine Handbücher" hinzugefügt
Diese Seite drucken
×
Lesezeichen wurde hinzugefügt
×
Zu meinen Handbüchern hinzugefügt
Anleitungen
Marken
Dimplex Anleitungen
Wärmepumpen
LI 11ME
Gebrauchsanweisung
Anschlussplan / Circuit Diagram / Schéma Électrique - Dimplex Li 11Me Gebrauchsanweisung
Luft/wasserwärmepumpe für innenaufstellung
Vorschau ausblenden
Andere Handbücher für LI 11ME
:
Gebrauchsanweisung
(52 Seiten)
1
2
3
4
5
6
7
8
9
10
11
12
13
14
15
16
17
18
19
20
21
22
23
24
Seite
von
24
Vorwärts
/
24
Inhalt
Inhaltsverzeichnis
Fehlerbehebung
Lesezeichen
Inhaltsverzeichnis
3.3
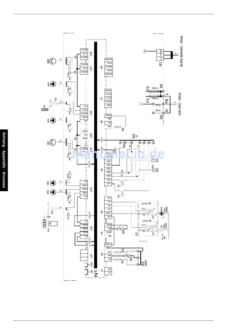
3.3 Anschlussplan / Circuit Diagram / Schéma électrique
A-VI
Inhalt
sverzeichnis
Vorherige
Seite
Nächste
Seite
1
...
14
15
16
17
18
19
20
21
Kapitel
Deutsch
2
English
12
Inhaltsverzeichnis
Verwandte Anleitungen für Dimplex LI 11ME
Wärmepumpen Dimplex LI 11ME Gebrauchsanweisung
(52 Seiten)
Wärmepumpen Dimplex LI 11TE Montage- Und Gebrauchsanweisung
Luft/wasserwärmepumpe für innenaufstellung (56 Seiten)
Wärmepumpen Dimplex LI 11TE Montage- Und Gebrauchsanweisung
Luft/wasser-wärmepumpe für innenaufstellung (26 Seiten)
Wärmepumpen Dimplex LA 8AS Bedienungsanleitung
(242 Seiten)
Wärmepumpen Dimplex LI11TES Handbuch
Wärmenpumpen fuer heizung und warwasserbereitung (134 Seiten)
Wärmepumpen Dimplex LI 11TES Montageanweisung
Luft/wasserwärmepumpe für innenaufstellung (64 Seiten)
Wärmepumpen Dimplex LI 11TES Gebrauchsanweisung
(64 Seiten)
Wärmepumpen Dimplex LI 11TES Montage- Und Gebrauchsanweisung
Luft-wasser-warmepumpe fuer innenaufstellung (72 Seiten)
Wärmepumpen Dimplex LI 11TER+ Projektierungshandbuch Und Installationshandbuch
Luft/wasser-wärmepumpen (98 Seiten)
Wärmepumpen Dimplex LI 11TER+ Montage- Und Gebrauchsanweisung
Reversible luft/wasserwärmepumpe für innenaufstellung (56 Seiten)
Wärmepumpen Dimplex LI 11MSR Installations- Und Betriebs-Anleitung
(44 Seiten)
Wärmepumpen Dimplex LI 11ASR Montage- Und Gebrauchsanweisungen
Reversible luft/wasser-wärmepumpe für innenaufstellung (48 Seiten)
Wärmepumpen Dimplex LI 11AS Montageanleitung
(28 Seiten)
Wärmepumpen Dimplex LI 11MER Gebrauchsanweisung
(44 Seiten)
Wärmepumpen Dimplex LI 11MS Gebrauchsanweisung
(24 Seiten)
Wärmepumpen Dimplex LI 15TE Gebrauchsanweisung
(56 Seiten)
Verwandte Inhalte für Dimplex LI 11ME
LI 22HS Anschlussplan / Circuit Diagram / Schéma Électrique
Dimplex LI 22HS
LI 9TEL Anschlussplan / Circuit Diagram / Schéma Électrique
Dimplex LI 9TEL
WI 10TU Anschlussplan / Circuit Diagram / Schéma Électrique
Dimplex WI 10TU
LI 11ASR Anschlussplan / Circuit Diagram / Schéma Électrique
Dimplex LI 11ASR
SI 7BS Anschlussplan / Circuit Diagram / Schéma Électrique
Dimplex SI 7BS
LI 20TEL Anschlussplan / Circuit Diagram / Schéma Électrique
Dimplex LI 20TEL
SI 7 KS Anschlussplan / Circuit Diagram / Schéma Électrique
Dimplex SI 7 KS
WPL 80IRR Anschlussplan / Circuit Diagram / Schéma Électrique
Dimplex WPL 80IRR
LA 11PS Anschlussplan / Circuit Diagram / Schéma Électrique
Dimplex LA 11PS
LI 9TU Anschlussplan / Circuit Diagram / Schéma Électrique
Dimplex LI 9TU
LIK 12TU Anschlussplan / Circuit Diagram / Schéma Électrique
Dimplex LIK 12TU
LIH 22TE Anschlussplan / Circuit Diagram / Schéma Électrique
Dimplex LIH 22TE
LA 24AS Anschlussplan / Circuit Diagram / Schéma Électrique La 20As
Dimplex LA 24AS
452160.66.75 Anschlussplan / Circuit Diagram / Schéma Électrique
Dimplex 452160.66.75
LI 24TE Anschlussplan / Circuit Diagram / Schéma Électrique
Dimplex LI 24TE
LIKI 14TE Anschlussplan / Circuit Diagram / Schéma Électrique
Dimplex LIKI 14TE
Inhaltsverzeichnis
Drucken
Lesezeichen umbenennen
Lesezeichen löschen?
Möchten Sie es aus Ihren Handbüchern löschen?
Anmelden
Anmelden
ODER
Mit Facebook anmelden
Mit Google anmelden
Anleitung hochladen
Von PC hochladen
Von URL hochladen