Herunterladen Inhalt Inhalt Diese Seite drucken

Swegon CASA R9 Smart Installation, Inbetriebnahme Und Wartungsanleitung Seite 14

Vorschau ausblenden Andere Handbücher für CASA R9 Smart:
Inhaltsverzeichnis
Schema über externe Anschlüsse
2 x 0,5
IO1-IO4
A1
8
GND
A2
2 x 0,5
5-24V
A1
9
IO5
A2
10
2 x 0,5
102TKC
2 x 0,5
11
1
2
3
117KHH
2 x 1,5
L
N
2 x 0,5
12
1
NC
2
3
NO
105A1
P
13
1
2 x 0,5
2
3
117PK2
4 x 0,5
G+
G0
OUT1
14
OUT2
M
Relay
Relay
OUT4
117HDL
3 x 0,5
G+
G0
OUT1
15
OUT2
M
Relay
Relay
OUT4
117HDL
2 x 0,5
16
2 x 0,5
102LT
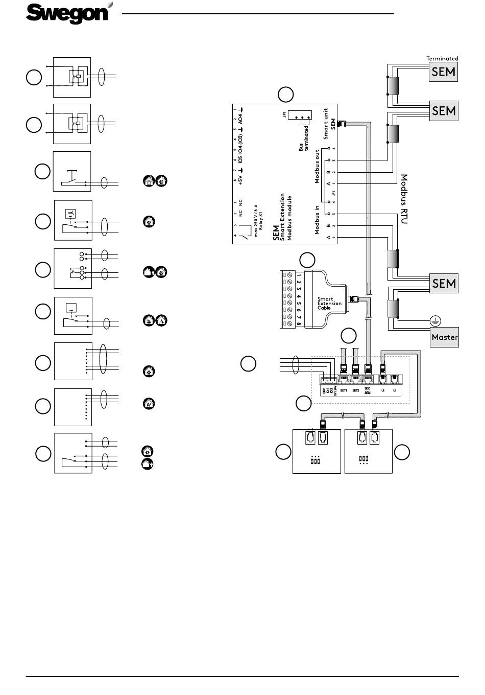
1. Externe Anschlüsse für Lüftungsgeräte
2. Swegon CASA Smart-Bedieneinheit (UP1)
3. Swegon CASA Smart-Bedieneinheit (UP2)
4. Anschlusspunkte des Lüftungsgeräts: EA1, EA2, 24 V / (5 V), Auswahl per Platine
5. SET-Modul, Smart Extension Temperature-Modul, Anschlusskarte für externe Kanalausrüstung
6. SEC Smart Extension Cable, E/A-Verlängerungskabel mit Modbus RTU (Einkanal-Steckverbinder)
7. SEM Smart Extension Modbus-Modul, E/A-Modul mit Relais und Modbus RTU (Ein- und Ausgangssteckverbinder)
8. Externe Relaissteuerung, Alarmsignal, Kanalklappe, Statussignal, Modbus
9. Externe Relaissteuerung (Erdungsausgang), Alarmsignal, Kanalklappe, Statussignal, Modbus
10. Feuerstätten/Boost-Schalter zum Steuern von Feuerstättenfunktion oder Boost
11. Feuchtigkeits fühler, für die Boost-Steuerung
12. Timer, zur Steuerung der Boost/Abwesend-Position
13. Druckwächter, zur Steuerung der Funktion für Dunstabzugshaube/Zentralstaubsauger.
14. CO
-Fühler mit Relais, zur Aktivierung des Boost-Modus
2
15. CO
-Fühler, zur Steuerung von automatisch Anwesend/Abwesend/Boost
2
16. Anwesenheitssensor
14
www.swegon.de
1 = GND
2 = AO 4
3 = GND
4 = (IO 3)
5 = IO 4
6 = IO 5
7 = GND
8 = 5 V Out
IO1 - IO5
GND
IO1 - IO5
GND
230V AC 50Hz
IO1 - IO5
GND
IO1 - IO5
GND
24V
GND
GND
IO1 - IO5
24V
GND
IO1 - IO5
24 V
GND
IO1 - IO5
IO1 - IO5
GND
7
6
1 = Modbus A
2 = Modbus B
SEC
3 = IO 3
4 = IO 4
5 = IO 5
6 = AO 4
7 = 5 V Out
8 = GND
24V / (5V)
IO2
4
IO1
GND
1
3
OPEN
TERMINATED
BUS TERMINATION
R9/R15.181218
5
2
OPEN
TERMINATED
BUS TERMINATION
Änderungen vorbehalten.
Inhaltsverzeichnis
loading

Diese Anleitung auch für:

Casa r15 smart

Inhaltsverzeichnis