Herunterladen Diese Seite drucken

Aansluitingen / Соединения / Połączenia - Alpine Cde-182R Kurzanleitung

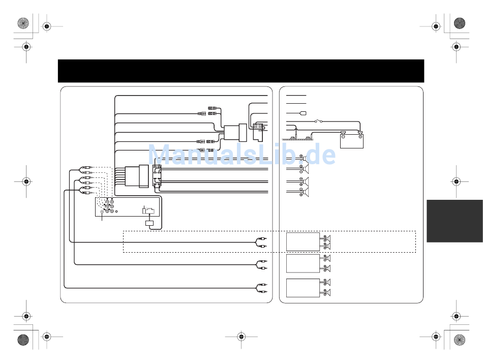
Cd/usb receiver
Vorschau ausblenden Andere Handbücher für CDE-182R:
01.00CDE182R-QRG.book Page 23 Saturday, August 24, 2013 1:59 PM
Aansluitingen / Соединения / Połączenia
(Blauw/Wit) / (Синий/белый) / (Niebiesko/Biały)
(Rood) / (Красный) / (Czerwony)
(Zwart) / (Черный) / (Czarny)
(Blauw) / (Синий) / (Niebieski)
(Oranje) / (Оранжевый) / (Pomarańczowy) DIMMER
(Geel) / (Желтый) / (Żółty)
FUSE 10A
Antenna Receptacle
01.05CDE182R-QRG.fm
REMOTE TURN-ON
IGNITION
GND
POWER ANT
BATTERY
(Groen) / (Зеленый) / (Zielony)
(Groen/Zwart) / (Зеленый/черный) / (Zielono/Czarny)
(Wit)/(Белый)/(Biały)
(Wit/Zwart) / (Белый/черный) / (Biało/Czarny)
(Grijs/Zwart) / (Серый/черный) / (Szaro/Czarny)
(Grijs) / (Серый) / (Szary)
(Paars/Zwart) / (Фиолетовый/черный) / (Fioletowo/Czarny)
(Paars) / (Фиолетовый) / (Fioletowy)
23
Naar versterker / К усилителю / Do wzmacniacza
Naar de verlichtingskabel van de instrumentengroep /
К выводу подсветки приборной панели /
Do podświetlenia deski rozdzielczej pojazdu
Naar automatische antenne / К питанию антенны / Do anteny
Ignition Key
Battery
Speakers
Rear Left
Front Left
Front Right
Rear Right
Speakers
Amplifier
Front (CDE-182R only)
Rear (CDE-182R only)
Amplifier
Front (CDE-181 Series/CDE-180 Series only)
Subwoofers (CDE-182R only)
Amplifier
Rear or Subwoofers (CDE-181 Series/CDE-
180 Series only)
ALPINE CDE-182R 68-24567Z14-A (NL/RU/PL)
loading