Herunterladen Inhalt Inhalt Diese Seite drucken

Tasten- Und Funktionsbeschreibung - Pce Instruments Pce-Rdm 5 Bedienungsanleitung

Strahlen-dosimeter
Inhaltsverzeichnis
Vielen Dank für den Kauf dieses Produkts. Bitte lesen Sie die Gebrauchsanweisung sorgfältig durch

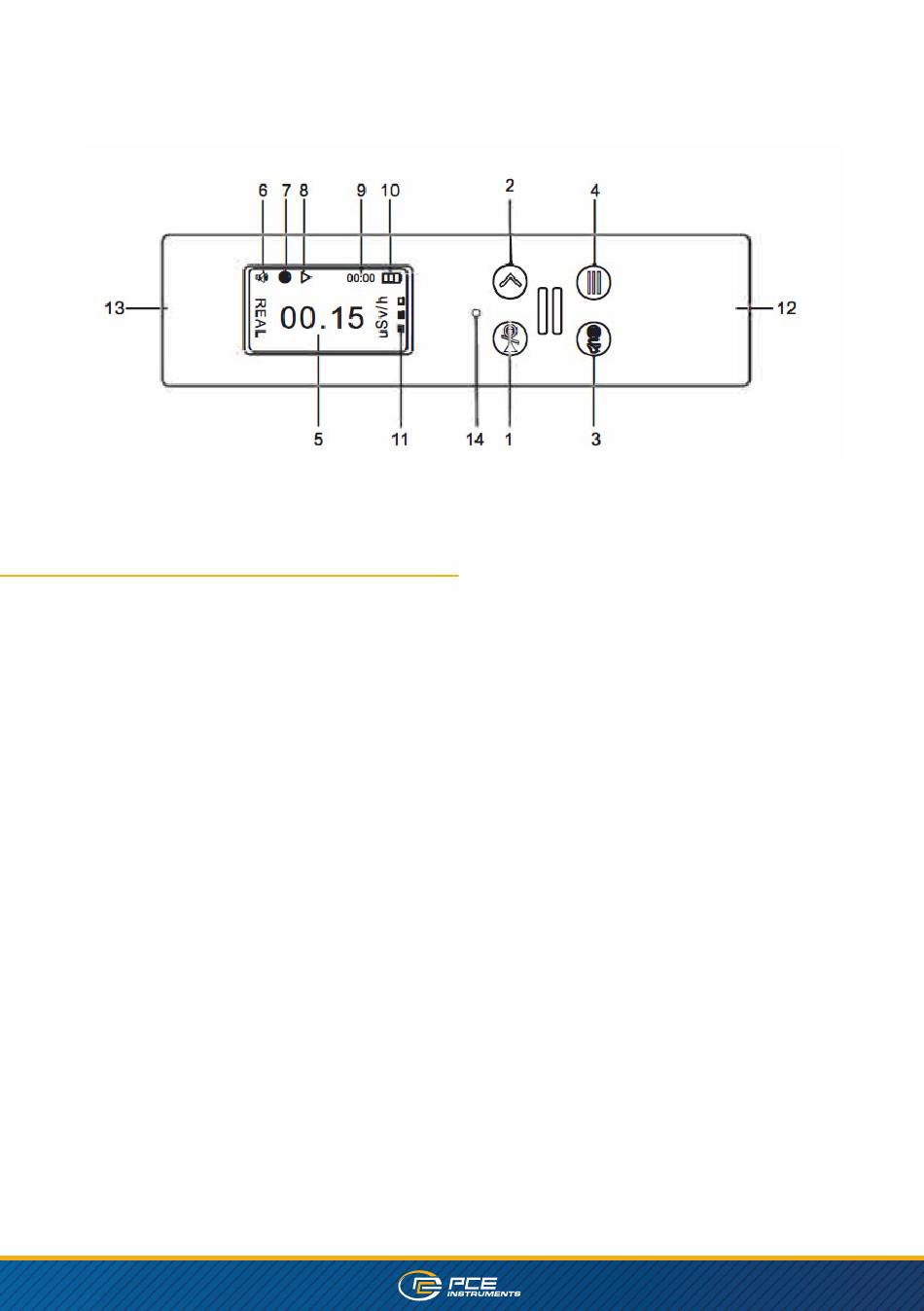
TASTEN- UND FUNKTIONSBESCHREIBUNG

1.
Ausschalten/Pause-Taste/Rückkehr zur Hauptschnittstelle Halten Sie die Taste 2 Sekunden lang
gedrückt, um das Gerät auszuschalten/anzustarten. Klicken Sie auf diese Schaltfläche, um die Echt
zeiterkennung anzuhalten oder fortzusetzen. Wenn Sie diese Taste auf einer anderen Schnittstelle als
der Hauptschnittstelle anklicken, können Sie zur Hauptschnittstelle zurückkehren.
2. Blättertaste Klicken Sie, um zwischen den drei Funktionsoberflächen in einer Schleife zu wechseln
Echtzeitdaten>Maxi mum+Durchschnitt+Gesamt >Histogramm
3.
Stumm-/Vibrations-/Aus-Bildschirm Klicken Sie, um zwischen den Erinnerungsmodi zu wechseln: nur
Ton-Erinnerung-nur Vibrations-Erinnerung-Ton- und Vibrations-Erinnerung-alle Erinnerungen schlie
ßen Langes Drücken: Aus-Bildschirm Drücken Sie eine beliebige Taste, um den Bildschirm aufzuwe
cken du ring off
4.
Einstellen des Alarmwerts Drücken Sie kurz auf , um die Alarmwerteinstellung aufzurufen: Klicken
Sie einmal auf den Maximalwertalarm, klicken Sie erneut auf den Gesamtbetragsalarm. Drücken Sie
lange auf diese beiden Schnittstellen, um die Einstellung vorzunehmen, und klicken Sie auf die Seiten
taste, um den Alarmwert auszuwählen. Drücken Sie erneut kurz auf diese Schaltfläche, um die Einste
llung zu speichern und zu beenden. Wenn bei der Einstellung der Alarmwertschnittstelle 5 Sekunden
lang keine Bedienung erfolgt oder kurz die
Taste, werden die aktuellen Einstellungen gespeichert und die Hauptschnittstelle wird wieder ange
zeigt.
5.
Anzeige
6.
Symbol für Tonalarm ein/aus
7.
Symbol für Vibrationsalarm ein/aus
8.
Symbol zum Anhalten/Fortsetzen des Echtzeitwerts
9.
Startzeit
2
bevor Sie dieses Produkt benutzen.
10.
Akku-Erinnerung
11.
Seitennavigationsleiste
12.
Typ-C-Ladeanschluss
13.
Tragbares Schlüsselband
14.
Leichter Erinnerungsalarm
Inhaltsverzeichnis
loading

Inhaltsverzeichnis