Anmelden
Hochladen
Herunterladen
Inhalt
Inhalt
Zu meinen Handbüchern
Löschen
Teilen
URL dieser Seite:
HTML-Link:
Lesezeichen hinzufügen
Hinzufügen
Handbuch wird automatisch zu "Meine Handbücher" hinzugefügt
Diese Seite drucken
×
Lesezeichen wurde hinzugefügt
×
Zu meinen Handbüchern hinzugefügt
Anleitungen
Marken
Sharp Anleitungen
Plattenspieler
RP-111H
Serviceanleitung
Sharp RP-111H Serviceanleitung Seite 8
Vorschau ausblenden
Andere Handbücher für RP-111H
:
Serviceanleitung
(12 Seiten)
,
Serviceanleitung
(12 Seiten)
1
2
3
4
5
6
7
8
9
10
11
12
Seite
von
12
Vorwärts
/
12
Inhalt
Inhaltsverzeichnis
Lesezeichen
Inhaltsverzeichnis
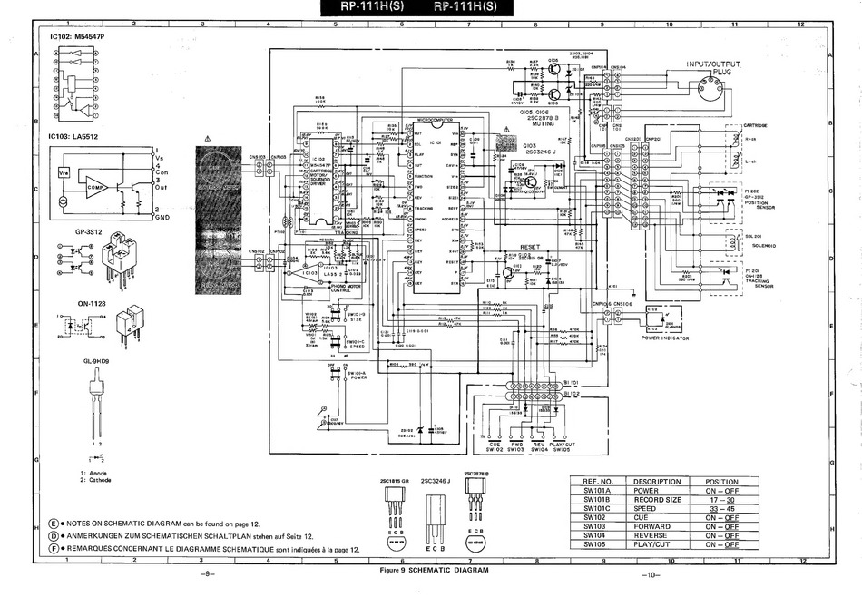
1C102: M54547P
GL-SHD9
12
if
t
3
1: Anode
2: Cathode
ee
|
ee
|
RP-T17TH(S)
RP-177H(S)
R136
RI3?
(K
2
cia
47/16
Q105, QI06
at
Riza
Vv
2.2K
MICROCOMPUTER
Ql03
GNS103 | CNPIO3
Laue
CARTRIDGE
MOTOR/
Ri2s (9.5¥
SOLENOID
Okun
DRIVER
: WoL )
clo?
5
ISS133 Q|O3
5.2V
Ris QI1O2
Ick
2SCI8I5
GR
a2
Rizo
Cc
Ch"
Ick
SW lol-A
POWER
cur
(3) micoviev
+
clos
(
zpiGe
sa 47/16
25C2878 B
105
2K
7
fl]
ree SY 3
(0«
'aK 5
4 a
bs
2502878 B
MUTING
aE
OSC 3046 J
St}
=
=
Ri45
47K
+
we CIO!T
2.2|/sov
i
piol6
ISS|(33
KIG)
ROS.1v6)
O
0
O
QO
Oo
O
's
O
CUE
FWD
REV
PLAY/ CUT
SWIO2
SWI03
SWIO4
SWIO5
25103, ZDIO4
ROS.1JBI
[29
O®
bs
~=0F
oz —~h
CNPIOQ\6 CNSI
OGGOGGO)*'*
|
2
99999606) Bl102
i
owe | (288) 3
oad Oe
log | CNPIOS] CNSI04
Lato
49
'
©
mal
|@O|
|
INPUT/OUTPUT,
—
PLUG
—
a
fF 7 — 7} CARTRIDGE
CNS20}
CNP2Ol
a
R-ch
SB] CNSIOS
|
ILA)
O
i
LOU®
S18
$1]
>
lol olla!
| Bian
=Teiholiolle
LS
F— Hiss ets
a
CSIs SIS
eran
[TT | T IaENellS
Ls
spgtee) | Pr2ce
ITT
T TEaNe
ls!
rT]
Et telleINelle
Eigierlale
mR
fl 7 es
an
L
es
ae TT]
Leal
_—
|
TP
PI 201
|
| ONI28
06
!
},
tol
x103-
Sh SHOE
POWER
INDICATOR
il
| -@P-3sl2
' POSITION
Bt
a) ol
SENSOR
C)
]
Pama
0
=
SOL 201
(a
a
{)
'
| TRACKING
pot
|
SENSOR
(}—
Inhalt
sverzeichnis
Vorherige
Seite
Nächste
Seite
1
...
5
6
7
8
9
10
11
12
Inhaltsverzeichnis
Verwandte Anleitungen für Sharp RP-111H
Plattenspieler Sharp RP-111H Serviceanleitung
(12 Seiten)
Plattenspieler Sharp RP-111H Serviceanleitung
(12 Seiten)
Plattenspieler Sharp RP-1000H Serviceanleitung
(12 Seiten)
Plattenspieler Sharp RP-103H Bedienungsanleitung
Stereo-plattenspieler für beidseitige wiedergabe (26 Seiten)
Plattenspieler Sharp RP-103H Bedienungsanleitung
(26 Seiten)
Plattenspieler Sharp RP-107H Bedienungsanleitung
Stereo-plattenspieler fur beidseitige wiedergabe (51 Seiten)
Plattenspieler Sharp RP-118H Bedienungsanleitung
(17 Seiten)
Plattenspieler Sharp RP-118H Bedienungsanleitung
Frontlade-stereo-plattenspieler für beidseitiges abspielen (17 Seiten)
Plattenspieler Sharp RP-15H Bedienungsanleitung
Stereo-plattenspieler (29 Seiten)
Plattenspieler Sharp Optonica RP-114H Serviceanleitung
(22 Seiten)
Plattenspieler Sharp RP-320H Serviceanleitung
(12 Seiten)
Plattenspieler Sharp RP-7700H Bedienungsanleitung
(139 Seiten)
Plattenspieler Sharp RP-205H Serviceanleitung
(24 Seiten)
Plattenspieler Sharp RP-32H Serviceanleitung
(12 Seiten)
Plattenspieler Sharp RP-TT95 Bedienungsanleitung
(164 Seiten)
Plattenspieler Sharp SC-3700CDH Serviceanleitung
(72 Seiten)
Verwandte Produkte für Sharp RP-111H
Sharp RP-1000H
Sharp RP-103H
Sharp RP-107H
Sharp RP-107HB
Sharp RP-111HBK
Sharp RP-111HBR
Sharp RP-118H
Sharp RP-15H
Sharp RP-15HB
Sharp Optonica RP-114H
Sharp RP-205H
Sharp RP-205E
Sharp RP-200HB
Sharp RP-32HBR
Sharp RP-TT100
Sharp RP-207E
Diese Anleitung auch für:
Rp-111hs
Rp-111hdk
Rp-111hw
Rp-111e
Rp-111es
Inhaltsverzeichnis
Drucken
Lesezeichen umbenennen
Lesezeichen löschen?
Möchten Sie es aus Ihren Handbüchern löschen?
Anmelden
Anmelden
ODER
Mit Facebook anmelden
Mit Google anmelden
Anleitung hochladen
Von PC hochladen
Von URL hochladen