Herunterladen Inhalt Inhalt Diese Seite drucken

Johnson Controls cwp series Installations- Und Wartungshandbuch Seite 143

Inhaltsverzeichnis
Verfügbare Sprachen
  • DE

Verfügbare Sprachen

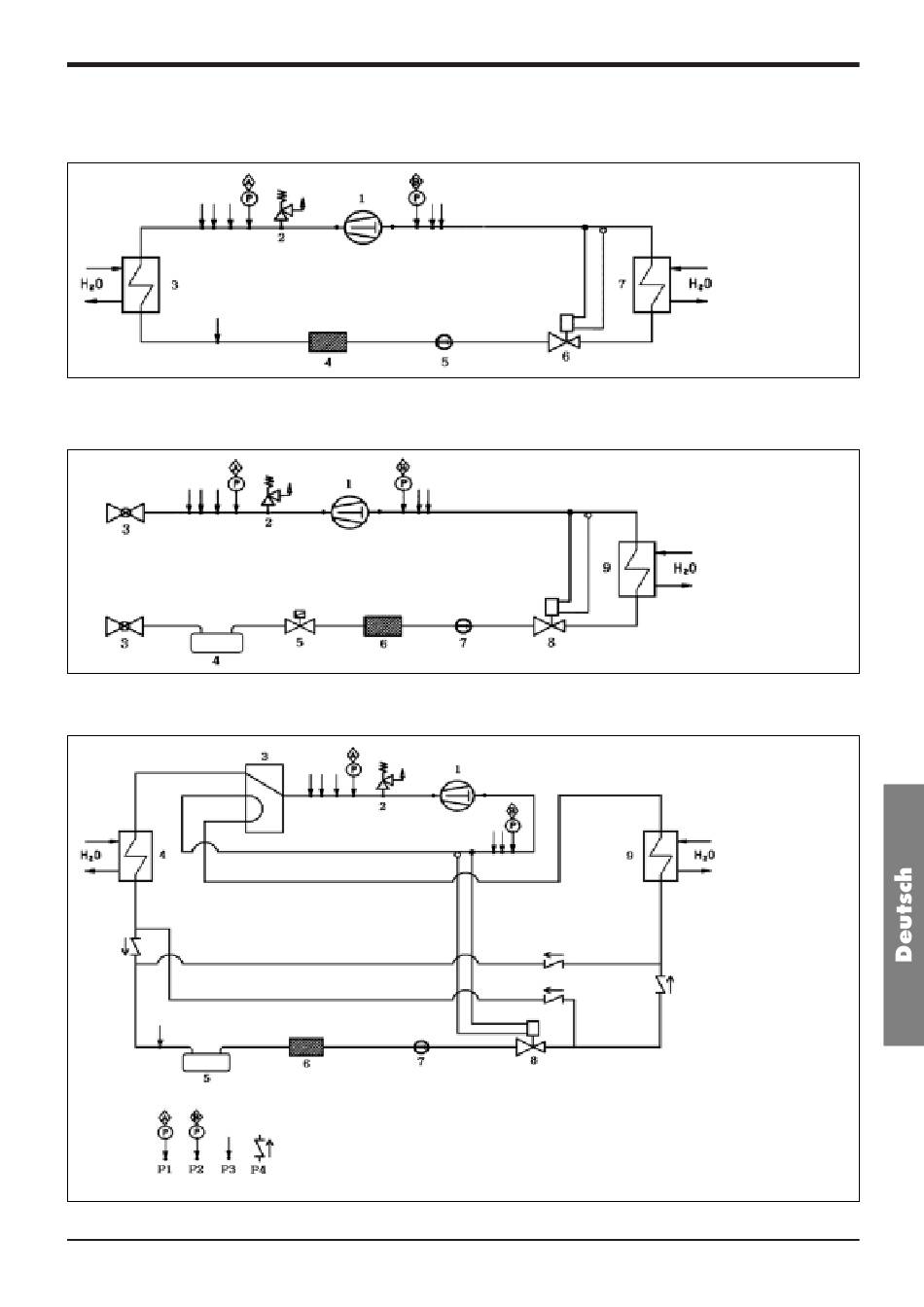
Allgemeine Beschreibung
Kältekreis CWP von 06 bis 21
Kältekreis CWP-RC von 06 bis 21
Kältekreis CWP-HP von 06 bis 21
P1 Hochdruckschalter
P2 Niederdruckschalter
P3 Druckentnahmen
P4 Rückschlagventil
Bestandteile:
1
Kompressor
2
Sicherheitsventil
3
Kondensator
4
Filter
5
Schauglas
6
Thermostatventil
7
Verdampfer
Bestandteile:
1
Kompressor
2
Sicherheitsventil
3
Ventil
4
Kältemittelsammler
5
Solenoidventil
6
Filter
7
Schauglas
8
Thermostatventil
9
Verdampfer
Bestandteile:
1
Kompressor
2
Sicherheitsventil
3
4-Wege-Ventil
4
Wärmetauscher
5
Kältemittelsammler
6
Filter
7
Schauglas
8
Thermostatventil
9
Verdampfer
Seite 21
Inhaltsverzeichnis

Fehlerbehebung

loading

Diese Anleitung auch für:

Cwp-hpCwp-rc

Inhaltsverzeichnis