Herunterladen Inhalt Inhalt Diese Seite drucken

PEAKnx Controlmicro Schnellstart Seite 7

Vorschau ausblenden Andere Handbücher für Controlmicro:
Inhaltsverzeichnis
Verfügbare Sprachen

Verfügbare Sprachen

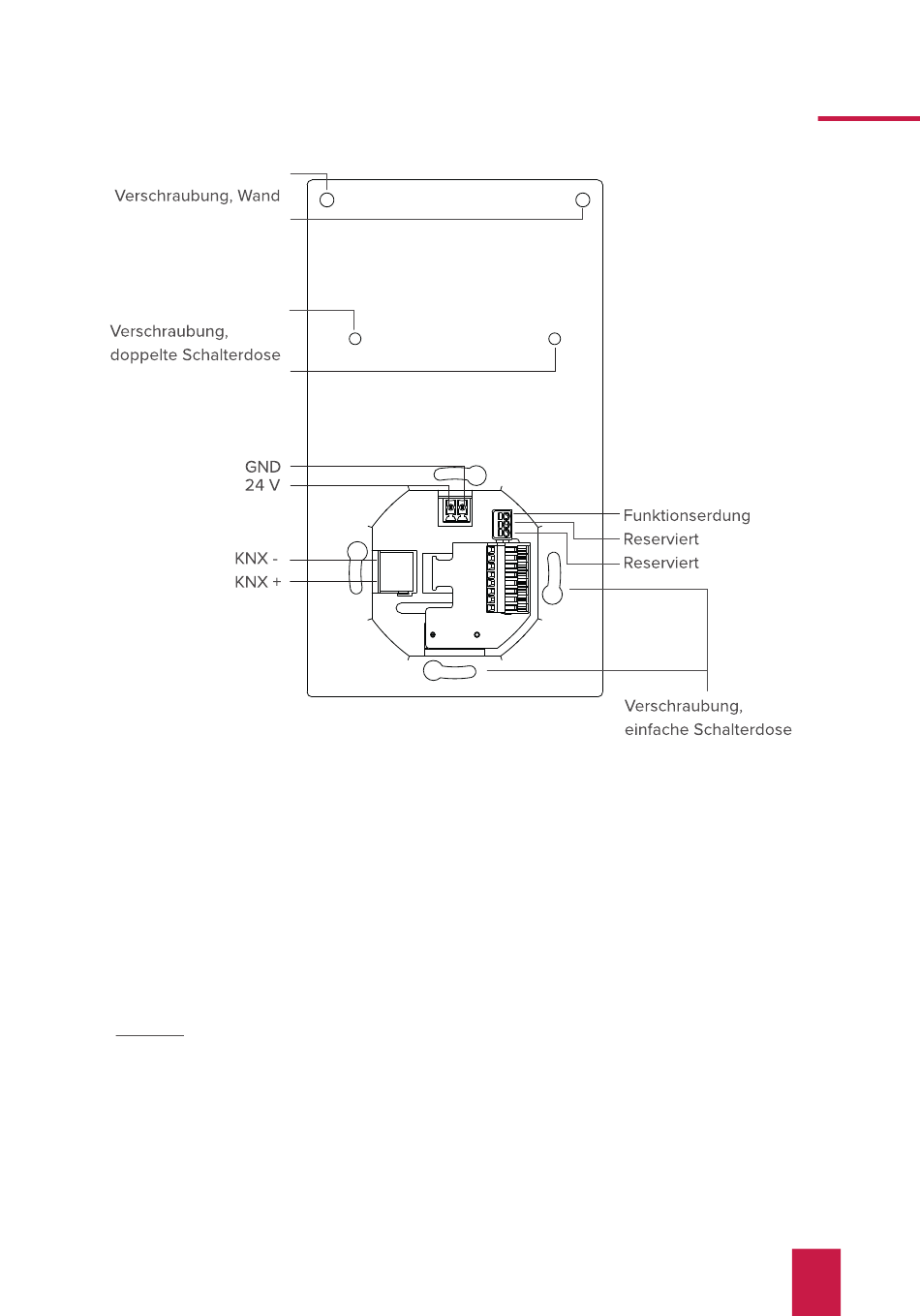
Panel montieren
7.
Verschrauben Sie die Montageplatte mit der Schalterdose (passende Schalterdose zur Mon-
tage: Schrauben-Normabstand: 60 mm, Tiefe: mind. 35 mm)
8.
Befestigen Sie die Platte zusätzlich in den oberen zwei Löchern mit zwei Dübeln in der
Wand. Falls Sie eine doppelte Schalterdose verwenden, nutzen Sie die mittleren Löcher der
Montageplatte zur Befestigung.
9.
Setzen Sie das Panel in die Halterung ein.
Das Logo sollte sich am unteren Rand befinden (Hochformat).
Das Panel wird durch Magnete an der Montageplatte gehalten.
10.
Optional: Sichern Sie das Panel mit den vier beiliegenden Madenschrauben von der Seite
oder von unten, siehe Kapitel Touchpanel-Elemente Pos 6. Nutzen Sie dazu das beiliegende
Werkzeug.
DE Controlmicro Kurzanleitung
AUTHOR NAME
TITLE
CREATION DATE
SUBTITLE
SUPERVISOR NAME
CHECK DATE
SCALE
WEIGHT
NUMBER
7
Inhaltsverzeichnis
loading

Inhaltsverzeichnis