Herunterladen Inhalt Inhalt Diese Seite drucken

Verwendung Des Moduls Für Externe Kamera Art. 1409 - Comelit Simplebus2 Technisches Handbuch

Audio-/video-system
Vorschau ausblenden Andere Handbücher für Simplebus2:
Inhaltsverzeichnis
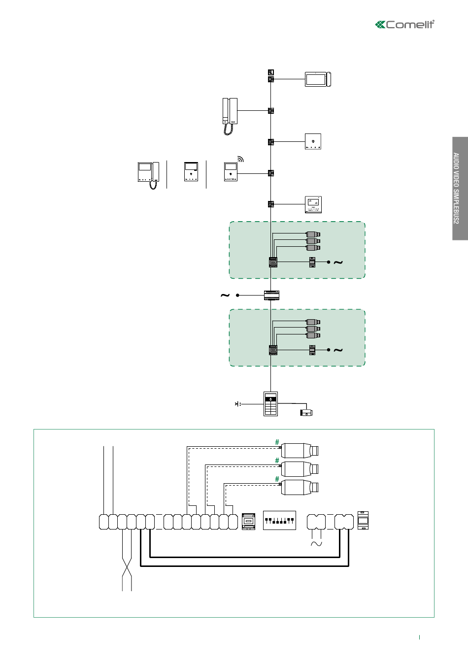
Verwendung des Moduls für externe Kamera Art. 1409
6701W
6701W/8
L
L
L
IN IN
OUT
OUT
#
Separate Stromversorgung erforderlich.
2738W
2738W/A
6721W
6741W
~ ~
I
G
L
V
S
V
S
-
N
N
+
1
1
2
2
A
D
1216
1214/2C
1214/2C
1214/2C
1214/2C
1214/2C
1409
1200
1210A
1409
1200
UT2020
1409
ON
V S
230V~
3
3
1 2 3 4
5
6 7
8
6801W
6750W
6601W
1200
12V~
25
Inhaltsverzeichnis
loading

Inhaltsverzeichnis