Anmelden
Hochladen
Herunterladen
Inhalt
Inhalt
Zu meinen Handbüchern
Löschen
Teilen
URL dieser Seite:
HTML-Link:
Lesezeichen hinzufügen
Hinzufügen
Handbuch wird automatisch zu "Meine Handbücher" hinzugefügt
Diese Seite drucken
×
Lesezeichen wurde hinzugefügt
×
Zu meinen Handbüchern hinzugefügt
Anleitungen
Marken
Rotek Anleitungen
Stromerzeuger
GEN034
Benutzer- und wartungshandbuch
Schaltplan Motor - Rotek Gen034 Benutzer- Und Wartungshandbuch
Stromerzeuger mit dieselmotor; luftgekühlter 1 zylinder 4-takt motor und synchrongenerator
Vorschau ausblenden
Andere Handbücher für GEN034
:
Benutzer- und wartungshandbuch
(36 Seiten)
1
2
Inhalt
3
4
5
6
7
8
9
10
11
12
13
14
15
16
17
18
19
20
21
22
23
24
25
26
27
28
29
30
31
32
33
34
35
36
Seite
von
36
Vorwärts
/
36
Inhalt
Inhaltsverzeichnis
Lesezeichen
Inhaltsverzeichnis
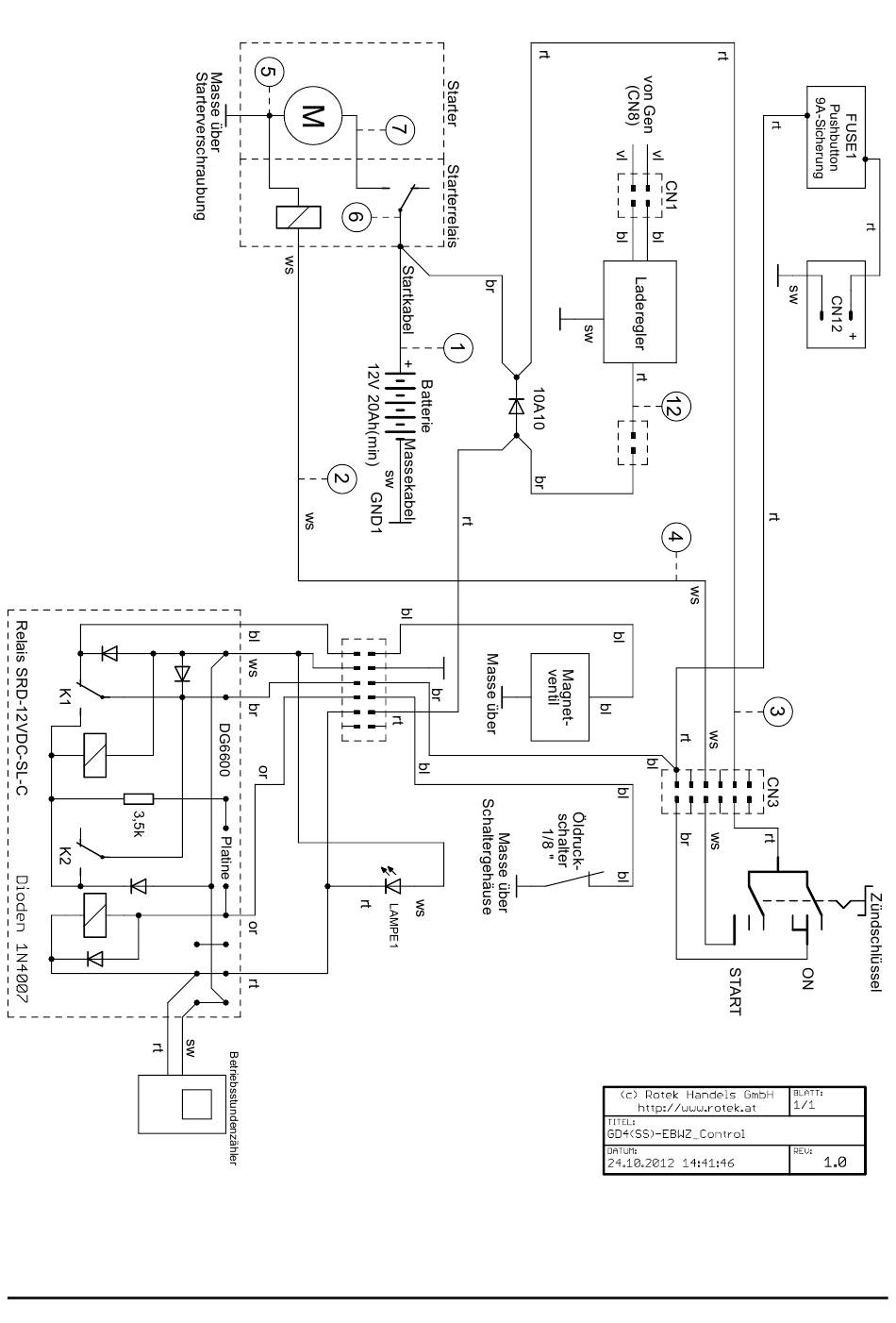
5.4.3. Schaltplan Motor
ws
18
Inhalt
sverzeichnis
Vorherige
Seite
Nächste
Seite
1
...
15
16
17
18
19
20
21
22
Inhaltsverzeichnis
Verwandte Anleitungen für Rotek GEN034
Stromerzeuger Rotek GD4-1-3300-EBZ Benutzer- Und Wartungshandbuch
Stromerzeuger mit dieselmotor; luftgekühlter 1 zylinder 4-takt motor und synchrongenerator (36 Seiten)
Tragbare Generatoren Rotek GD4-1-3300-EBZ Benutzer- Und Wartungshandbuch
Stromerzeuger mit dieselmotor (36 Seiten)
Stromerzeuger Rotek GG4SS-1-6500-E-DC Benutzerhandbuch
Stromerzeuger mit batterieladegerät (12 Seiten)
Stromerzeuger Rotek GD4-1A-13000-ES Benutzer- Und Installationshandbuch
Stromerzeuger mit dieselmotor (20 Seiten)
Stromerzeuger Rotek GD4-3-6000-EBZ Benutzer- Und Wartungshandbuch
Stromerzeuger mit dieselmotor; luftgekühlter 1 zylinder 4-takt motor und synchrongenerator (36 Seiten)
Stromerzeuger Rotek GD4-1A-6000-EBZ Benutzer- Und Wartungshandbuch
Stromerzeuger mit dieselmotor; luftgekühlter 1 zylinder 4-takt motor und synchrongenerator (36 Seiten)
Stromerzeuger Rotek GD4SS-12000-5ES Serie Benutzer- Und Installationshandbuch
Stromerzeuger mit dieselmotor (28 Seiten)
Stromerzeuger Rotek GD4SS-1A-6000-EBWZ-ATS Benutzer- Und Wartungshandbuch
Stromerzeuger mit dieselmotor luftgekuhlter 1 zylinder 3-takt motor und synchrongenerator (41 Seiten)
Stromerzeuger Rotek GG4-3-7300-EBZ Benutzer- Und Wartungshandbuch
Stromerzeuger mit benzinmotor (40 Seiten)
Stromerzeuger Rotek GG4-1A-7200-EBZ Benutzerhandbuch
Stromerzeuger mit benzinmotor (40 Seiten)
Stromerzeuger Rotek GD4W-010kW-K2100-BR-GC Benutzer- Und Wartungshandbuch
Stromerzeuger mit dieselmotor (32 Seiten)
Stromerzeuger Rotek GD4-2V-3-012kW-EBWDCZ Benutzer- Und Wartungshandbuch
Stromerzeuger mit dieselmotor luftgekuhlter 2 zylinder v-motor und synchrongenerator (36 Seiten)
Stromerzeuger Rotek GD4W-3-015kW-YND490DE-YHG15 Benutzerhandbuch
Stromerzeuger mit dieselmotor (24 Seiten)
Stromerzeuger Rotek GD4WSS-3-015kW-YND490DE-YHG15 Benutzerhandbuch
Mit dieselmotor (24 Seiten)
Stromerzeuger Rotek GD4-1A-6000-5EBZ Benutzer- Und Wartungshandbuch
Stromerzeuger mit dieselmotor/luftgekühlter 1 zylinder 4-takt motor und synchrongenerator (32 Seiten)
Stromerzeuger Rotek GG4-1-2500-H-DC Benutzerhandbuch
Stromerzeuger mit batterieladegerät (12 Seiten)
Verwandte Inhalte für Rotek GEN034
GD4-1A-06000-5EBZ Schaltplan Motor
Rotek GD4-1A-06000-5EBZ
GD4-1-6000-5EBZ Schaltplan Motor
Rotek GD4-1-6000-5EBZ
GD4-1A-6000-EBZ Schaltplan Motor
Rotek GD4-1A-6000-EBZ
GD4-3-6000-EBZ Schaltplan Motor
Rotek GD4-3-6000-EBZ
GD4-1-3300-EBZ Schaltplan Motor
Rotek GD4-1-3300-EBZ
GD4W-3-015kW-YND490DE-BBW Schaltplan Motor
Rotek GD4W-3-015kW-YND490DE-BBW
GD4SS-1A-6000-5EBZ-ATS Schaltplan Motor
Rotek GD4SS-1A-6000-5EBZ-ATS
GD4-1A-6000-5EBZ Schaltplan Motor
Rotek GD4-1A-6000-5EBZ
GD4WSS-3-015kW-YND490DE-BBW Schaltplan Motor
Rotek GD4WSS-3-015kW-YND490DE-BBW
GG4-1A-3400-5HZ Schaltplan Motor
Rotek GG4-1A-3400-5HZ
GD4SS-1A-6000-5EBWZ-ATS Schaltplan Motor
Rotek GD4SS-1A-6000-5EBWZ-ATS
GG4-3-7300-5EBZ Schaltplan Motor
Rotek GG4-3-7300-5EBZ
GD4WSS-3-015kW-YND490DE-YHG15 Schaltplan Motor
Rotek GD4WSS-3-015kW-YND490DE-YHG15
GD4W-3-015kW-YND490DE-YHG15 Schaltplan Motor
Rotek GD4W-3-015kW-YND490DE-YHG15
GG4-1A-7300-5EBZ Schaltplan Motor
Rotek GG4-1A-7300-5EBZ
GD4-2V-3-012kW-EBWDCZ Schaltplan Motor
Rotek GD4-2V-3-012kW-EBWDCZ
Diese Anleitung auch für:
Gd4-1-3300-ebz
Gd4-1a-3300-ebz
Inhaltsverzeichnis
Drucken
Lesezeichen umbenennen
Lesezeichen löschen?
Möchten Sie es aus Ihren Handbüchern löschen?
Anmelden
Anmelden
ODER
Mit Facebook anmelden
Mit Google anmelden
Anleitung hochladen
Von PC hochladen
Von URL hochladen