Herunterladen Inhalt Inhalt Diese Seite drucken

Anschlussempfehlungen; Recommended Connections - Kimo Softcompact Sm Produktbeschreibung

Elektronische sanftanlaufmodule 2.2...7.5 kw
Inhaltsverzeichnis
- 16 - KIMO

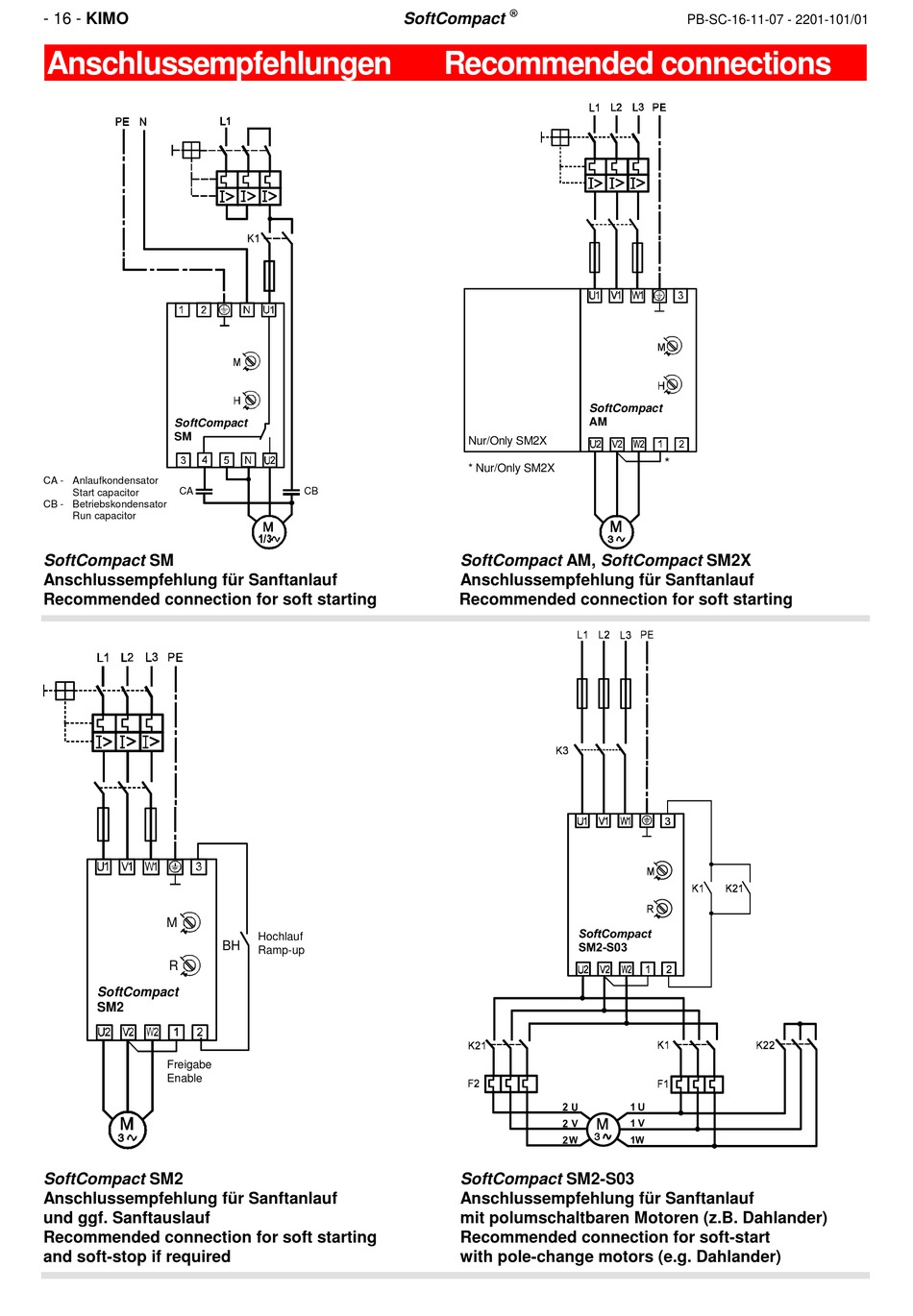
Anschlussempfehlungen

SoftCompact
SM
CA - Anlaufkondensator
CA
Start capacitor
CB - Betriebskondensator
Run capacitor
SoftCompact SM
Anschlussempfehlung für Sanftanlauf
Recommended connection for soft starting
M
R
SoftCompact
SM2
Freigabe
Enable
SoftCompact SM2
Anschlussempfehlung für Sanftanlauf
und ggf. Sanftauslauf
Recommended connection for soft starting
and soft-stop if required
CB
Hochlauf
BH
Ramp-up
SoftCompact

Recommended connections

Nur/Only SM2X
* Nur/Only SM2X
SoftCompact AM, SoftCompact SM2X
Anschlussempfehlung für Sanftanlauf
Recommended connection for soft starting
SoftCompact SM2-S03
Anschlussempfehlung für Sanftanlauf
mit polumschaltbaren Motoren (z.B. Dahlander)
Recommended connection for soft-start
with pole-change motors (e.g. Dahlander)
PB-SC-16-11-07 - 2201-101/01
SoftCompact
AM
*
Inhaltsverzeichnis
loading

Inhaltsverzeichnis