Herunterladen Inhalt Inhalt Diese Seite drucken

Bergstrom TRP COMPACT Benutzerhandbuch Seite 60

Vorschau ausblenden Andere Handbücher für TRP COMPACT:
Inhaltsverzeichnis
Verfügbare Sprachen
  • DE

Verfügbare Sprachen

  • DEUTSCH, seite 20
COMPACT
PT
Cuidado para não inverter as polaridades ao ligar a alimentação no equipamento; o ecrã não acenderá
e o equipamento não funcionará.
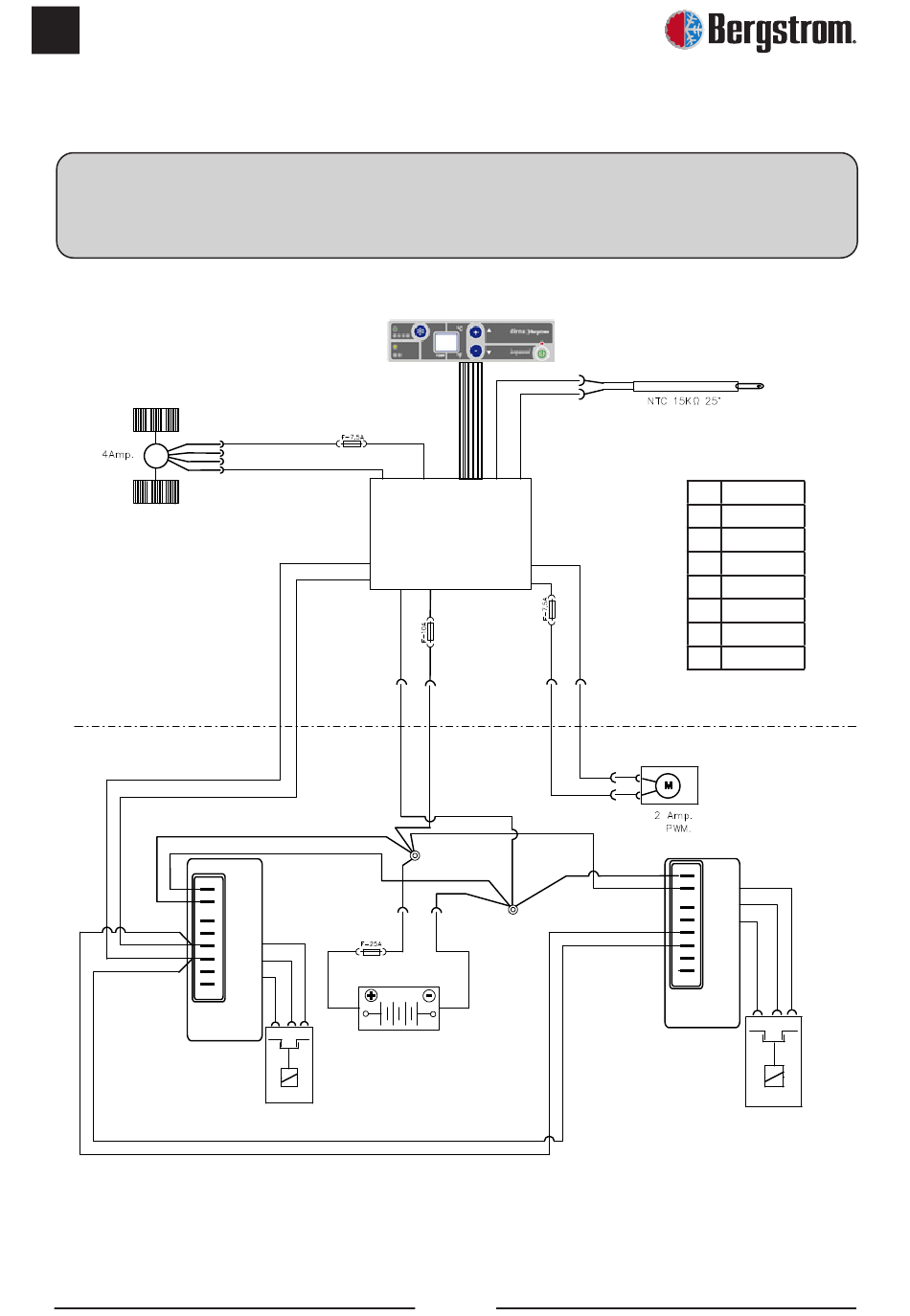
Ventilador
centrífugo
Na
R
M
A
N
B
B
M
M
Módulo
electrónico do
compressor
Compressor
M
B
AVISO IMPORTANTE!
Na
N
Controlo
electrónico
M
B
M
B
R
R
M
-
+
+
F
I
Az
C
P
T
Bateria /
tiro original
N
N
Consumo 30mAmp.
R
M
R
R
Az
M
M
60
Esquema eléctrico
Sensor do
ar de retorno
N
N
Az
Azul
N
Preto
R
Vermelho
V
Verde
B
Branco
A
Amarelo
Na
Laranja
N
M
Castanho
Ventilador do
N
condensador
N
Az
R
M
-
+
+
F
B
I
M
C
P
T
Módulo
electrónico do
compressor
Compressor
Inhaltsverzeichnis
loading

Diese Anleitung auch für:

1001857888154125310018579081541254

Inhaltsverzeichnis