Herunterladen Inhalt Inhalt Diese Seite drucken

Schaltbild "Schieber 4" - Simocode Pro V Pb, Pro V Mr - Siemens Simocode Pro Applikationshandbuch

Vorschau ausblenden Andere Handbücher für SIMOCODE pro:
Inhaltsverzeichnis
Schaltungsbeispiele Steuerfunktionen
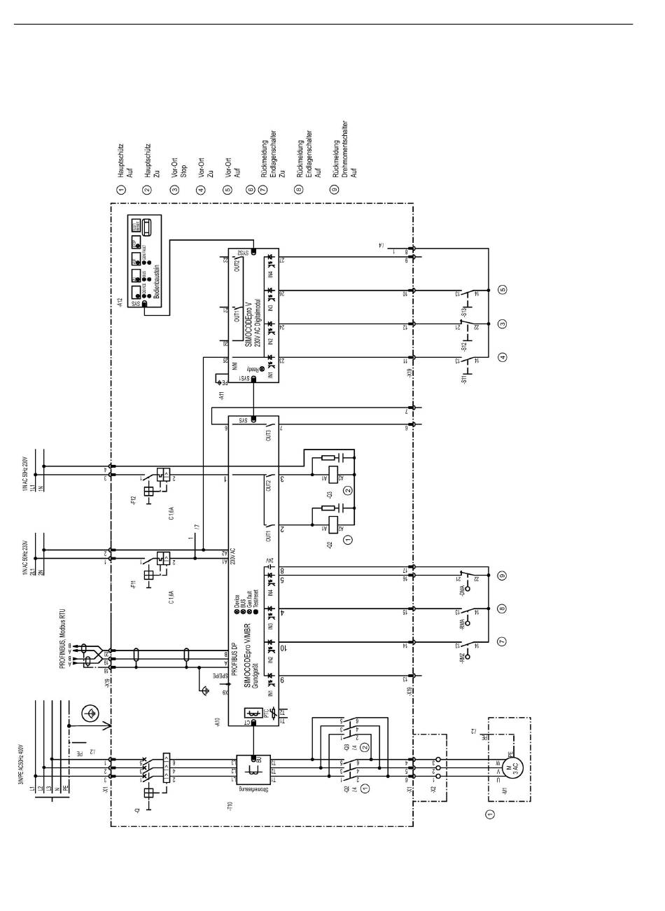
3.14 Schieber
3.14.10

Schaltbild "Schieber 4" - SIMOCODE pro V PB, pro V MR

Bild 3-58
Schaltbild "Schieber 4", SIMOCODE pro V PB, pro V MR
SIMOCODE pro - Anwendungsbeispiele
84
Applikationshandbuch, 05/2019, A5E40508055001A/RS-AD/004
Inhaltsverzeichnis
loading

Inhaltsverzeichnis