Herunterladen Inhalt Inhalt Diese Seite drucken
Inhaltsverzeichnis
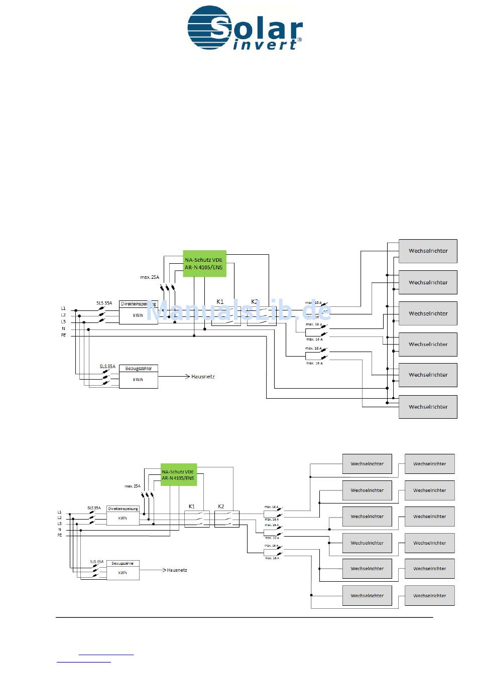
1.13 Stromlaufpläne
1-phasige Einspeisung
Wir empfehlen UfE ENS26NA.
Einphasige Einspeisung bei ein oder mehreren Wechselrichtern mit NA-Schutz VDE AR-N
4105/ENS (zulässig bis 4,6 kVA Gesamtleistung). Bei einer einphasigen Einspeisung müssen
zur Prüfung des Netzes alle 3-Phasen an den NA-Schutz/ENS angeschlossen werden. Der
Schaltungsaufbau des NA-Schutzes VDE AR-N 4105/ENS ist wie bei einem dreiphasigen An-
schluss.
3-phasige Einspeisung
Wir empfehlen Tele Haas zertifizierter-Na-Schutz.
Dreiphasige Einspeisung bei 6 Wechselrichtern, 3-poliger NA-Schutz VDE AR-N4105/ENS:
Dreiphasige Einspeisung bei 12 Wechselrichtern, 3-poliger NA-Schutz VDE AR-N4105/ENS:
SolarInvert GmbH
Technisches Handbuch Wechselrichter
Alte Bahnlinie 8
Ersteller: SolarInvert GmbH
D-71691 Freiberg
20
E-Mail:
info@solarinvert.de
www.solarinvert.de
Inhaltsverzeichnis
loading

Diese Anleitung auch für:

BatteryinvertWindinvert

Inhaltsverzeichnis