Anmelden
Hochladen
Herunterladen
Inhalt
Inhalt
Zu meinen Handbüchern
Löschen
Teilen
URL dieser Seite:
HTML-Link:
Lesezeichen hinzufügen
Hinzufügen
Handbuch wird automatisch zu "Meine Handbücher" hinzugefügt
Diese Seite drucken
×
Lesezeichen wurde hinzugefügt
×
Zu meinen Handbüchern hinzugefügt
Anleitungen
Marken
Parkside Anleitungen
Sägen
PSSA 20-Li C3
Originalbetriebsanleitung
Eksplozijski Pogled; Rozložený Pohled; Explosionszeichnung - Parkside Pssa 20-Li C3 Originalbetriebsanleitung
Vorschau ausblenden
Andere Handbücher für PSSA 20-Li C3
:
Originalbetriebsanleitung
(58 Seiten)
,
Originalbetriebsanleitung
(270 Seiten)
1
2
3
4
5
6
7
8
9
10
11
12
13
14
15
16
17
18
19
20
21
22
23
24
25
26
27
28
29
30
31
32
33
34
35
36
37
38
39
40
41
42
43
44
45
46
47
48
49
50
51
52
53
54
Seite
von
54
Vorwärts
/
54
Inhalt
Inhaltsverzeichnis
Fehlerbehebung
Lesezeichen
Inhaltsverzeichnis
Verfügbare Sprachen
DE
CZ
SI
Verfügbare Sprachen
DEUTSCH, seite 34
ČEŠTINA, strana 19
SLOVENŠČINA, stran 4
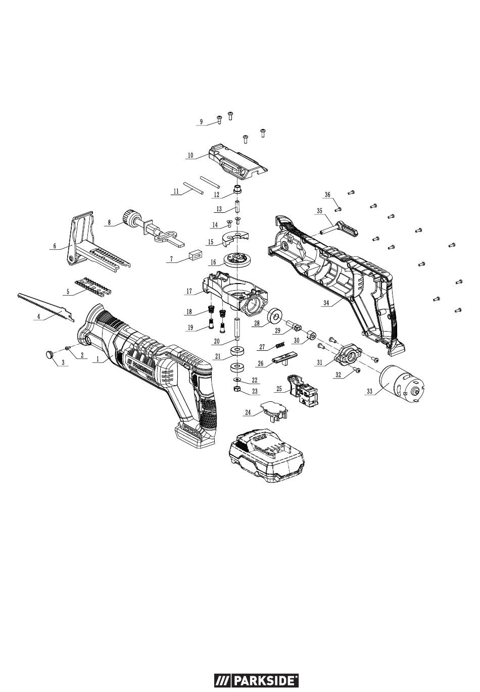
Explosionszeichnung • Eksplozijski pogled • Rozložený pohled
PSSA 20-Li C3
informativ • informativen • informační
53
Inhalt
sverzeichnis
Vorherige
Seite
Nächste
Seite
1
...
50
51
52
53
54
Kapitel
Slovenščina
4
Čeština
19
Deutsch
34
Inhaltsverzeichnis
Verwandte Anleitungen für Parkside PSSA 20-Li C3
Sägen Parkside PSSA 20-Li C3 Originalbetriebsanleitung
(270 Seiten)
Sägen Parkside PSSA 20-Li C3 Originalbetriebsanleitung
(58 Seiten)
Sägen Parkside PSSA 18 A1 Originalbetriebsanleitung
(144 Seiten)
Sägen Parkside PSSA 20-Li A1 Originalbetriebsanleitung
(33 Seiten)
Sägen Parkside 310954 Originalbetriebsanleitung
Akku-säbelsäge (33 Seiten)
Sägen Parkside PSSA 20-Li A1 Originalbetriebsanleitung
(49 Seiten)
Sägen Parkside 290742 Originalbetriebsanleitung
(103 Seiten)
Sägen Parkside PSSA 20-Li A1 Originalbetriebsanleitung
(47 Seiten)
Sägen Parkside PSSA 20-Li A1 Originalbetriebsanleitung
Akku-säbelsäge (61 Seiten)
Sägen Parkside PSSA 20-Li A1 Originalbetriebsanleitung
(61 Seiten)
Sägen Parkside PSSA 20-Li A1 Originalbetriebsanleitung
(19 Seiten)
Sägen Parkside PSSA 20-Li A1 Originalbetriebsanleitung
Akku-säbelsäge (76 Seiten)
Sägen Parkside 290825 Originalbetriebsanleitung
(105 Seiten)
Sägen Parkside 310948 Originalbetriebsanleitung
Akku-säbelsäge (61 Seiten)
Sägen Parkside PSSA 20-Li B2 Bedienungsanleitung Und Originalbetriebsanleitung
20 v akku-säbelsäge (109 Seiten)
Sägen Parkside PSSA 20-Li B2 Bedienungsanleitung
(228 Seiten)
Inhaltsverzeichnis
Drucken
Lesezeichen umbenennen
Lesezeichen löschen?
Möchten Sie es aus Ihren Handbüchern löschen?
Anmelden
Anmelden
ODER
Mit Facebook anmelden
Mit Google anmelden
Anleitung hochladen
Von PC hochladen
Von URL hochladen