Herunterladen Inhalt Inhalt Diese Seite drucken

Amewi AMXRock RCX10.3 Scale Crawler Bedienungsanleitung Seite 28

Inhaltsverzeichnis
17223103
3x32
17223103
3x32
17223052
amewi.com
17223116
M3
17223199
17223103
3x32
17223199
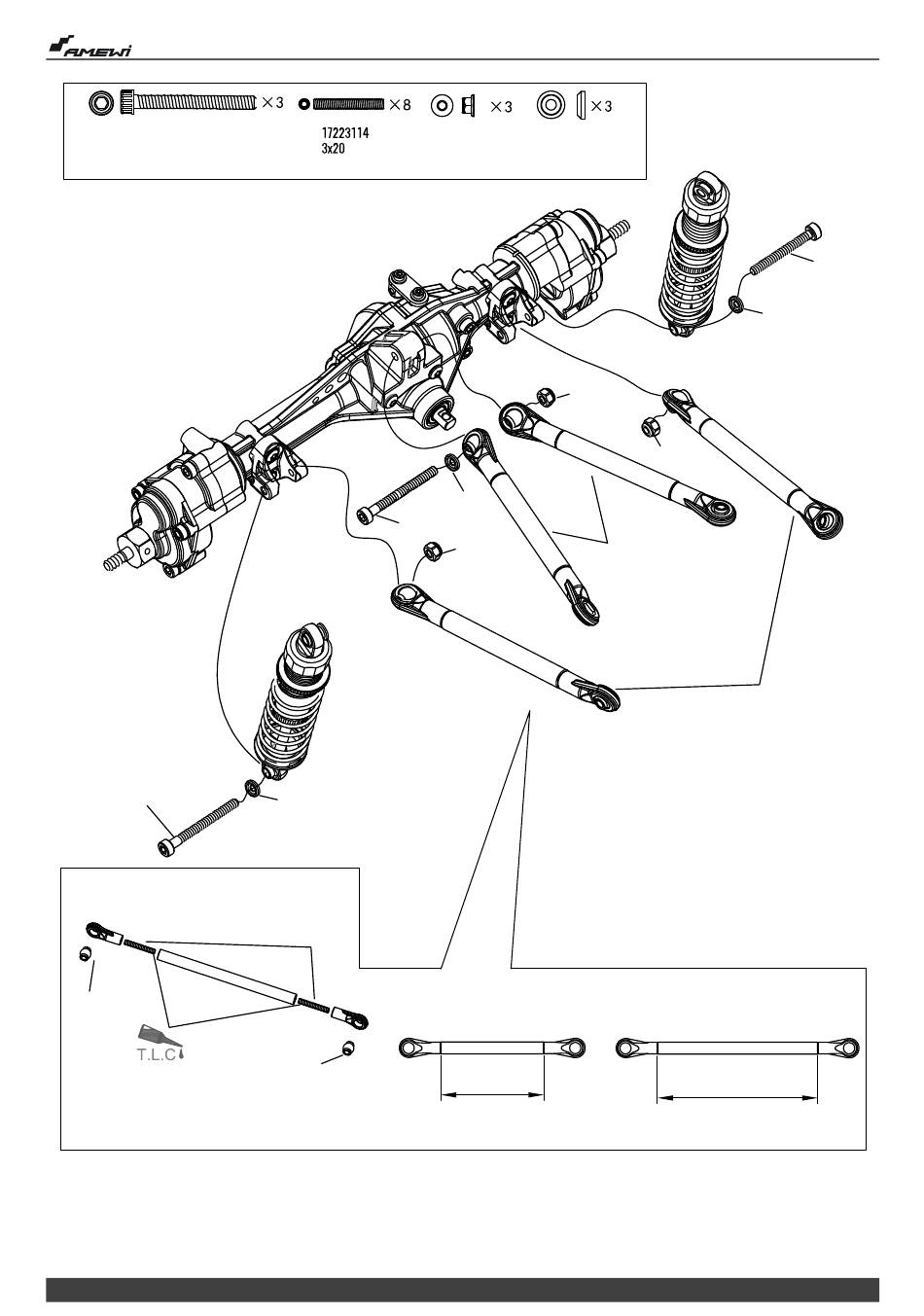
17223114
3x20
17223052
Links oben / Linkage Up
BEDIENUNGSANLEITUNG / INSTRUCTION MANUAL MODELLBEZEICHNUNG
17223199
17223116
17223116
17223602
46mm
17223103
3x32
17223199
17223116
17223602
52,5mm
Links unten / Linkage Low
28
Inhaltsverzeichnis
loading

Diese Anleitung auch für:

2255522556 basic22557 roller2255822559 pro

Inhaltsverzeichnis