Anmelden
Hochladen
Herunterladen
Zu meinen Handbüchern
Löschen
Teilen
URL dieser Seite:
HTML-Link:
Lesezeichen hinzufügen
Hinzufügen
Handbuch wird automatisch zu "Meine Handbücher" hinzugefügt
Diese Seite drucken
×
Lesezeichen wurde hinzugefügt
×
Zu meinen Handbüchern hinzugefügt
Anleitungen
Marken
eder Anleitungen
Erweiterungsmodule
MULTICONTROL
Anleitung
eder MULTICONTROL Anleitung Seite 5
Vorschau ausblenden
Andere Handbücher für MULTICONTROL
:
Ergänzung zur bedienungsanleitung
(32 Seiten)
1
2
3
4
5
6
7
8
Seite
von
8
Vorwärts
/
8
Lesezeichen
4.
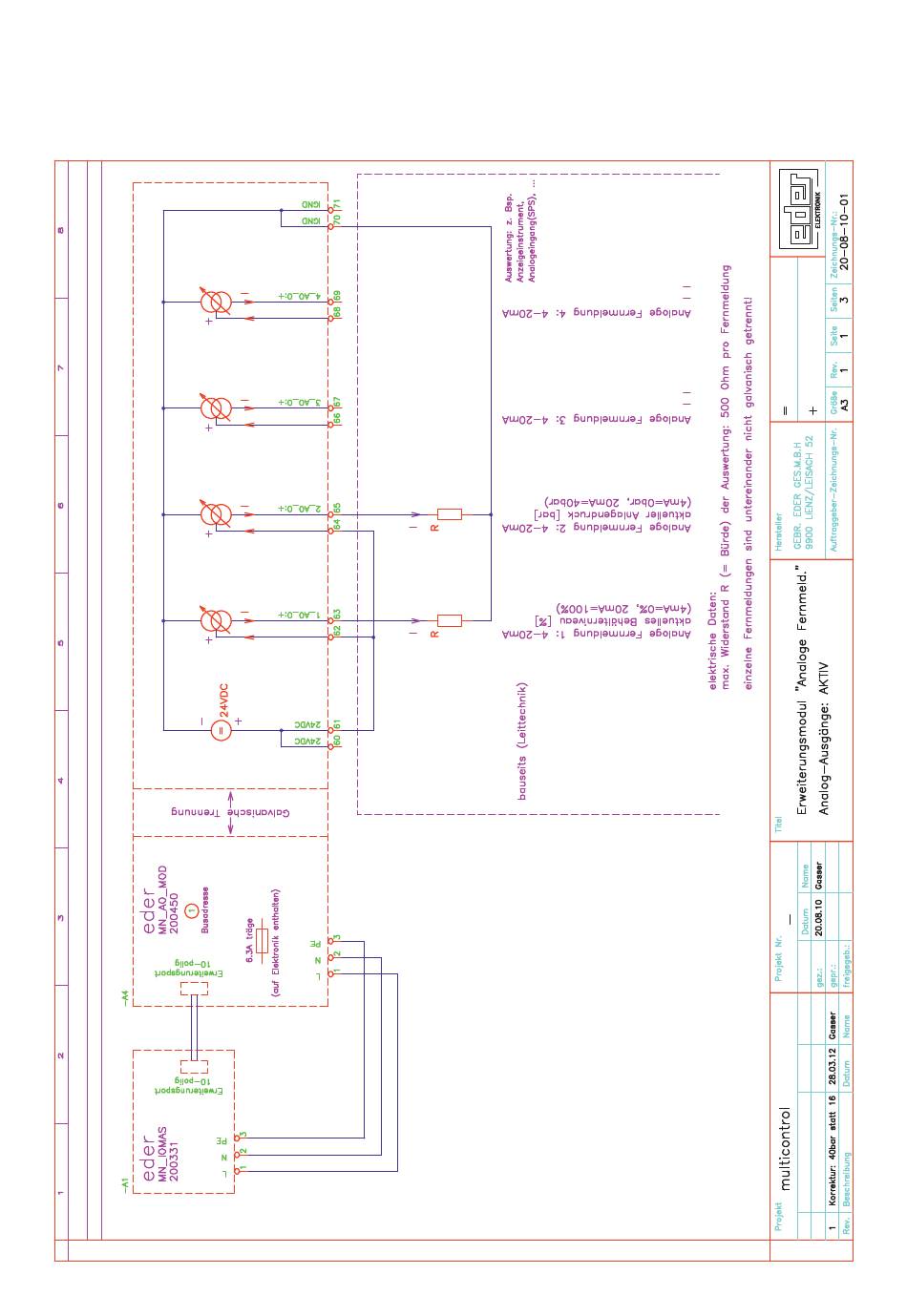
Stromlaufpläne
„analoge Fernmeldungen" - bauseitiger Anschluss: Analog-Ausgänge AKTIV
5
Vorherige
Seite
Nächste
Seite
1
2
3
4
5
6
7
8
Verwandte Anleitungen für eder MULTICONTROL
Heizungszubehör eder MULTICONTROL Ergänzung Zur Bedienungsanleitung
(32 Seiten)
Verwandte Produkte für eder MULTICONTROL
eder MCM-S1-4
eder MCM-S1-5
eder MCM-S1-8
eder MCM-S2-6
eder MCM-S2-7
eder MCM-S3-10
eder MCM-S4-6
eder MCM-S6-6
eder MCM-S5-6
eder MCM-S7-6
eder MCM-S6-10
eder MCM-S9-6
eder MCM-S8-16
eder MCM-S9-11
eder multicontrol cool MCC Serie
eder multicontrol cool MCC-G
Drucken
Lesezeichen umbenennen
Lesezeichen löschen?
Möchten Sie es aus Ihren Handbüchern löschen?
Anmelden
Anmelden
ODER
Mit Facebook anmelden
Mit Google anmelden
Anleitung hochladen
Von PC hochladen
Von URL hochladen