Herunterladen Inhalt Inhalt Diese Seite drucken

Plantas De Video Con Alimentación Adicional. En Distribución - Fermax Vds System Benutzerhandbuch

Vorschau ausblenden Andere Handbücher für VDS SYSTEM:
Inhaltsverzeichnis
VDS
VDS
VDS
VDS
VDS
VDS
VDS
VDS
VDS
VDS
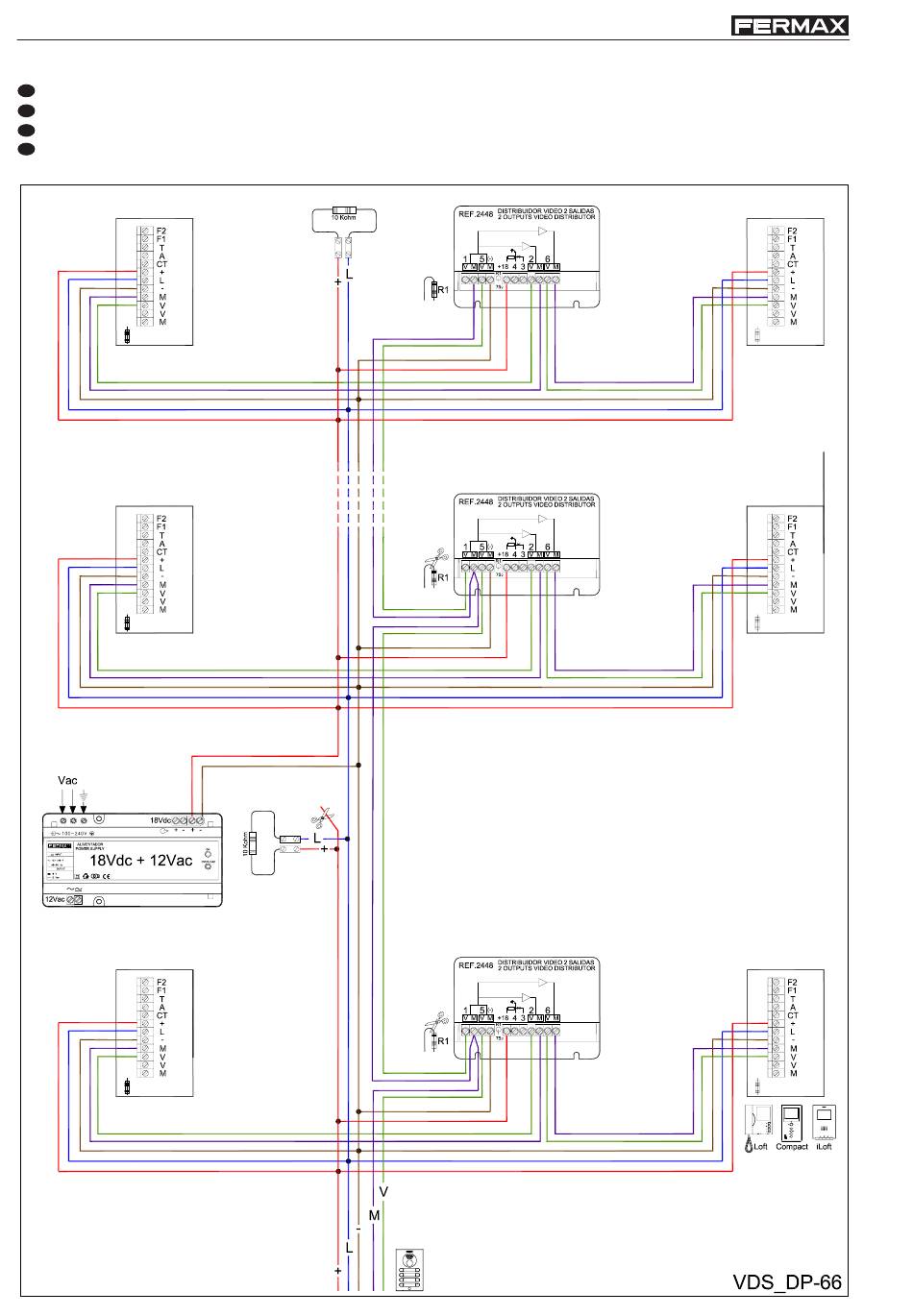
Plantas de Video. En distribución. Alimentación adicional.
E
Video distribution. In cascade. Additional Power Supply.
EN
Distribution étages vidéo. En cascade. Alimentation supplémentaire.
F
Videoetage. Mit Videoverteiler. Zusatzstromversorgung.
D
Pag. 28
Cod. 97508-2 V07_09
Inhaltsverzeichnis
loading

Inhaltsverzeichnis