Herunterladen Inhalt Inhalt Diese Seite drucken

Fermax VDS SYSTEM Benutzerhandbuch Seite 35

Vorschau ausblenden Andere Handbücher für VDS SYSTEM:
Inhaltsverzeichnis
VDS
VDS
VDS
VDS
VDS
VDS
VDS
VDS
VDS
VDS
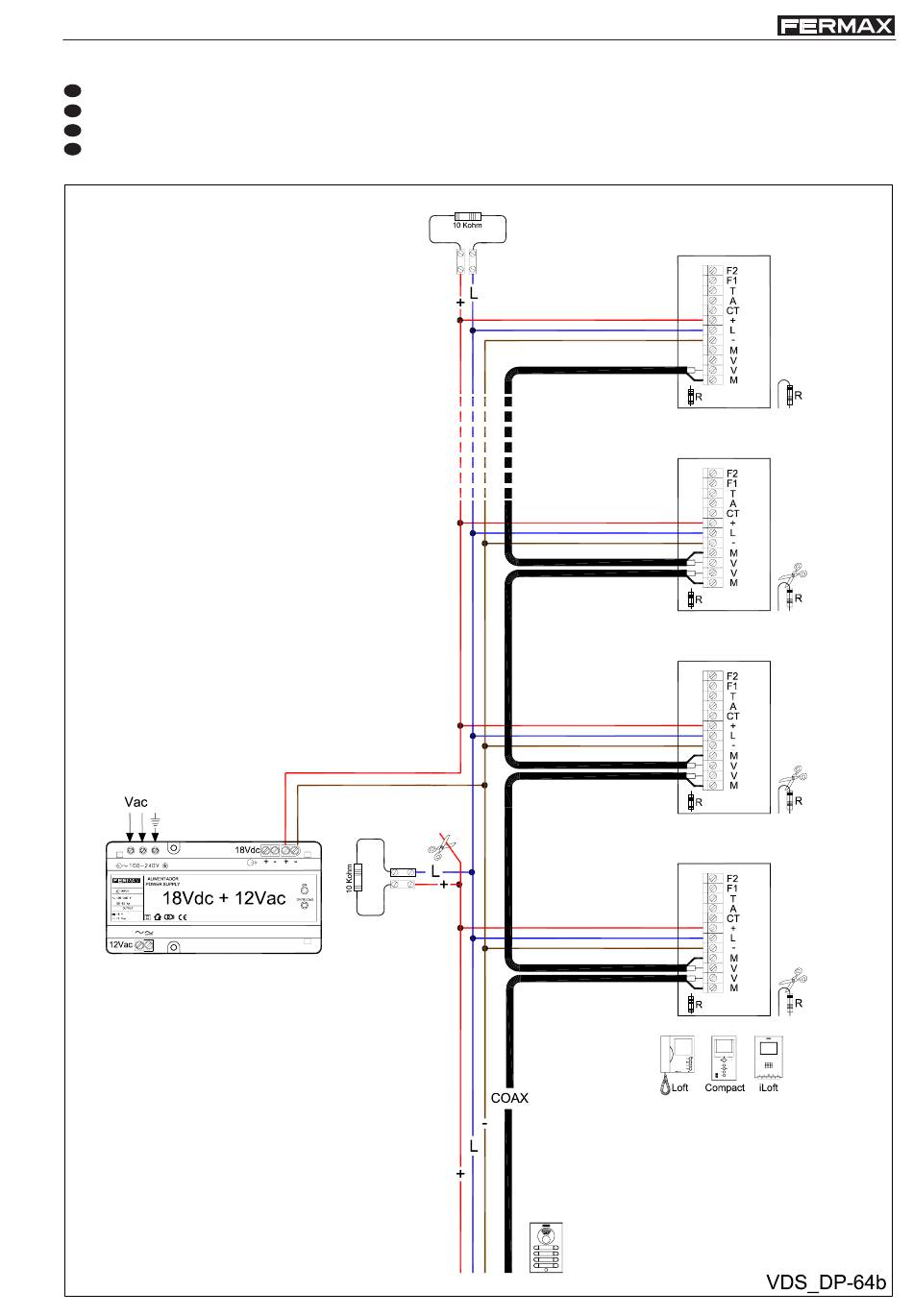
Plantas de Video. En cascada (coaxial). Alimentación adicional.
E
Video distribution. In cascade (coaxial). Additional Power Supply.
EN
Distribution étages vidéo. En cascade (coaxial). Alimentation supplémentaire.
F
Videoetage. In Kaskade (Koaxial). Zusatzstromversorgung.
D
Cod. 97508-2 V07_09
Pag. 25
Inhaltsverzeichnis
loading

Inhaltsverzeichnis