Herunterladen Inhalt Inhalt Diese Seite drucken

Intercomunicación - Fermax Vds System Benutzerhandbuch

Vorschau ausblenden Andere Handbücher für VDS SYSTEM:
Inhaltsverzeichnis
VDS
VDS
VDS
VDS
VDS
VDS
VDS
VDS
VDS
VDS
Central de conserjería VDS. Intercomunicación
E
VDS Central Guard Unit. Intercommunication.
EN
Centrale de conciergerieVDS. Intercommunication.
F
VDS Pförtnerzentral.Intersprechen.
D
D
metros / metres
pies / feet
1 - 50
3 - 150
50 - 100
150 - 300
100 - 200
300 - 600
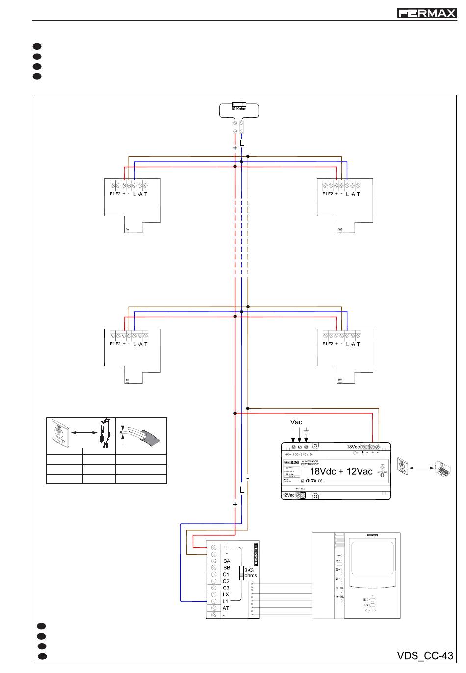
Nota: Esta resistencia es imprescindible para asegurar el correcto funcionamiento de la conserjería.
E
Note: This resistor is extremely necessary to ensure the right operation of the guard unit.
EN
Remarque: Le resistance est indispensable pour assurer le bon fonctionnement du centrale de conciergerie.
F
Hinweis: Dieser Widerstand ist erforderlich um den korrekten Betrieb der Portierzentrale zu gewährleisten.
D
Cod. 97508-2 V07_09
S
2
1
mm
2
1,5
mm
2
2,5
mm
D. max.
MADE
IN
SPAIN
Hz.
50-60
+ 1
50VA
MAX.
FUE
1 2
8 V
NTE
V
1 A
5 A
1 .
KIT
ALIM
ENT
DIG
ITA
ACI
ON
L
30 m
90 feet
Pag. 17
Inhaltsverzeichnis
loading

Inhaltsverzeichnis